0
ETI    SIEMENS    ABB    WIKA    IFM    ELKO EP    HYUNDAI    VEGA    KSR KUEBLER    Johnson Controls    Siemens IA/DT (CA01)    Bosch Rexroth    Alfa Laval    SICK    Others  

MZ2Q-CFLPSKQ0

Код: 1043697
Связатся с нами: 067 285 7770

В корзину

Показать всё Скрыть всё

  • Характеристики
    Цилиндрический корпусC-паз
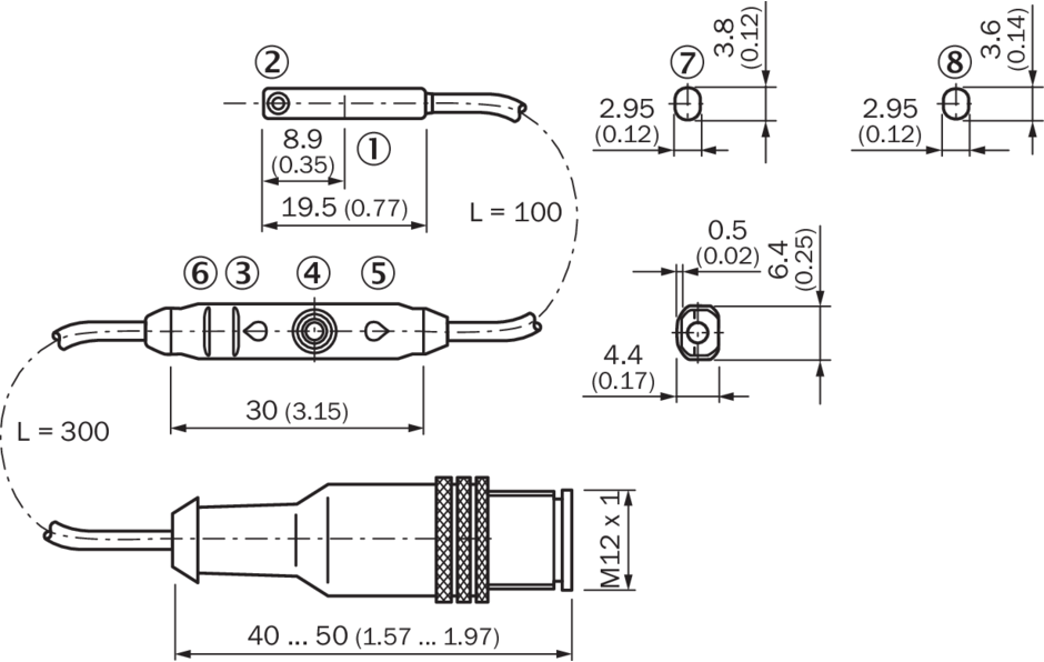
    Длина корпуса19,5 mm
    Переключающий выход2 x PNP
    Функция выходаНормально открытый
    Электрическое исполнениеПост. ток, 4-проводный
    Настройка
    Тип защитыIP67 1)
    Функции IO-LinkСтандартные функции
    • 1) Согласно EN 60529.
  • Механика/электроника
    Рабочая зона0 mm ... 50 mm
    Напряжение питания12 V DC ... 30 V DC
    Потребление тока≤ 15 mA 1)
    Падение напряжения≤ 2,2 V
    Постоянный ток Ia≤ 100 mA
    Класс защитыIII
    Для цилиндров Festo
    Гистерезис тип.1 mT
    Воспроизводимость≤ 0,1 mT 2)
    IO-Link
    Защита от инверсии полярности
    Защита от короткого замыкания
    Подавление импульса включения
    Диапазон температур при работе–20 °C ... +75 °C
    Ударопрочность и виброустойчивость30 г, 11 мс/10…55 Гц, 1 мм
    ЭМССогласно EN 60947-5-2
    Материал корпусаПластик
    Тип подключенияКабель с разъемом M12, 4-конт., 0,3 m
    Материал кабеляПолиуретан
    № файла ULNRKH.E181493 & NRKH7.E181493
    • 1) Без нагрузки.
    • 2) Ub и Ta постоянны.
  • Классификации
    ECl@ss 5.027270104
    ECl@ss 5.1.427270104
    ECl@ss 6.027270104
    ECl@ss 6.227270104
    ECl@ss 7.027270104
    ECl@ss 8.027270104
    ECl@ss 8.127270104
    ECl@ss 9.027270104
    ETIM 5.0EC002544
    ETIM 6.0EC002544
    UNSPSC 16.090139122230
  • Интерфейс связи
    Интерфейс связиIO-Link V1.1
    Коммуникационный интерфейс, детальное описаниеCOM2 (38,4 kBaud)
    Время цикла2,3 ms
    Длина технологических данных2 Bit
    Структура технологических данных

    Бит 0 = дискретный сигнал QL1

    Бит 1 = дискретный сигнал QL2

    Бит 2 ... 7 = пустой

Показать всё Скрыть всё

Технические чертежи

Схема соединений cd-032 Габаритный чертеж Кабель со штекером M12 Вид: Галерея Список Показать всё Скрыть всё
Показать всё Скрыть всё