Показать всё Скрыть всё
- Характеристики
| Объект измерения | Естественные объекты |
- Производительность
| Диапазон измерения | 20 mm ... 50 mm |
| Точность воспроизведения | 6 µm 1) 2) |
| Линейность | ± 30 µm 3) 4) |
| Оценка | ≥ 2 ms 5) |
| Частота измерения | ≤ 2 kHz |
| Источник света | Лазер, красный |
| Класс лазера | 1 (IEC 60825-1:2014, EN 60825-1:2014) 6) |
| Тип. размер светового пятна (расстояние) | 800 µm x 450 µm (35 mm) |
| Доп. функция | Установка среднего значения 1 … 512x, автоматическая или ручная регулировка чувствительности, обучаемые аналоговые выходы, обучаемые дискретные выходы, инвертируемый дискретный выход, Режим переключения: окно (Wnd), Режим переключения: расстояние до объекта (DtO), Режим переключения: объект между датчиком и фоном (ObSB), Многофункциональный вход (MF): отключение лазера / внешнее обучение / триггер |
- Интерфейсы
| Аналоговый выход | 1 x 0 V ... 10 V (> 10 kΩ) |
| Переключающий выход | 1 x PNP/NPN, переключаемый |
| Многофункциональный вход (MF) | 1 x 1) |
- Механика/электроника
| Напряжение питания UV | DC 12 В (–5 %) ... DC 24 В (+10 %) |
| Потребляемая мощность | ≤ 1,92 W 1) |
| Время на разогрев | ≤ 5 min |
| Материал корпуса | Нержавеющая сталь |
| Материал переднего окна | PPSU |
| Тип подключения | Кабель с разъемом, M12, 5-контактный, 30 cm |
| Индикация | Четырехразрядный 7-сегментный дисплей (а также 4 светодиода для индикации состояния) |
| Элементы управления | 4 кнопки |
| Вес | 70 g |
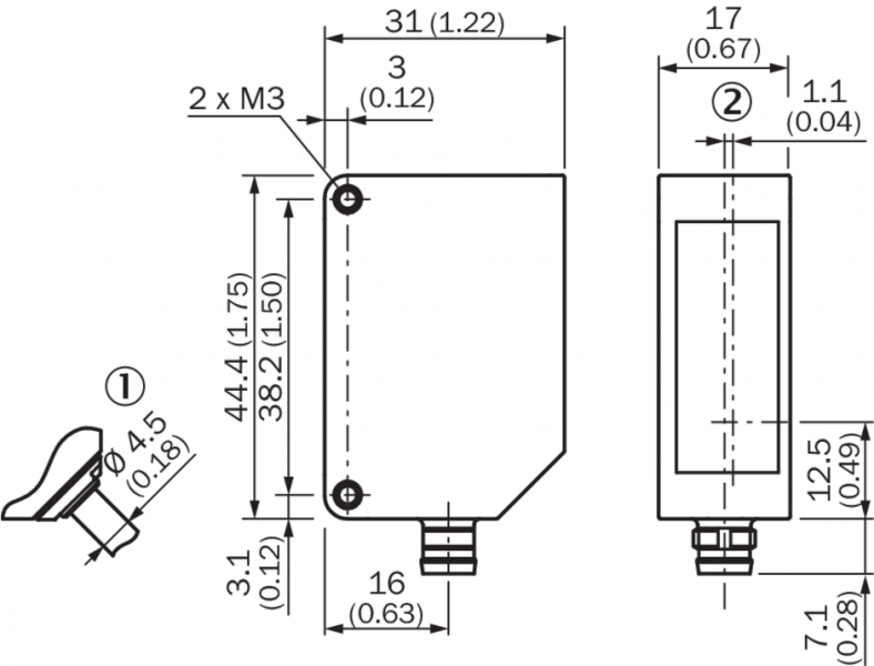
| Габариты | 44,4 mm x 31 mm x 17 mm |
| Тип защиты | IP67 |
| Класс защиты | III |
- Данные окружающей среды
| Рабочий диапазон температур | –10 °C ... +40 °C |
| Диапазон температур при хранении | –20 °C ... +60 °C |
| Мин. отн. влажность воздуха (без образования конденсата) | 35 % |
| Макс. отн. влажность воздуха (без образования конденсата) | 95 % |
| Температурный дрейф | ± 0,08 % FS/K (FS = Full Scale = диапазон измерения датчика) |
| Тип. невосприимчивость к постороннему свету | Искусственное освещение: ≤ 3.000 lx Солнечный свет: ≤ 10.000 lx |
| Виброустойчивость | 10 Hz ... 55 Hz (амплитуда 1,5 мм, оси x, y, z по 2 часа каждая) |
| Ударопрочность | 50 G (оси x, y, z по 3 раза каждая) |
- Общие указания
| Примечание | Могут присутствовать вещества, ослабляющие адгезию лакокрасочных покрытий. |
- Классификации
| ECl@ss 5.0 | 27270801 |
| ECl@ss 5.1.4 | 27270801 |
| ECl@ss 6.0 | 27270801 |
| ECl@ss 6.2 | 27270801 |
| ECl@ss 7.0 | 27270801 |
| ECl@ss 8.0 | 27270801 |
| ECl@ss 8.1 | 27270801 |
| ECl@ss 9.0 | 27270801 |
| ETIM 5.0 | EC001825 |
| ETIM 6.0 | EC001825 |
| UNSPSC 16.0901 | 41111613 |
Показать всё Скрыть всё Технические чертежи
Габаритный чертеж Корпус из нержавеющей стали
тип подключения
схема соединений
варианты настройки
Размер светового пятна OD Mini Prime 20 mm ... 50 mm
Линейность
Вид: Галерея Список Показать всё Скрыть всё Показать всё Скрыть всё