0
ETI    SIEMENS    ABB    WIKA    IFM    ELKO EP    HYUNDAI    VEGA    KSR KUEBLER    Johnson Controls    Siemens IA/DT (CA01)    Bosch Rexroth    Alfa Laval    SICK    Others  

Оптоволоконный кабель

Код: E21132
Связатся с нами: 067 285 7770

В корзину

Характеристики
Однолучевой световой барьер
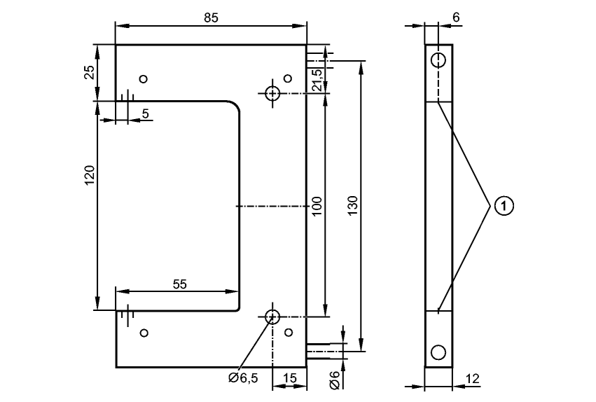
12 x 143 x 85
Усилитель Расстояние срабатывания
OBF 93 mm
OMF 93 mm
Диапазон контроля
Расстояние срабатывания OBF: 93 mm / OMF: 93 mm
Условия эксплуатации
Температура окружающей среды [°C]-58...315
Механические данные
Длина [mm]2500
Мин. радиус изгиба [mm]19,
Оптоволокно-световод стекло
Чувствительная головка нерж. сталь V2A (1.4305) (303S22); крепеж: нерж. сталь V2A (1.4301)
Кожух нерж. сталь V2A (1.4305) (303S22)
Вес [kg]1,155
Примечания
Упаковочная величина [штука]1