0
ETI    SIEMENS    ABB    WIKA    IFM    ELKO EP    HYUNDAI    VEGA    KSR KUEBLER    Johnson Controls    Siemens IA/DT (CA01)    Bosch Rexroth    Alfa Laval    SICK    Others  

PBS-RB016SG1SSNAMA0Z

Код: 6042055
Связатся с нами: 067 285 7770

В корзину

Показать всё Скрыть всё

  • Характеристики
    СредаЖидкая, газообразная
    Тип давления:Относительное давление
    Диапазон измерения0 bar ... 16 bar
    Рабочая температура–20 °C ... +85 °C
    Коррекция нулевой точкиМакс. + 3 % интервала
    Выходной сигнал2 x PNP
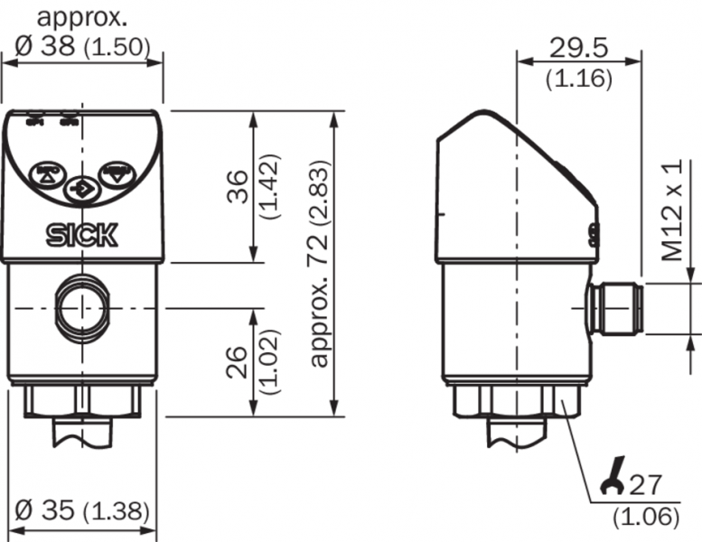
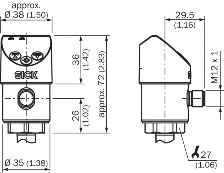
    Поворот корпуса

    Дисплей по отношению к корпусу с электрическим разъемом: 330°

    Корпус по отношению к технологическому соединению: 320°

    Дисплей

    14-сегментный светодиодный, синего цвета, 4-разрядный, высота цифр 9 мм, электронный поворот на 180°

    Точность: ≤ 1 % интервала ± 1 разряд

    Обновление: 1000, 500, 200, 100 мс (программируется)

  • Производительность
    Нелинейность≤ ± 0,5 %, интервала (Best Fit Straight Line, BFSL) согласно IEC 61298-2
    Точность≤ ± 1 % интервала
    Точность настройки дискретных выходов≤ ± 0,5 % интервала
    Время переходного процесса3 ms
    Долговременный дрейф/стабильность за год работы≤ 0,2 % интервала согласно IEC 61298-2
    Температурные коэффициенты в диапазоне номинальных температурСредний ТК нулевой точки: ≤ 0,2 % интервала / 10 K, Средний ТК интервала ≤ 0,2 % интервала /10 К
    Диапазон номинальных температур0 °C ... +80 °C
    Срок службыМинимум 100 млн нагрузочных циклов
  • Механика/электроника
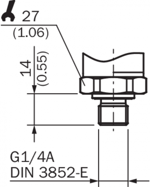
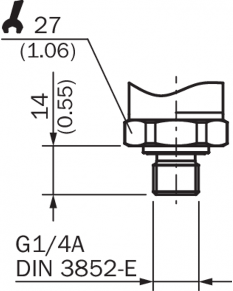
    Технические подключенияG ¼ A согласно DIN 3852-E
    Материалы, соприкасающиеся со средой

    Напорное соединение: нержавеющая сталь 316L

    Датчик давления: нержавеющая сталь 316L (от 0–10 бар отн. нержавеющая сталь 13-8 PH)

    Внутренняя передаваемая жидкостьСинтетическое масло (только для диапазонов измерения от < 0 бар до 10 бар и от ≤ 0 бар абс. до 25 бар абс.)
    Канальное отверстиеStandard
    Материал корпусаНижняя часть: нержавеющая сталь 304, Верхняя часть из пластика: PC + ABS, Кнопки: TPE-E, Экранное стекло: PC
    Тип подключенияКруглый штекерный соединитель M12 x 1, 4-контактный, IP67
    Напряжение питания15–35 В DC
    Потребление тока

    45 мА (для конфигураций без аналогового выхода)

    70 мА (для конфигураций с аналоговым выходом)

    Общее потребление токаМакс. 350 / 570 мА (вкл. ток переключения)
    Электробезопасность

    Класс защиты: III

    Защита от перенапряжения: 40 В DC

    Устойчивость к короткому замыканию: QA, Q1, Q2 относительно M

    Защита от инверсии полярности: L+ относительно M

    Напряжение развязки500 V DC
    Соответствие требованиям ЕСДиректива об оборудовании, работающем под давлением: в случае с данным устройством речь идет о части оборудования, находящейся под давлением, в соответствии с директивой 97/23/EC, Директива ЕС по электромагнитной совместимости: 2004/108/EC, EN 61326-2-3
    Вес датчикаОк. 200 g
    УплотнениеNBR
    Тип защитыIP67
    Класс защиты III
  • Данные окружающей среды
    Температура окружающей среды–20 °C ... +80 °C
    Температура хранения–20 °C ... +80 °C
    Относительная влажность воздуха≤ 90 %
    Устойчивость к сотрясениям50 g согласно IEC 60068-2-27 (механические удары)
    Устойчивость к вибрации10 g согласно IEC 60068-2-6 (вибрации при резонансе)
  • Классификации
    ECl@ss 5.027371814
    ECl@ss 5.1.427371814
    ECl@ss 6.027371814
    ECl@ss 6.227371814
    ECl@ss 7.027371814
    ECl@ss 8.027371814
    ECl@ss 8.127371814
    ECl@ss 9.027371814
    ETIM 5.0EC000243
    ETIM 6.0EC000243
    UNSPSC 16.090141112409
Показать всё Скрыть всё

Технические чертежи

Габаритный чертеж G ¼ A DIN 3852-E Габаритный чертеж Тип подключения Вид: Галерея Список Показать всё Скрыть всё
Показать всё Скрыть всё