0
ETI    SIEMENS    ABB    WIKA    IFM    ELKO EP    HYUNDAI    VEGA    KSR KUEBLER    Johnson Controls    Siemens IA/DT (CA01)    Bosch Rexroth    Alfa Laval    SICK    Others  

PBT-RB160SG1SENAMA0Z

Код: 6041581
Связатся с нами: 067 285 7770

В корзину

Показать всё Скрыть всё

  • Характеристики
    СредаЖидкая, газообразная
    Тип давления:Относительное давление
    Диапазон измерения0 bar ... 160 bar
    Рабочая температура–30 °C ... +100 °C
    Выходной сигнал4 мА ... 20 мА, 2-проводной
  • Производительность
    Нелинейность≤ ± 0,5 %, (Best Fit Straight Line, BFSL) according to IEC 61298-2
    Точность≤ ± 1 % интервала
    Точность согласования нулевого сигнала≤ 0,5 % интервала (станд.), ≤ 0,8 % интервала (макс.) (при нелинейности 0,5 %)
    Гистерезис≤ 0,16 % интервала
    Неповторяемость результатов измерений≤ 0,1 % интервала
    Время переходного процесса< 4 ms
    Шум сигнала≤ 0,3 % интервала
    Долговременный дрейф/стабильность за год работы≤ 0,1 % интервала согласно IEC 61298-2
    Диапазон номинальных температур0 °C ... +80 °C
    Срок службыМинимум 100 млн нагрузочных циклов
  • Механика/электроника
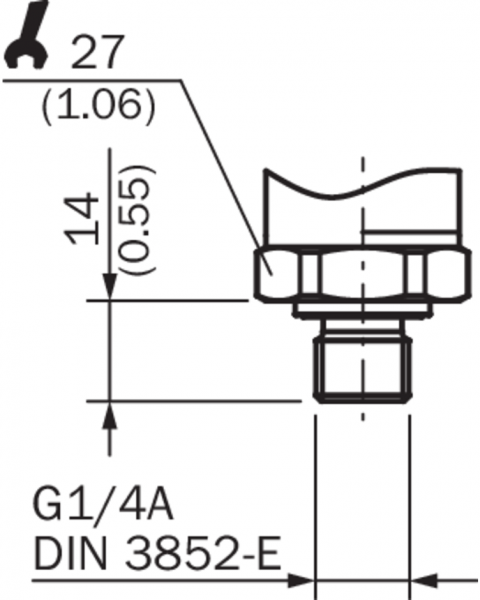
    Технические подключенияG ¼ A согласно DIN 3852-E
    Материалы, соприкасающиеся со средой

    Напорное соединение: нержавеющая сталь 316L

    Датчик давления: нержавеющая сталь 316L (от 0–10 бар отн. нержавеющая сталь 13-8 PH)

    Внутренняя передаваемая жидкостьСиликоновое масло (только для диапазонов измерения < 0–10 бар и ≤ 0–25 бар абс.)
    Канальное отверстиеStandard
    Материал корпусаНержавеющая сталь 316L
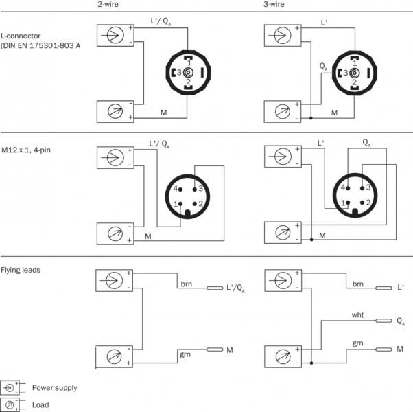
    Тип подключенияКруглый штекерный соединитель M12 x 1, 4-контактный, IP67
    Напряжение питания8–35 В DC при выходном сигнале 4–20 мА и 0–5 В, 14–35 В DC при выходном сигнале 0–10 В 1)
    Потребление тока

    Сигнальный ток (макс. 25 мА) для токового выхода

    Макс. 8 мА для выходного сигнала по напряжению

    Электробезопасность

    Защита от перенапряжения: 32 В DC, 36 В DC при 4–20 мА

    Устойчивость к короткому замыканию: QA относительно M

    Защита от инверсии полярности: L+ относительно M

    Класс защиты: III

    Напряжение развязки500 V DC
    Соответствие требованиям ЕСДиректива ЕС по электромагнитной совместимости: 2014/30/EU, EN 61326-2-3
    Вес датчикаОк. 80 g
    УплотнениеNBR
    Тип защитыIP67
    Класс защиты III
    Эталонные условияЭталонные условия: согласно IEC 61298-1
    • 1) Питание измерительного преобразователя давления должно осуществляться посредством электрического контура с ограничителем энергии согласно разд. 9.3. стандарта UL/EN/IEC 601010-1 или LPS согласно стандарту UL/EN/IEC 60950-1, или Class 2 согласно стандарту UL 1310/UL1585 (NEC или CEC). Источник питания должен подходить для эксплуатации на высоте выше 2000 м, если измерительный преобразователь давления будет использоваться на этой высоте.
  • Данные окружающей среды
    Температура окружающей среды0 °C ... +80 °C
    Температура хранения–40 °C ... +70 °C
    Относительная влажность воздуха45 % ... 75 %
    Устойчивость к сотрясениям500 g согласно IEC 60068-2-27 (механические удары)
    Устойчивость к вибрации

    10 g согласно IEC 60068-2-6 (вибрации при резонансе)

    20 g опционально

  • Классификации
    ECl@ss 5.027200614
    ECl@ss 5.1.427200614
    ECl@ss 6.027200614
    ECl@ss 6.227200614
    ECl@ss 7.027200614
    ECl@ss 8.027200614
    ECl@ss 8.127200614
    ECl@ss 9.027200614
    ETIM 5.0EC002476
    ETIM 6.0EC002476
    UNSPSC 16.090141112410
Показать всё Скрыть всё

Технические чертежи

Габаритный чертеж Корпус с круглым штекерным соединителем M12 x 1, IP67 Габаритный чертеж G ¼ A DIN 3852-E Тип подключения Вид: Галерея Список Показать всё Скрыть всё
Показать всё Скрыть всё