Показать всё Скрыть всё
- Характеристики
| Среда | Жидкая, газообразная |
| Тип давления: | Относительное давление |
| Диапазон измерения | 0 bar ... 0,4 bar |
| Рабочая температура | –20 °C ... +150 °C |
| Выходной сигнал | 4 мА ... 20 мА, 2-проводной |
| Сертификат EHEDG | ✔ |
- Производительность
| Нелинейность | ≤ ± 0,2 %, интервала (Best Fit Straight Line, BFSL) согласно IEC 61298-2 |
| Точность | ≤ ± 0,5 % интервала |
| Неповторяемость результатов измерений | ≤ ± 0,1 % интервала |
| Время настройки (10–90 %) | ≤ 10 ms |
| Долговременный дрейф/стабильность за год работы | ≤ 0,2 % интервала |
| Температурные коэффициенты в диапазоне номинальных температур | Средний ТК нулевой точки: ≤ 0,2 % интервала/10 К для диапазонов измерения от 0–0,6 бар до 0–25 бар, Средний ТК нулевой точки: ≤ 0,25 % интервала/10 К для диапазона измерения 0–0,4 бар, Средний ТК нулевой точки: ≤ 0,4 % интервала/10 К для диапазона измерения 0–0,25 бар, Средний ТК интервала ≤ 0,2 % интервала /10 К |
| Диапазон номинальных температур | 0 °C ... +80 °C |
- Механика/электроника
| Технические подключения | Tri-Clamp 1 ½" |
| Материалы, соприкасающиеся со средой | Нержавеющая сталь 1.4435 |
| Внутренняя передаваемая жидкость | Синтетическое масло, соответствующее требованиям FDA |
| Материал корпуса | Нержавеющая сталь 1.4571 |
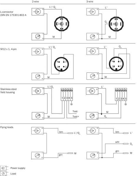
| Тип подключения | Угловой штекер (DIN EN 175301-803 A), IP65 |
| Напряжение питания | 10–30 В DC 14–30 В DC при выходном сигнале 0–10 В 11 В DC ... 30 В DC при выходном сигнале 4 мА ... 20 мА и полевом корпусе |
| Электробезопасность | Защита от перенапряжения: 36 В DC Устойчивость к короткому замыканию: QA относительно M Защита от инверсии полярности: L+ относительно M Класс защиты: III |
| Пропадание напряжения питания | 500 V DC, Напряжение питания NEC Class 02 (низкое напряжение и низкий ток макс. 100 ВА также в аварийном состоянии) |
| Соответствие требованиям ЕС | Директива ЕС по электромагнитной совместимости: 2004/108/EC, EN 61326-2-3 |
| Вес датчика | Ок. 500 g |
| Уплотнение | Без уплотнения |
| Тип защиты | IP65 |
| Класс защиты III | ✔ |
- Данные окружающей среды
| Температура окружающей среды | –20 °C ... +80 °C |
| Температура хранения | –40 °C ... +100 °C |
| Устойчивость к сотрясениям | 500 g согласно IEC 60068-2-27 (механические удары) |
| Устойчивость к вибрации | 15 g согласно IEC 60068-2-6 (вибрации при резонансе) |
- Классификации
| ECl@ss 5.0 | 27200614 |
| ECl@ss 5.1.4 | 27200614 |
| ECl@ss 6.0 | 27200614 |
| ECl@ss 6.2 | 27200614 |
| ECl@ss 7.0 | 27200614 |
| ECl@ss 8.0 | 27200614 |
| ECl@ss 8.1 | 27200614 |
| ECl@ss 9.0 | 27200614 |
| ETIM 5.0 | EC002476 |
| ETIM 6.0 | EC002476 |
| UNSPSC 16.0901 | 41112410 |
Показать всё Скрыть всё Технические чертежи
Габаритный чертеж Корпус с угловым штекером (DIN 175301-803 A), IP65
Тип подключения
Вид: Галерея Список Показать всё Скрыть всё Показать всё Скрыть всё