0
ETI    SIEMENS    ABB    WIKA    IFM    ELKO EP    HYUNDAI    VEGA    KSR KUEBLER    Johnson Controls    Siemens IA/DT (CA01)    Bosch Rexroth    Alfa Laval    SICK    Others  

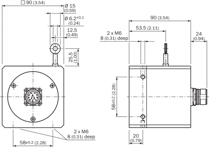
PKS09-ATBM0220

Код: 1035242
Связатся с нами: 067 285 7770

В корзину

Показать всё Скрыть всё

  • Производительность
    Длина измерения0 m ... 2 m
    Линейность≤ ± 0,7 mm
    Измерительный шаг≥ 0,05 mm
    Скорость перемещения3,5 m/s
    Стабильность повторяемости тип.3 измерительных шага
  • Интерфейсы
    ЭнкодерыИнкрементальные энкодеры
    Электрический интерфейсTTL
    Тип подключенияРазъем М23, 12-конт., радиальная
  • Электрические данные
    Рабочий ток60 mA (без нагрузки)
    Базовый сигнал1/765 измерительных шагов
    Максимальный ток нагрузки≤ 20 mA
    Время инициализации 1)
    Напряжение питания4,5 V ... 5,5 V
    MTTFd: время до опасного выхода из строя400 лет (EN ISO 13849) 2)
    • 1) После истечения этого времени можно считывать действительные положения.
    • 2) Данный продукт является стандартным изделием, а не предохранительным устройством, в соответствии с директивой по машиностроению. Расчет на основе номинальной нагрузки компонентов, средней температуры окружающей среды 40 °C, частота применения 8760 ч./год. Все выходы из строя электрических систем рассматриваются как опасные выходы из строя. Более подробная информация приведена в документе № 8015532.
  • Механические данные
    Вес (механика)1,5 kg
    Материал, измерительный тросСтальной гибкий многопроволочный провод (оболочка PA 12)
    Материал, корпусАлюминий
    Усилие возвратной пружины5 N ... 6 N 1)
    Срок службы тросового механизмаTyp. 800.000 Циклы 2) 3)
    Диаметр измерительного троса0,6 mm
    Ускорение троса≤ 20 m/s²
    • 1) Эти значения измеряются при температуре окружающей среды 25 °C. При других значениях температуры могут иметь место отклонения.
    • 2) Один цикл состоит из размотки и намотки троса.
    • 3) Срок службы зависит от типа нагрузки. Влияющие факторы: условия окружающей среды, условия установки, используемый диапазон измерений, скорость перемещения, а также ускорение.
  • Данные окружающей среды
    ЭМСПо EN 61000-6-2 и EN 61000-6-3
    Класс защиты корпуса энкодераIP 52, Учитывайте предписанное монтажное положение (согласно IEC 60529)
    Ударопрочность20 g, 6 ms (согласно EN 60068-2-27)
    Диапазон частоты вибростойкости10 g, 10 Hz ... 2.000 Hz (согласно EN 60068-2-6)
    Диапазон рабочих температур (энкодер)–10 °C ... +70 °C
    Диапазон температуры при хранении–20 °C ... +80 °C
    Относительная влажность воздуха/образование конденсата90 % (Образование конденсата не допускается)
  • Классификации
    ECl@ss 5.027270590
    ECl@ss 5.1.427270590
    ECl@ss 6.027270590
    ECl@ss 6.227270590
    ECl@ss 7.027270590
    ECl@ss 8.027270590
    ECl@ss 8.127270590
    ECl@ss 9.027270590
    ETIM 5.0EC001486
    ETIM 6.0EC001486
    UNSPSC 16.090141112113
Показать всё Скрыть всё

Технические чертежи

Габаритный чертеж Вид: Галерея Список Показать всё Скрыть всё
Показать всё Скрыть всё