0
ETI    SIEMENS    ABB    WIKA    IFM    ELKO EP    HYUNDAI    VEGA    KSR KUEBLER    Johnson Controls    Siemens IA/DT (CA01)    Bosch Rexroth    Alfa Laval    SICK    Others  

PRF13-E1AM0520

Код: 1034336
Связатся с нами: 067 285 7770

В корзину

Показать всё Скрыть всё

  • Производительность
    Длина измерения0 m ... 5 m
    Воспроизводимость≤ 0,5 mm 1)
    Линейность≤ ± 3 mm 2)
    Гистерезис≤ 2 mm 1)
    Разрешение (трос + энкодер)0,2 mm 3) 4)
    • 1) Значение относится к тросовому механизму.
    • 2) Значение действительно при учете точных данных по длине измерительного троса на один оборот (находится на этикетке тросового механизма).
    • 3) Отображаемые значения являются округленными.
    • 4) Пример расчета для PRF08 с HTL/push pull: 200 мм (длина вытянутого троса на один оборот, см. информацию о механических параметрах) : 2 000 (импульсов на один оборот) = 0,1 мм (разрешение комбинации троса и энкодера).
  • Интерфейсы
    ЭнкодерыИнкрементальные энкодеры
    Электрический интерфейсHTL
    Тип подключенияРазъем М23, 12-конт., радиальная
  • Электрические данные
    Максимальная частота выходного сигнала≤ 600 kHz
    Базовый сигнал, положениеЭлектрические, логические соединения с A и B
    Базовый сигнал, количество1, электрические, логические соединения с A и B
    Максимальный ток нагрузки≤ 30 mA
    Время инициализации≤ 32 ms, 30 ms, при механической ширине нулевого импульса 1) 1)
    Напряжение питания4,5 V ... 32 V
    Потребляемая мощность0,7 W
    MTTFd: время до опасного выхода из строя300 лет 2) 3)
    • 1) После истечения этого времени можно считывать действительные положения.
    • 2) Данный продукт является стандартным изделием, а не предохранительным устройством, в соответствии с директивой по машиностроению. Расчет на основе номинальной нагрузки компонентов, средней температуры окружающей среды 40 °C, частота применения 8760 ч./год. Все выходы из строя электрических систем рассматриваются как опасные выходы из строя. Более подробная информация приведена в документе № 8015532.
    • 3) Значение относится только к встроенному энкодеру.
  • Механические данные
    Вес (включая энкодер)3,1 kg
    Материал, измерительный тросСтальной гибкий многопроволочный провод, нержавеющая сталь 1.4401 V4А
    Вес (измерительный трос)7,1 g/m
    Материал, корпус тросового механизмаАлюминий (анодированный), пластик
    Длина вытянутого троса на один оборот334,1 mm 1)
    Усилие возвратной пружины15 N ... 20 N 2)
    Срок службы тросового механизмаTyp. 1 Млн циклов 3) 4)
    Фактическая длина вытянутого троса5,2 m
    Диаметр измерительного троса1,35 mm
    Ускорение троса70 m/s²
    Скорость регулирующего воздействия10 m/s
    Установленный энкодерDFS60
    Количество импульсов на один оборот1.670 5)
    Артикул энкодера-
    Установленный механизмMRA-F130-105D2
    Артикул механизма6028626
    • 1) Отображаемые значения являются средними значениями. Точное указание длины приведено на этикетке тросового механизма.
    • 2) Эти значения измеряются при температуре окружающей среды 25 °C. При других значениях температуры могут иметь место отклонения.
    • 3) Один цикл состоит из размотки и намотки троса.
    • 4) Срок службы зависит от типа нагрузки. Влияющие факторы: условия окружающей среды, условия установки, используемый диапазон измерений, скорость перемещения, а также ускорение.
    • 5) Встроенные энкодеры DFS60 по умолчанию запрограммированы на заданные количество штрихов и интерфейс. С помощью наших программирующих устройств для энкодера DFS60, приобретаемых отдельно, можно настроить электрический интерфейс (TTL/HTL), а также количество штрихов (макс. 10 000 штрихов) в соответствии с потребностями заказчика.
  • Данные окружающей среды
    ЭМСПо EN 61000-6-2 и EN 61000-6-3
    Класс защиты корпуса энкодераIP67
    Класс защиты механизмаIP64
    Ударопрочность60 g, 6 ms (согласно EN 60068-2-27)
    Диапазон частоты вибростойкости20 g, 10 Hz ... 2.000 Hz (согласно EN 60068-2-6)
    Диапазон рабочих температур (энкодер)–30 °C ... +70 °C
    Диапазон рабочих температур (механизм)–30 °C ... +70 °C
    Диапазон рабочих температур (комбинация)Определяется через самое высокое минимальное и самое низкое максимальное значение диапазона рабочих температур энкодера и механизма
    Относительная влажность воздуха/образование конденсата90 % (Образование конденсата на оптических сканирующих элементах не допускается)
  • Классификации
    ECl@ss 5.027270590
    ECl@ss 5.1.427270590
    ECl@ss 6.027270590
    ECl@ss 6.227270590
    ECl@ss 7.027270590
    ECl@ss 8.027270590
    ECl@ss 8.127270590
    ECl@ss 9.027270590
    ETIM 5.0EC001486
    ETIM 6.0EC001486
    UNSPSC 16.090141112113
Показать всё Скрыть всё

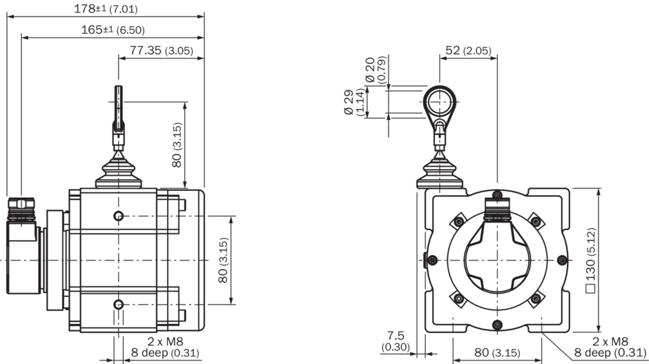
Технические чертежи

Габаритный чертеж Вид: Галерея Список Показать всё Скрыть всё
Показать всё Скрыть всё