0
ETI    SIEMENS    ABB    WIKA    IFM    ELKO EP    HYUNDAI    VEGA    KSR KUEBLER    Johnson Controls    Siemens IA/DT (CA01)    Bosch Rexroth    Alfa Laval    SICK    Others  

PSS-MBB124115AZZZZ

Код: 1220058
Связатся с нами: 067 285 7770

В корзину

Показать всё Скрыть всё

  • Характеристики
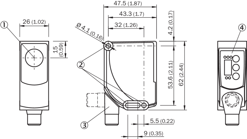
    Размеры (Ш x В x Г)26 mm x 62 mm x 47,5 mm
    Дистанция обнаружения27,5 mm
    Допуск области сканирования

    ± 3 mm Контроль наличия

    ± 1 mm контроль качества

    Форма корпуса (выход света)Прямоугольный
    Источник светаСветодиод, белый 1)
    Длина волны400 nm ... 750 nm
    Источник светаДлинная сторона устройства
    Размер светового пятна0,8 mm x 8 mm
    Положение светового пятнаПродольно 2)
    Скорость объекта, макс.4 m/s
    Допуск на горизонтальное смещение± 1 mm ... 3 mm 3)
    Настройка
    Панель управления обучения или ET1. Обучение: фон / 2. Обучение: печатьЧувствительность
    Чувствительность (%)10 % ... 90 % (приращение = 10, определяет уровень качества)
    IO-LinkЛогика переключающего выходаКонфигурация контакта 2Блокировка клавишЗадержка переключающего выходаПрограммирование напечатанного текстаПрограммирование фонаЧувствительностьЗадержка входа триггераДлительность импульса Q
    Особые свойстваПрограммирование напечатанного текста без фона (однородный/однотонный)
    • 1) Средний срок службы: 100 000 ч при TU = +25 °C.
    • 2) Относительно длинной стороны устройства.
    • 3) В зависимости от настроенного уровня качества.
  • Интерфейсы
    Полевая шина, промышленная шина-
    Тип интеграции в шину-
  • Механика/электроника
    Напряжение питания10,8 V DC ... 28,8 V DC 1)
    Остаточная пульсация≤ 5 Vss 2)
    Потребление тока< 100 mA 3)
    Задержка переключающего выхода по спадающему фронту сигнала (триггер)Max. 10 ms
    Переключающий выходPUSH/PULL
    Дискретный выход (напряжение)Push/Pull: HIGH = UV - 3 В / LOW ≤ 3 В
    Выходной ток Iмакс.100 mA 4)
    Вход, настройка (ET)Настройка: U = 10 В ... < UV: Run: U < 2 V
    Вход, триггер

    Потребление энергии: U = 10 V ... < Uv

    Оценка: U < 2 V

    Время накопления (ET)65 мс, энергонезависимое сохранение
    Тип подключенияРазъем M12, 5-конт.
    Класс защитыIII
    Схемы защиты

    Uв-подключения с защитой от переполюсовки

    Выход Q с защитой от короткого замыкания

    Подавление импульсных помех

    Тип защитыIP67
    Вес68 g
    Материал корпусаVISTAL®
    • 1) Предельные значения: пост. ток 12 (– 10 %)...24 В (+ 20 %). Эксплуатация в защищенных от короткого замыкания сетях с силой тока не более 8 A.
    • 2) Не допускается превышение или занижение допуска Uv.
    • 3) Без нагрузки.
    • 4) Суммарный ток всех выходов.
  • Данные окружающей среды
    Диапазон температур при работе–20 °C ... +60 °C
    Диапазон температур при хранении–25 °C ... +75 °C
    Устойчивость к сотрясениямСогласно IEC 60068-2-27 (30 г/11 мс)
  • Классификации
    ECl@ss 5.027270906
    ECl@ss 5.1.427270906
    ECl@ss 6.027270906
    ECl@ss 6.227270906
    ECl@ss 7.027270906
    ECl@ss 8.027270906
    ECl@ss 8.127270906
    ECl@ss 9.027270906
    ETIM 5.0EC001820
    ETIM 6.0EC001820
    UNSPSC 16.090139121528
  • Интерфейс связи
    Интерфейс связиIO-Link V1.1
    Коммуникационный интерфейс, детальное описаниеCOM2 (38,4 kBaud)
    Время цикла4,3 ms
    Длина технологических данных16 Bit
    Структура технологических данных

    Бит 0 = дискретный сигнал Q

    Бит 2 = дискретный сигнал Q действителен

    Бит 8 ... 15 = качество печати

Показать всё Скрыть всё

Технические чертежи

Габаритный чертеж Варианты настройки Схема соединений cd-394 Вид: Галерея Список Показать всё Скрыть всё
Показать всё Скрыть всё