0
ETI    SIEMENS    ABB    WIKA    IFM    ELKO EP    HYUNDAI    VEGA    KSR KUEBLER    Johnson Controls    Siemens IA/DT (CA01)    Bosch Rexroth    Alfa Laval    SICK    Others  

Ranger-E50410

Код: 1085082
Связатся с нами: 067 285 7770

В корзину

Показать всё Скрыть всё

  • Характеристики
    Постановка задачиКонтроль, Инспекция, Измерение
    Технология3D, LineScan, MultiScan
    Примерная зона обзораВ зависимости от используемого объектива
    Синхронизация данныхНезависимая, запуск энкодера, внешний запуск
    Проверка оттенков серого
    Измерение рассеянного света
    Область спектра400 nm ... 950 nm
    ОписаниеRanger E50 - 3D и камера MulitScan с линзой, установленной под углом 90°. Макс 35 тыс. профилей/секунду. Интерфейс Gigabit Ethernet 1536 x 512 пикселей.
  • Производительность
    Глубина цвета8 bit
    Датчик изображенияCMOS
    Разрешение датчика1.536 px x 512 px
    Частота развертки/регенерации изображения35.000 3D-профилей/с
    Кол-во строк датчика, доступных для 3D0 ... 511
    Разрешение 3D-профиля1.536 px
    Разрешение рассеяния1.536 px
    Размер пикселя9,5 x 9,5 мкм
    Коэффициент использования60 %
    Макс. разрешение по высоте в 3D13 бит 1/16 пикселей
    Оптический центр (ряд, столбец)(227, 768)
    Разрешение серой шкалы1.536 px
    Инфракрасный фильтрБез ИК-светофильтра
  • Интерфейсы
    Ethernet✔ , UDP/IP
    Скорость передачи данных1.000 Mbit/s
    Последовательный✔ , RS-422
    ФункцияЭнкодеры
    Конфигурационное ПОRanger Studio
    Операционная системаWindows XP Pro, Windows 7, Windows 10
    Среда разработкиC++ (VS 2005/2008/2010) / C
    Интерфейс программированияiCon API
    Цифровые входы4 x HIGH = 10 ... 28,8 В
    Цифровые выходы1 уровень TTL, 2 x тип B, всего < 100 мА
    Интерфейс энкодераRS-422
    Максимальная частота энкодера2 MHz
    Управление внешней подсветкой5 V TTL
  • Механика/электроника
    Соединения

    Напряжение — I/O: M12, 8-контактный, наружная резьба

    M12, 8-контактный гнездовой разъем (энкодер)

    RJ45 (Ethernet)

    Материал соединенийM12: никелированная медь
    Напряжение питания12 V DC ... 24 V DC
    Остаточная пульсация< 5 Vss
    Потребляемая мощность7 W
    Потребление тока0,8 A
    Стандарты (ROHS)
    Тип защитыIP20
    Материал корпусаАлюминий
    Цвет корпусаСерый, с порошковым покрытием
    Вес425 g
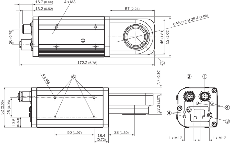
    Размеры (Д x Ш x В)172,2 mm x 52 mm x 52 mm
    ОбъективыC-Mount, 1"
  • Данные окружающей среды
    Устойчивость к сотрясениям15 г, 3 x 6 направлений
    Устойчивость к вибрации5 g, 58 Hz ... 150 Hz
    Диапазон температур при работе0 °C ... +45 °C 1)
    Диапазон температур при хранении–20 °C ... +70 °C 1)
    • 1) Без образования конденсата.
  • Классификации
    ECl@ss 5.027310205
    ECl@ss 5.1.427310205
    ECl@ss 6.027310205
    ECl@ss 6.227310205
    ECl@ss 7.027310205
    ECl@ss 8.027310205
    ECl@ss 8.127310205
    ECl@ss 9.027310205
    ETIM 5.0EC001820
    ETIM 6.0EC001820
    UNSPSC 16.090143211731
Показать всё Скрыть всё

Технические чертежи

Габаритный чертеж Тип подключения схема соединений, напряжение, I/O схема соединений, разъем энкодера Вид: Галерея Список Показать всё Скрыть всё
Показать всё Скрыть всё