0
ETI    SIEMENS    ABB    WIKA    IFM    ELKO EP    HYUNDAI    VEGA    KSR KUEBLER    Johnson Controls    Siemens IA/DT (CA01)    Bosch Rexroth    Alfa Laval    SICK    Others  

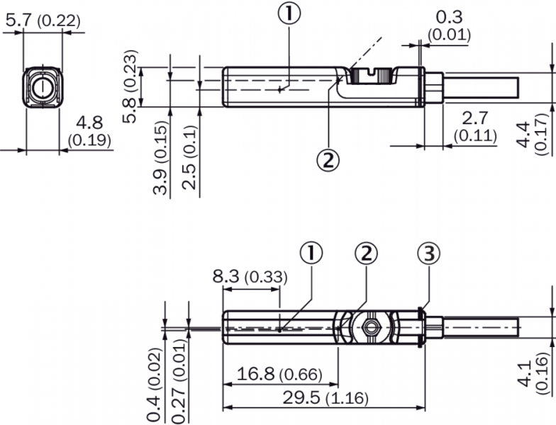
RZT7-03ZRS-KQ0

Код: 1070849
Связатся с нами: 067 285 7770

В корзину

Показать всё Скрыть всё

  • Характеристики
    Цилиндрический корпусT-образный паз
    Цилиндрические корпусы с адаптером

    Цилиндр с профилированным штоком

    Цилиндр с затянутым на поршень штоком

    Круглый цилиндр

    Цилиндр с пазом в виде ласточкина хвоста

    SMC-шина CDQ2

    SMC-шина ECDQ2

    Длина корпуса29,5 mm
    Переключающий выходГеркон
    Частота переключения± 400 Hz
    Функция выходаНормально открытый
    Электрическое исполнениеПерем./пост. ток, 3-проводной
    Тип защитыIP65, IP67 1)
    Кабельный отводОсевая
    • 1) Согласно EN 60529.
  • Механика/электроника
    Напряжение питания5 V AC/DC ... 30 V AC/DC 1)
    Падение напряжения≤ 0,1 V 2)
    Постоянный ток Ia

    ≤ 500 mA 3)

    ≤ 300 mA 4)

    Мощность переключения≤ 6 W
    Класс защитыIII
    Чувствительность срабатывания тип.3 mT
    Переход через крайнее положение тип.10 mm
    Воспроизводимость≤ 0,1 mT 5)
    Светодиод коммутационного состояния
    Защита от инверсии полярности
    Диапазон температур при работе–30 °C ... +80 °C
    Ударопрочность и виброустойчивость30 г, 11 мс/10…55 Гц, 1 мм
    ЭМССогласно EN 60947-5-2
    Материал корпусаПластик
    Тип подключенияКабель с разъемом M12, 3-конт., с гайкой с накаткой, 0,3 m
    Материал кабеляПолиуретан
    Сечение провода0,14 mm²
    № файла ULNRKH.E181493 & NRKH7.E181493
    • 1) Предельные значения при работе в защищенной от короткого замыкания сети макс. 8 А.
    • 2) Относится к кабелям длиной до 0,3 м.
    • 3) Пост. ток.
    • 4) Перем. ток.
    • 5) Ub и Ta постоянны.
  • Классификации
    ECl@ss 5.027270104
    ECl@ss 5.1.427270104
    ECl@ss 6.027270104
    ECl@ss 6.227270104
    ECl@ss 7.027270104
    ECl@ss 8.027270104
    ECl@ss 8.127270104
    ECl@ss 9.027270104
    ETIM 5.0EC002544
    ETIM 6.0EC002544
    UNSPSC 16.090139122230
Показать всё Скрыть всё

Технические чертежи

Схема соединений cd-036 Принцип действия Габаритный чертеж 10 V AC/DC ... 30 V AC/DC Вид: Галерея Список Показать всё Скрыть всё
Показать всё Скрыть всё