0
ETI    SIEMENS    ABB    WIKA    IFM    ELKO EP    HYUNDAI    VEGA    KSR KUEBLER    Johnson Controls    Siemens IA/DT (CA01)    Bosch Rexroth    Alfa Laval    SICK    Others  

S30A-4011BA

Код: 1028934
Связатся с нами: 067 285 7770

В корзину

Показать всё Скрыть всё

  • Характеристики
    Диапазон защитного поля4 m
    Диапазон сигнального поля49 m (20 м при диффузном отражении 20 %)
    Диапазон измерения расстояний49 m
    Количество одновременно контролируемых защитных полей≤ 4 1)
    Тип блока поляТройные наборы полей, Двойные наборы полей
    Количество полей1
    Количество полей4 2)
    Количество случаев контроля1
    Угол сканирования190°
    Разрешение (конфигурируемое)30 mm, 40 mm, 50 mm, 70 mm, 150 mm
    Угловое разрешение0,5°, 0,25°, в зависимости от разрешения и дальности сканирования
    Оценка60 ms 3)
    Дополнение защитного поля100 mm
    Количество многократных оценок2 ... 16, настраивается
    Время задержки автоматического сброса2 s ... 60 s, настраивается
    • 1) Если одновременно контролируются несколько защитных полей, то сигналы отключения должны подаваться через безопасные выходы управления безопасности Flexi Soft или через надежный шлюз EFI.
    • 2) Два одновременных набора полей, каждый включает два поля, вывод через EFI на Flexi Soft.
    • 3) В зависимости от базового времени отклика и многократной оценки.
  • Параметры техники безопасности
    ТипТип 3 (IEC 61496-1)
    Класс надежности

    SIL2 (IEC 61508)

    SILCL2 (EN 62061)

    КатегорияКатегория 3 (EN ISO 13849)
    Уровень производительностиPL d (EN ISO 13849)
    PFHd (средняя вероятность опасного отказа в час)8,0 x 10-8 (EN ISO 13849)
    TM (заданная продолжительность работы)20 лет (EN ISO 13849)
    Безопасное состояние в случае возникновения ошибкиКак минимум, один выход OSSD находится в состоянии AUS (ВЫКЛ.).
  • Функции
    Блокировка повторного запуска
    Контроль внешних устройств (EDM)
    Многократная оценка
    Синхронный контроль
    Контур как база
    Встроенное конфигурационное запоминающее устройство
    Выдача результатов измерений
    Безопасная связь между устройствами SICK посредством EFI/SDL
  • Электрические данные
    Класс защитыII (EN 50178)
    Напряжение питания UV24 V DC (16,8 V DC ... 28,8 V DC)
    Потребление тока

    ≤ 0,8 A 1)

    ≤ 2,3 A 2)

    Выходы
    Предохранительные выходы (устройство переключения выходного сигнала OSSD)2 x 500 mA
    Диагностические выходы3 x 100 mA 3)
    • 1) При 24 ВDC без выходной нагрузки.
    • 2) При 24 В пост. тока с максимальной выходной нагрузкой.
    • 3) Программируются произвольно, например, сигнальное поле, предупреждение о загрязнении, требование сброса.
  • Механические данные
    Размеры (Ш x В x Г)155 mm x 185 mm x 160 mm
    Вес3,3 kg
    Материал корпусаАлюминиевое литье
    Цвет корпусаRAL 1021 (ярко-желтый)
    Материал переднего стеклаPolycarbonat
    Поверхность фронтального стеклаПокрытие внешней стороны устойчиво к царапинам
  • Данные окружающей среды
    Тип защитыIP65 (EN 60529)
    Диапазон рабочих температур–10 °C ... +50 °C
    Температура хранения–25 °C ... +50 °C
    Виброустойчивость5 g, 10 Hz ... 150 Hz (IEC 61496-1, IEC 61496-3)
    Ударопрочность10 g, 16 ms (IEC 61496-1, IEC 61496-3)
  • Прочие данные
    Вид излученияПульсирующий лазерный диод
    Длина волны905 nm
    Фиксируемое диффузное отражение1,8 % ... > 1.000 %, Отражатели
    Класс лазера1 (21 CFR 1040.10 и 1040.11, IEC 60825-1)
  • Классификации
    ECl@ss 5.027272705
    ECl@ss 5.1.427272705
    ECl@ss 6.027272705
    ECl@ss 6.227272705
    ECl@ss 7.027272705
    ECl@ss 8.027272705
    ECl@ss 8.127272705
    ECl@ss 9.027272705
    ETIM 5.0EC002550
    ETIM 6.0EC002550
    UNSPSC 16.090139121528
Показать всё Скрыть всё

Технические чертежи

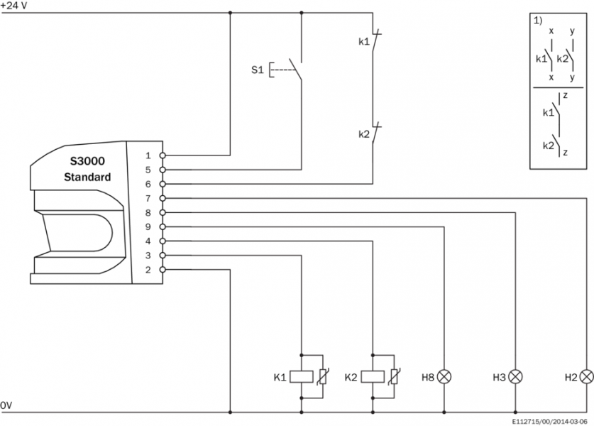
Габаритный чертеж Пример схемы подключения S3000 Standard с блокировкой повторного запуска и контролем контакторов, а также защитное реле UE10-3OS Пример схемы подключения S3000 Standard с блокировкой повторного запуска и контролем контакторов Вид: Галерея Список Показать всё Скрыть всё
Показать всё Скрыть всё