0
ETI    SIEMENS    ABB    WIKA    IFM    ELKO EP    HYUNDAI    VEGA    KSR KUEBLER    Johnson Controls    Siemens IA/DT (CA01)    Bosch Rexroth    Alfa Laval    SICK    Others  

S30B-2011CA

Код: 1026821
Связатся с нами: 067 285 7770

В корзину

Показать всё Скрыть всё

  • Характеристики
    Диапазон защитного поля2 m
    Диапазон сигнального поля8 m (при диффузном отражении 15 %)
    Диапазон измерения расстояний30 m
    Тип блока поляТройные наборы полей
    Количество полей4
    Количество полей12
    Количество случаев контроля4
    Угол сканирования270°
    Разрешение (конфигурируемое)30 mm, 40 mm, 50 mm, 70 mm
    Угловое разрешение0,5°
    Оценка80 ms 1)
    Дополнение защитного поля100 mm
    Количество многократных оценок2 ... 16, настраивается
    Время задержки автоматического сброса2 s ... 60 s, настраивается
    • 1) В зависимости от базового времени отклика и многократной оценки.
  • Параметры техники безопасности
    ТипТип 3 (IEC 61496-1)
    Класс надежности

    SIL2 (IEC 61508)

    SILCL2 (EN 62061)

    КатегорияКатегория 3 (EN ISO 13849)
    Уровень производительностиPL d (EN ISO 13849)
    PFHd (средняя вероятность опасного отказа в час)8,0 x 10-8 (EN ISO 13849)
    TM (заданная продолжительность работы)20 лет (EN ISO 13849)
    Безопасное состояние в случае возникновения ошибкиКак минимум, один выход OSSD находится в состоянии AUS (ВЫКЛ.).
  • Функции
    Блокировка повторного запуска
    Контроль внешних устройств (EDM)
    Многократная оценка
    Переключение вида контроля
    Статическое переключение защитного поля
    Контур как база
    Встроенное конфигурационное запоминающее устройство
    Выдача результатов измерений
    Безопасная связь между устройствами SICK посредством EFI/SDL
  • Интерфейсы
    Тип подключенияСистемный разъем с соединительным кабелем или без него
    Универсальные входы/выходы5 1)
    Входы
    Контроль внешних устройств (EDM)1 2)
    Сброс/повторный запуск1 2)
    Статические управляющие входы2
    Статические управляющие входы с EFI5 3)
    Режим готовности1
    Выходы
    Пары OSSD1
    Диагностические выходы3 4)
    Тип конфигурацииПК с CDS (конфигурационное и диагностическое программное обеспечение)
    Конфигурационный и диагностический интерфейсRS-232
    Скорость передачи38,4 kBaud
    Интерфейс передачи данныхRS-422
    Скорость передачи≤ 500 kBaud
    Безопасная связь между устройствами SICK посредством EFI/SDL
    Скорость передачи≤ 500 kBaud
    Длина кабеля≤ 50 m
    Сечение провода0,22 mm²
    Полевая шина, промышленная шина
    Интеграция через шлюз EFICANopen, Ethernet, PROFIBUS DP, PROFIBUS PROFIsafe, PROFINET PROFIsafe 5)
    • 1) Программируются произвольно, например, контроль внешних устройств, вход сброса, предупреждение о загрязнении, требование сброса.
    • 2) Эксплуатационная готовность в зависимости от конфигурации универсальных входов/выходов.
    • 3) В комбинации с устройством EFI (Flexi Soft или шлюз EFI) доступны пять статических управляющих входов. В остальных случаях — два.
    • 4) Программируются произвольно, например, сигнальное поле, предупреждение о загрязнении, требование сброса.
    • 5) Соответствующие шлюзы EFI можно найти как принадлежность в разделе соединительных устройств, подраздел модулей и шлюзов.
  • Электрические данные
    Класс защитыII (EN 50178, EN 60950)
    Напряжение питания UV24 V DC (16,8 V DC ... 30 V DC)
    Потребление тока

    ≤ 0,33 A 1)

    ≤ 1,7 A 2)

    Выходы
    Предохранительные выходы (устройство переключения выходного сигнала OSSD)2 x 250 mA
    Диагностические выходы3 x 100 mA 3)
    • 1) При 24 ВDC без выходной нагрузки.
    • 2) При 24 В пост. тока с максимальной выходной нагрузкой.
    • 3) Программируются произвольно, например, сигнальное поле, предупреждение о загрязнении, требование сброса.
  • Механические данные
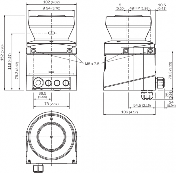
    Размеры (Ш x В x Г)102 mm x 152 mm x 106 mm
    Вес1,2 kg
    Материал корпусаАлюминиевое литье
    Цвет корпусаRAL 1021 (ярко-желтый)
    Материал защитного экранаPolycarbonat
    Поверхность защитного экранаПокрытие внешней стороны устойчиво к царапинам
  • Данные окружающей среды
    Тип защитыIP65 (EN 60529)
    Диапазон рабочих температур–10 °C ... +50 °C
    Температура хранения–25 °C ... +50 °C
    Виброустойчивость5 g, 10 Hz ... 150 Hz (IEC 61496-1, IEC 61496-3)
    Ударопрочность10 g, 16 ms (IEC 61496-1, IEC 61496-3)
  • Прочие данные
    Вид излученияПульсирующий лазерный диод
    Длина волны905 nm
    Фиксируемое диффузное отражение1,8 % ... > 1.000 %, Отражатели
    Класс лазера1 (21 CFR 1040.10 и 1040.11, IEC 60825-1)
  • Классификации
    ECl@ss 5.027272705
    ECl@ss 5.1.427272705
    ECl@ss 6.027272705
    ECl@ss 6.227272705
    ECl@ss 7.027272705
    ECl@ss 8.027272705
    ECl@ss 8.127272705
    ECl@ss 9.027272705
    ETIM 5.0EC002550
    ETIM 6.0EC002550
    UNSPSC 16.090139121528
Показать всё Скрыть всё

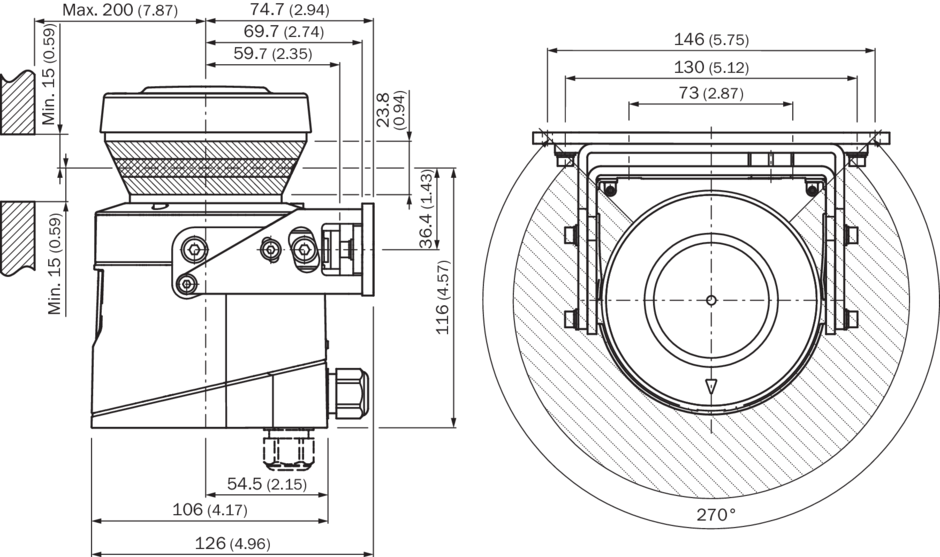
Технические чертежи

Габаритный чертеж Лазерный сканер Габаритный чертеж Источник уровня сканирования Пример схемы подключения Переключение защитного поля посредством статической пары входов Вид: Галерея Список Показать всё Скрыть всё
Показать всё Скрыть всё