0
ETI    SIEMENS    ABB    WIKA    IFM    ELKO EP    HYUNDAI    VEGA    KSR KUEBLER    Johnson Controls    Siemens IA/DT (CA01)    Bosch Rexroth    Alfa Laval    SICK    Others  

S31A-7011CA

Код: 1041648
Связатся с нами: 067 285 7770

В корзину

Показать всё Скрыть всё

  • Характеристики
    Диапазон защитного поля7 m
    Диапазон сигнального поля49 m (20 м при диффузном отражении 20 %)
    Диапазон измерения расстояний49 m
    Количество одновременно контролируемых защитных полей≤ 4 1)
    Тип блока поляТройные наборы полей, Двойные наборы полей
    Количество полей4
    Количество полей12
    Количество случаев контроля4
    Угол сканирования180°
    Разрешение (конфигурируемое)30 mm, 40 mm, 50 mm, 70 mm, 150 mm
    Угловое разрешение0,5°, 0,25°
    Оценка120 ms 2)
    Дополнение защитного поля100 mm
    Количество многократных оценок2 ... 16, настраивается
    Время задержки автоматического сброса2 s ... 60 s, настраивается
    • 1) Если одновременно контролируются несколько защитных полей, то сигналы отключения должны подаваться через безопасные выходы управления безопасности Flexi Soft или через надежный шлюз EFI.
    • 2) В зависимости от базового времени отклика и многократной оценки.
  • Параметры техники безопасности
    ТипТип 3 (IEC 61496-1)
    Класс надежности

    SIL2 (IEC 61508)

    SILCL2 (EN 62061)

    КатегорияКатегория 3 (EN ISO 13849)
    Уровень производительностиPL d (EN ISO 13849)
    PFHd (средняя вероятность опасного отказа в час)8,0 x 10-8 (EN ISO 13849)
    TM (заданная продолжительность работы)20 лет (EN ISO 13849)
    Безопасное состояние в случае возникновения ошибкиКак минимум, один выход OSSD находится в состоянии AUS (ВЫКЛ.).
  • Функции
    Многократная оценка
    Переключение вида контроля
    Синхронный контроль
    Статическое переключение защитного поля
    Контур как база
    Безопасная связь между устройствами SICK посредством EFI/SDL
  • Интерфейсы
    Тип подключенияСистемный разъем
    Входы
    Статические управляющие входы2
    Статические управляющие входы с EFI5 1)
    Выходы
    Пары OSSD1
    Диагностические выходы2 2)
    Тип конфигурацииПК с CDS (конфигурационное и диагностическое программное обеспечение)
    Конфигурационный и диагностический интерфейсRS-232
    Скорость передачи9,6 kBaud, 19,2 kBaud, 38,4 kBaud
    Безопасная связь между устройствами SICK посредством EFI/SDL
    Скорость передачи≤ 500 kBaud
    Длина кабеля≤ 50 m
    Сечение провода0,34 mm²
    Полевая шина, промышленная шина
    Интеграция через шлюз EFICANopen, Ethernet, PROFIBUS DP, PROFIBUS PROFIsafe, PROFINET PROFIsafe 3)
    • 1) В комбинации с устройством EFI (Flexi Soft или шлюз EFI) доступны пять статических управляющих входов. В остальных случаях — два.
    • 2) Программируются произвольно, например, сигнальное поле, предупреждение о загрязнении, требование сброса.
    • 3) Соответствующие шлюзы EFI можно найти как принадлежность в разделе соединительных устройств, подраздел модулей и шлюзов.
  • Электрические данные
    Класс защитыII (EN 50178)
    Напряжение питания UV
    Сканер24 V DC (17,5 V DC ... 28,8 V DC)
    Обогрев24 V DC (16,8 V DC ... 28,8 V DC)
    Потребление тока
    Сканер

    ≤ 0,8 A 1)

    ≤ 2,3 A 2)

    Обогрев≤ 6 A, циклический
    Выходы
    Предохранительные выходы (устройство переключения выходного сигнала OSSD)2 x 500 mA
    Диагностические выходы2 x 100 mA 3)
    • 1) При 24 ВDC без выходной нагрузки.
    • 2) При 24 В пост. тока с максимальной выходной нагрузкой.
    • 3) Программируются произвольно, например, сигнальное поле, предупреждение о загрязнении, требование сброса.
  • Механические данные
    Размеры (Ш x В x Г)351 mm x 265 mm x 221 mm
    Вес9 kg
    Материал
    Задняя панель, разъемАлюминиевое литье
    Кожух Полиуретан
    Цвет корпусаRAL 1021 (ярко-желтый)
    Материал переднего стеклаPolycarbonat
    Поверхность фронтального стеклаПокрытие внешней стороны устойчиво к царапинам
  • Данные окружающей среды
    Тип защиты

    IP65 (EN 60529)

    IP67 (EN 60529)

    Диапазон рабочих температур–30 °C ... +50 °C
    Температура хранения–30 °C ... +50 °C
    Виброустойчивость5 g, 10 Hz ... 150 Hz (IEC 61496-1, IEC 61496-3)
    Ударопрочность10 g, 16 ms (IEC 61496-1, IEC 61496-3)
  • Прочие данные
    Вид излученияПульсирующий лазерный диод
    Длина волны905 nm
    Фиксируемое диффузное отражение1,8 % ... > 1.000 %, Отражатели
    Класс лазера1 (21 CFR 1040.10 и 1040.11, IEC 60825-1)
  • Классификации
    ECl@ss 5.027272705
    ECl@ss 5.1.427272705
    ECl@ss 6.027272705
    ECl@ss 6.227272705
    ECl@ss 7.027272705
    ECl@ss 8.027272705
    ECl@ss 8.127272705
    ECl@ss 9.027272705
    ETIM 5.0EC002550
    ETIM 6.0EC002550
    UNSPSC 16.090139121528
Показать всё Скрыть всё

Технические чертежи

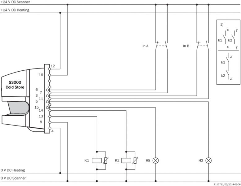
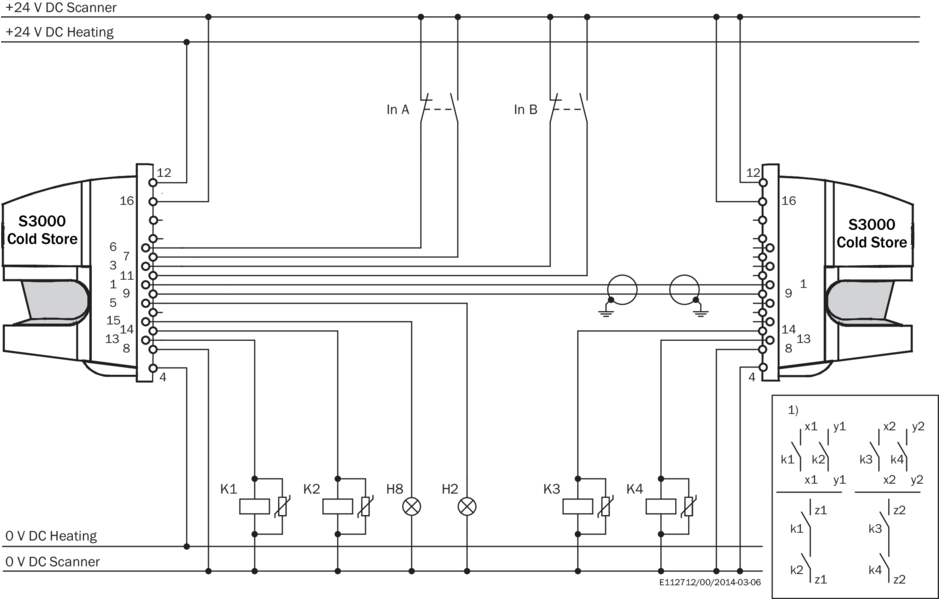
Габаритный чертеж Пример схемы подключения Переключение защитного поля между двумя S3000 посредством статических входов Пример схемы подключения Переключение защитного поля посредством двух статических входов Вид: Галерея Список Показать всё Скрыть всё
Показать всё Скрыть всё