Показать всё Скрыть всё
- Производительность
| Синусоидальных/косинусоидальных периодов на один оборот | 32 |
| Количество абсолютно регистрируемых оборотов | 4.096 |
| Разрешение на один оборот | 12 bit |
| Общее количество шагов | 4.194.304 |
| Измерительный шаг | 10 ″ при интерполяции синусоидальных и косинусоидальных сигналов, например 12 бит |
| Интегральная нелинейность | ± 100 ″ 1) |
| Дифференциальная нелинейность | ± 55 ″ 1) |
| Время ожидания | 25 µs |
- Интерфейсы
| Тип кодирования для абсолютного значения | Двоичный |
| Кривая кода | С возрастанием, При повороте вала по часовой стрелке, если смотреть в направлении A (см. размерный чертеж) |
| Интерфейс связи | HIPERFACE® 1) |
| Доступная область памяти | 2.048 Byte |
- Электрические данные
| Тип подключения | Разъем, 8-конт. |
| Диапазон напряжения питания | 7 V DC ... 12 V DC |
| Продолжительность включения линейной стадии импульса напряжения | Макс. 180 мс 1) |
| Рекомендуемое напряжение питания | 11 V DC |
| Выходной ток | ≤ 150 mA 2) |
- Механические данные
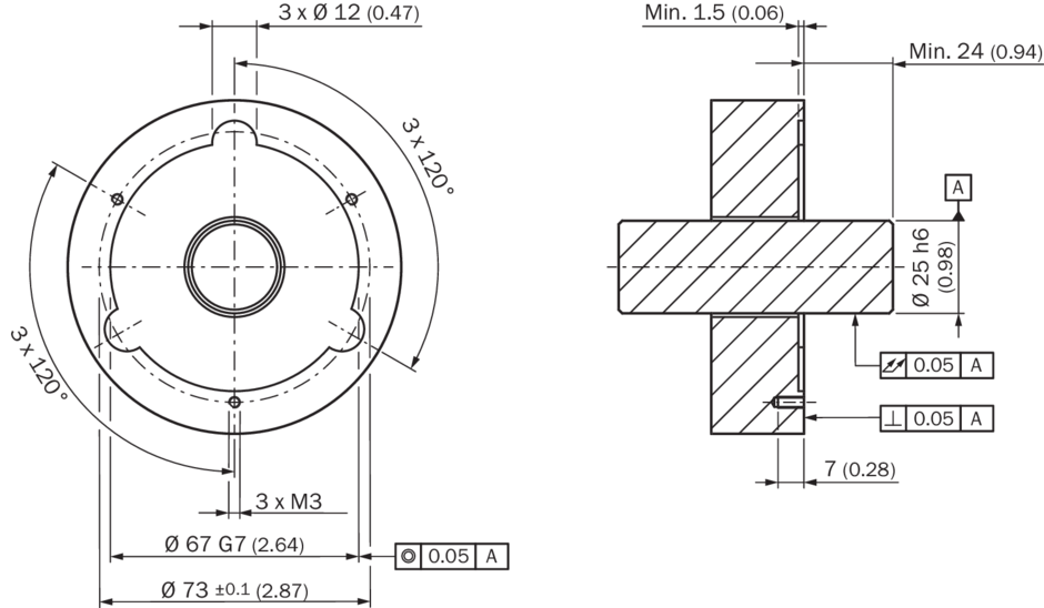
| Исполнение вала | Сквозной полый вал |
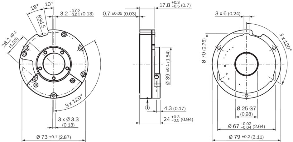
| Диаметр вала | 25 mm |
| Размеры | См. размерный чертеж |
| Вес | 0,13 kg |
| Момент инерции ротора | 60 gcm² |
| Рабочая частота вращения | 8.500 min⁻¹, до возможности надежного выстраивания абсолютного положения |
| Угловое ускорение | ≤ 50.000 rad/s² |
| Допустимое радиальное перемещение вала | ± 0,15 mm |
| Допустимое осевое перемещение вала | ± 0,4 mm |
- Данные окружающей среды
| Диапазон рабочей температуры | –30 °C ... +115 °C |
| Диапазон температуры хранения | –40 °C ... +125 °C, без упаковки |
| Относительная влажность воздуха/образование конденсата | 85 %, Образование конденсата не допускается |
| Ударопрочность | 100 g, 6 ms (согласно EN 60068-2-27) 1) |
| Диапазон частоты вибростойкости | 50 g, 10 Hz ... 2.000 Hz (согласно EN 60068-2-6) 2) |
| ЭМС | По EN 61000-6-2 и EN 61000-6-4 (класс A) 3) |
| Тип защиты | IP40, при вставленном ответном штекере и закрытой крышке (согласно IEC 60529) |
- Классификации
| ECl@ss 5.0 | 27270590 |
| ECl@ss 5.1.4 | 27270590 |
| ECl@ss 6.0 | 27270590 |
| ECl@ss 6.2 | 27270590 |
| ECl@ss 7.0 | 27270590 |
| ECl@ss 8.0 | 27270590 |
| ECl@ss 8.1 | 27270590 |
| ECl@ss 9.0 | 27270590 |
| ETIM 5.0 | EC001486 |
| ETIM 6.0 | EC001486 |
| UNSPSC 16.0901 | 41112113 |
Показать всё Скрыть всё Технические чертежи
Габаритный чертеж
рекомендации по установке
Схема контактов Вид со стороны вставки
Вид: Галерея Список Показать всё Скрыть всё Показать всё Скрыть всё