0
ETI    SIEMENS    ABB    WIKA    IFM    ELKO EP    HYUNDAI    VEGA    KSR KUEBLER    Johnson Controls    Siemens IA/DT (CA01)    Bosch Rexroth    Alfa Laval    SICK    Others  

SFM60-HPKB0K02

Код: 1053044
Связатся с нами: 067 285 7770

В корзину

Показать всё Скрыть всё

  • Производительность
    Синусоидальных/косинусоидальных периодов на один оборот1.024
    Количество абсолютно регистрируемых оборотов4.096
    Общее количество шагов134.217.728
    Измерительный шаг0,3 ″ при интерполяции синусоидальных и косинусоидальных сигналов, например 12 бит
    Интегральная нелинейностьTyp. ± 45 ″, Допуски при обработке синусоидальных/косинусоидальных сигналов, при ненагруженной статорной муфте
    Дифференциальная нелинейность± 7 ″, Нелинейность синусоидального/косинусоидального периода
    Рабочая частота вращения≤ 6.000 min⁻¹, до возможности надежного выстраивания абсолютного положения
  • Интерфейсы
    Тип кодирования для абсолютного значенияДвоичный
    Кривая кодаС возрастанием, При повороте вала по часовой стрелке, если смотреть в направлении A (см. размерный чертеж)
    Интерфейс связиHIPERFACE®
    Доступная область памяти1.792 Byte
  • Электрические данные
    Тип подключенияКабель, 8-жильный, радиальная, 1,5 m
    Диапазон напряжения питания7 V DC ... 12 V DC
    Рекомендуемое напряжение питания8 V DC
    Выходной ток< 80 mA (без нагрузки)
    Частота выхода синусоидальных/косинусоидальных сигналов0 kHz ... 200 kHz
  • Механические данные
    Исполнение валаГлухой полый вал
    Диаметр вала15 mm
    Материал, валНержавеющая сталь
    Материал, фланецЦинк, литье под давлением
    Материал, корпусАлюминиевое литье
    Тип фланца / статорная муфтаСтаторная муфта
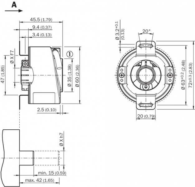
    РазмерыСм. размерный чертеж
    Вес≤ 0,25 kg
    Момент инерции ротора40 gcm²
    Рабочая частота вращения≤ 9.000 min⁻¹ 1)
    Угловое ускорение≤ 500.000 rad/s²
    Рабочий крутящий момент0,6 Ncm (+20 °C)
    Пусковой момент0,8 Ncm (+20 °C)
    Допустимое перемещение вала радиальное, статическое/динамическое± 0,3 mm / ± 0,1 mm
    Допустимое перемещение вала осевое, статическое/динамическое± 0,5 mm / ± 0,2 mm
    Срок службы шарикоподшипников3,6 x 10^9 оборотов
    • 1) При расчете диапазона рабочей температуры учитывайте собственный нагрев 3,3 K на 1 000 об/мин.
  • Данные окружающей среды
    Диапазон рабочей температуры–40 °C ... +115 °C
    Диапазон температуры хранения–40 °C ... +115 °C, без упаковки
    Относительная влажность воздуха/образование конденсата90 %, Образование конденсата не допускается
    Ударопрочность100 g, 6 ms (согласно EN 60068-2-27)
    Диапазон частоты вибростойкости20 g, 10 Hz ... 2.000 Hz (согласно EN 60068-2-6)
    ЭМСПо EN 61000-6-2 и EN 61000-6-3 1)
    Тип защитыIP65, в смонтированном состоянии (согласно IEC 60529)
    • 1) Электромагнитная совместимость в соответствии с приведенными стандартами обеспечивается, если система обратной связи двигателя установлена в электропроводящем корпусе, который соединен экранированным кабелем с центральной точкой заземления регулятора двигателя. Соединение GND-(0 В) напряжения питания там также связано с землей. При применении другой концепции экранирования пользователь должен провести собственное тестирование.
  • Классификации
    ECl@ss 5.027270590
    ECl@ss 5.1.427270590
    ECl@ss 6.027270590
    ECl@ss 6.227270590
    ECl@ss 7.027270590
    ECl@ss 8.027270590
    ECl@ss 8.127270590
    ECl@ss 9.027270590
    ETIM 5.0EC001486
    ETIM 6.0EC001486
    UNSPSC 16.090141112113
Показать всё Скрыть всё

Технические чертежи

Габаритный чертеж Слепой полый вал, кабельный ввод - стандартная система Диаграммы Спецификация сигнала канала процесса Вид: Галерея Список Показать всё Скрыть всё
Показать всё Скрыть всё