0
ETI    SIEMENS    ABB    WIKA    IFM    ELKO EP    HYUNDAI    VEGA    KSR KUEBLER    Johnson Controls    Siemens IA/DT (CA01)    Bosch Rexroth    Alfa Laval    SICK    Others  

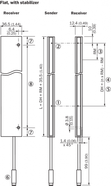
SGS4-F124P3PS2T00

Код: 1048038
Связатся с нами: 067 285 7770

В корзину

Показать всё Скрыть всё

  • Характеристики
    ТехнологияПередатчик/приемник
    Минимальный размер детектируемого объекта (MDO)Параллельные лучи, 45 mm
    Расстояние между лучами40 mm
    Оптический выход светаFlat
    Количество лучей32
    Высота контроля1.240 mm
    ПараметрированиеКнопка настройки с программным обеспечением параметрирования
    Перекрестный луч/параллельный лучПараллельный луч активен
    Выход 1Выход 1 активируется, если траектория луча прерывается
    Автоматическое обучениеАвтоматическое обучение деактивировано
    Вспомогательное оборудование для юстировкиБез приспособления для выравнивания
    Функция выборочного отключенияФункция выборочного отключения деактивирована
  • Производительность
    Максимальная дальность сканирования4 m 1)
    Минимальная дальность сканированияПараллельные лучи: ≥ 0 mm 2)
    Дистанция работы3 m
    ОценкаПараллельные лучи, 19 ms
    • 1) Отсутствует резерв на случай воздействия окружающей среды и старения диода.
    • 2) Угол раствора ± 10°.
  • Интерфейсы
    Переключающий выход1 x PNP
    ВходыКалибровочный ввод
    Тип подключенияКабель с разъемом M8, 4-конт.
  • Механика/электроника
    Источник светаИнфракрасный свет
    Длина волны950 nm
    Напряжение питания UVПост. ток24 V, ± 20 % 1)
    Потребляемый ток передатчика≤ 200 mA 2)
    Потребляемый ток приемника≤ 70 mA
    Остаточная пульсация< 5 Vss
    Выходной ток Iмакс.100 mA
    Выходная нагрузка емкостная100 nF
    Выходная нагрузка индуктивная1 H
    Время инициализации1 s
    Размеры (Ш x В x Г)25 mm x 1.312,4 mm x 8 mm
    Материал корпусаPMMA
    ИндикацияLED
    СинхронизацияОптическая
    Тип защитыIP65
    Схемы защитыUв-подключения с защитой от переполюсовки, Выход Q с защитой от короткого замыкания, Подавление импульсных помех
    Вес160 g
    Частота импульсов500 Hz
    Алюминиевый стабилизаторСо стабилизатором
    • 1) Предельные значения.
    • 2) , без нагрузки.
  • Данные окружающей среды
    Класс защитыIII
    ЭМСEN 60947-5-2
    Диапазон температур при работе–25 °C +55 °C
    Диапазон температур при хранении–25 °C +70 °C
    Нечувствительность ко внешним источникам света

    Прямой: 100.000 lx 1)

    Непрямой: 150.000 lx

    Виброустойчивость5 g, 10 Hz ... 55 Hz (IEC 68-2-6)
    Устойчивость к сотрясениям10 g / DIN EN 60068-2-29 / 16 ms
    • 1) Солнечный свет.
  • Классификации
    ECl@ss 5.027270910
    ECl@ss 5.1.427270910
    ECl@ss 6.027270910
    ECl@ss 6.227270910
    ECl@ss 7.027270910
    ECl@ss 8.027270910
    ECl@ss 8.127270910
    ECl@ss 9.027270910
    ETIM 5.0EC002549
    ETIM 6.0EC002549
    UNSPSC 16.090139121528
Показать всё Скрыть всё

Технические чертежи

Габаритный чертеж Sxx-Fxxxxxxx2xxx приемник, светодиодный индикатор тип и схема подключения режим конфигурирования настройка порога срабатывания Slim & Flat специальные функции Вид: Галерея Список Показать всё Скрыть всё
Показать всё Скрыть всё