0
ETI    SIEMENS    ABB    WIKA    IFM    ELKO EP    HYUNDAI    VEGA    KSR KUEBLER    Johnson Controls    Siemens IA/DT (CA01)    Bosch Rexroth    Alfa Laval    SICK    Others  

SIDOR E 1217519

Код: 1217519
Связатся с нами: 067 285 7770

В корзину

Показать всё Скрыть всё

  • Технические характеристики
    ОписаниеКорпус для монтажа в 19''-стойку, 3 HU, для установки в системные шкафы
    Измеряемые величиныCO, O2, SO2
    Измеряемые параметрыCO, O2, SO2
    Макс. количество измеряемых величин3
    Принципы измеренияНедисперсионная ИК-спектроскопия (NDIR), электрохимическая ячейка
    Расход газа
    30 l/h ... 60 l/h
    Диапазоны измерения
    CO0 ... 75 mg/m³ / 0 ... 750 mg/m³
    O20 ... 10 Vol.-% / 0 ... 25 Vol.-%
    SO20 ... 100 mg/m³ / 0 ... 1.000 mg/m³
    Сертифицированные диапазоны измерения
    CO0 ... 75 mg/m³ / 0 ... 375 mg/m³ / 0 ... 3.000 mg/m³
    O20 ... 10 Vol.-% / 0 ... 25 Vol.-%
    SO20 ... 100 mg/m³ / 0 ... 200 mg/m³ / 0 ... 500 mg/m³
    Время настройки

    Модуль анализатора SIDOR: 3 sСтандартное при 60 л/ч, в зависимости от длины кюветы и расхода газа

    Модуль анализатора OXOR-E: 30 sСтандартное при 60 л/ч, в зависимости от расхода газа

    Дрейф чувствительности
    Модуль анализатора SIDOR3 %: в квартал при регулярной одноточечной юстировке
    Модуль анализатора OXOR-E2 %: в квартал при регулярной одноточечной юстировке
    Дрейф нулевой точки
    Модуль анализатора SIDOR3 %: в квартал при регулярной одноточечной юстировке
    Модуль анализатора OXOR-E0,2 %: в квартал при регулярной одноточечной юстировке
    Температура измеряемого газа
    Вход анализатора0 °C ... +45 °C
    Рабочее давление
    –200 hPa ... 300 hPaОтносительное
    Влажность газа
    Без образования конденсата
    Концентрация пыли
    Без пыли и аэрозолей
    Температура окружающей среды
    +5 °C ... +45 °C
    Температура хранения
    –20 °C ... +70 °C
    Влажность окружающей среды
    ≤ 95 %Относительная влажность, без образования конденсата
    Соответствие

    Допуск для установок, требующих разрешения

    2001/80/ЕС (13. BImSchV)

    2000/76/ЕС (17. BImSchV)

    27.BImSchV

    Техническое руководство по поддержанию чистоты воздуха (TA-Luft)

    EN 15267 (MCERTS)

    EN 14181:2004

    ЭлектробезопасностьCE
    Класс защиты
    IP20
    Аналоговые выходы4 Выходы:4 ... 20 mA, 500 ΩЭлектрически изолированный
    Цифровые выходы

    8 Релейные контакты:30 V AC, 500 mA / 48 V DC, 500 mAТри релейных выхода по умолчанию для сигнализации неисправностей, сервиса и технического обслуживания

    8 Транзисторные выходы:24 V DC, 500 mAСвободная настройка

    Цифровые входы8 Оптронные входы:24 V DCС гальванической развязкой, свободно программируемые
    Modbus
    Тип интеграции в шинуRTU RS-232
    Индикация
    ЖК-дисплей
    УправлениеУправление с помощью ЖК-дисплея и пленочной клавиатуры
    Языки менюНемецкий, Английский, Французский, Итальянский, Нидерландский, Польский, Шведский, Испанский
    Размеры (Ш x В x Г)
    483 mm x 132,5 mm x 332 mm
    Детали см. на размерных чертежах
    483 mm x 132,5 mm x 332 mm (Детали см. на размерных чертежах)
    Вес
    9 kg ... 12 kgВ зависимости от комплектации
    Материал, соприкасающийся со средойViton B, PVDF, Стекло, Алюминий
    Источник питания
    Напряжение100 V / 115 V / 230 V
    Частота48 ... 62 Hz
    Потребляемая мощность≤ 150 WВ зависимости от конфигурации системы
    Подключения для измеряемого газа
    Переборочный штуцер из PVDF: для шланга 6 x 1 мм
    Корректирующие функции

    Ручная или автоматическая одноточечная юстировка по атмосферному воздуху

    Ручная или автоматическая юстировка с помощью поверочных газов

    Встроенные компоненты

    2 модуля анализатора SIDOR

    Модуль анализатора OXOR-E

    Переборочный штуцер из PVDF

  • Классификации
    ECl@ss 5.027150302
    ECl@ss 5.1.427150302
    ECl@ss 6.027150302
    ECl@ss 6.227150302
    ECl@ss 7.027150302
    ECl@ss 8.027150302
    ECl@ss 8.127150302
    ECl@ss 9.027150302
    ETIM 5.0EC001190
    ETIM 6.0EC001190
    UNSPSC 16.090141115406
Показать всё Скрыть всё

Технические чертежи

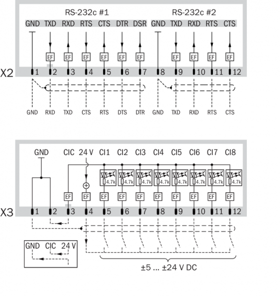
Анализатор Штекерные соединители X6 (транзисторные дискретные выходы) и X7 (выходы измеряемого значения) Штекерные соединители X4 и X5 (релейные дискретные выходы) Штекерные соединители X2 (интерфейсы) и X3 (управляющие входы) Газовое соединение Вид: Галерея Список Показать всё Скрыть всё
Показать всё Скрыть всё