Показать всё Скрыть всё
- Производительность
| Синусоидальных/косинусоидальных периодов на один оборот | 128 |
| Количество абсолютно регистрируемых оборотов | 1 |
| Разрешение на один оборот | 1 bit |
| Общее количество шагов | 4.096 |
| Измерительный шаг | 2,5 Winkelsekunden при интерполяции синусоидальных и косинусоидальных сигналов, например 12 бит |
| Интегральная нелинейность | ± 120 Winkelsekunden, Допуски при обработке синусоидальных/косинусоидальных сигналов |
| Дифференциальная нелинейность | Нелинейность синусоидального/косинусоидального периода |
| Рабочая частота вращения | ≤ 6.000 min⁻¹, до возможности надежного выстраивания абсолютного положения |
- Интерфейсы
| Тип кодирования для абсолютного значения | Двоичный |
| Кривая кода | С возрастанием, при вращении вала. По часовой стрелке, если смотреть в направлении A (см. размерный чертеж)., При повороте вала по часовой стрелке, если смотреть в направлении A (см. размерный чертеж) |
| Интерфейс связи | HIPERFACE® |
| Доступная область памяти | 1.792 Byte |
- Электрические данные
| Тип подключения | 1,5 m |
| Диапазон напряжения питания | 7 V DC ... 12 V DC |
| Рекомендуемое напряжение питания | 8 V DC |
| Выходной ток | 60 mA 1) |
| Частота выхода синусоидальных/косинусоидальных сигналов | 0 kHz ... 65 kHz |
- Механические данные
| Исполнение вала | Сплошной вал |
| Тип фланца / статорная муфта | Сервофланец/зажимной фланец / Статорная муфта |
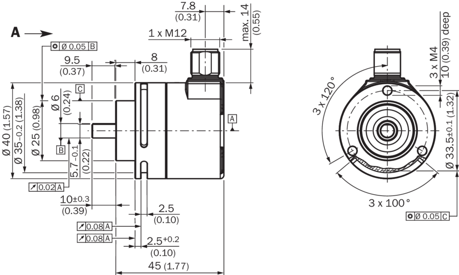
| Размеры | См. размерный чертеж |
| Вес | 0,07 kg |
| Момент инерции ротора | 6 gcm² |
| Рабочая частота вращения | 12.000 U/min |
| Угловое ускорение | ≤ 500.000 rad/s² |
| Рабочий крутящий момент | 0,6 Ncm |
| Пусковой момент | 0,9 Ncm |
| Допустимая нагрузка на вал | 10 N (радиальная) 5 N (осевая) |
| Срок службы шарикоподшипников | 2,0 x 10^9 оборотов |
- Данные окружающей среды
| Диапазон рабочей температуры | –20 °C ... +100 °C |
| Диапазон температуры хранения | –40 °C ... +125 °C, без упаковки |
| Относительная влажность воздуха/образование конденсата | 90 %, Образование конденсата не допускается |
| Ударопрочность | 100 g, 6 ms, 6 ms (согласно EN 60068-2-27) |
| Диапазон частоты вибростойкости | 50 g, 10 Hz ... 2.000 Hz (согласно EN 60068-2-6) |
| ЭМС | По EN 61000-6-2 и EN 61000-6-3 |
| Тип защиты | IP50, при установленном ответном штекере (согласно IEC 60529) |
- Классификации
| ECl@ss 5.0 | 27270590 |
| ECl@ss 5.1.4 | 27270590 |
| ECl@ss 6.0 | 27270590 |
| ECl@ss 6.2 | 27270590 |
| ECl@ss 7.0 | 27270590 |
| ECl@ss 8.0 | 27270590 |
| ECl@ss 8.1 | 27270590 |
| ECl@ss 9.0 | 27270590 |
| ETIM 5.0 | EC001486 |
| ETIM 6.0 | EC001486 |
| UNSPSC 16.0901 | 41112113 |
Показать всё Скрыть всё Технические чертежи
Габаритный чертеж Общие допуски по DIN ISO 2768-mk
Схема контактов
Диаграммы Характеристика сигнала при повороте вала по часовой стрелке, если смотреть в направлении «A» (см. габаритный чертеж) 1 период = 360° : 128
Вид: Галерея Список Показать всё Скрыть всё Показать всё Скрыть всё