0
ETI    SIEMENS    ABB    WIKA    IFM    ELKO EP    HYUNDAI    VEGA    KSR KUEBLER    Johnson Controls    Siemens IA/DT (CA01)    Bosch Rexroth    Alfa Laval    SICK    Others  

STR1-SAMU0AC8

Код: 1073204
Связатся с нами: 067 285 7770

В корзину

Показать всё Скрыть всё

  • Характеристики
    Часть системыДатчик и пускатель
    Принцип работы датчикаТранспондер
    Количество безопасных выходов2
    Вспомогательный контакт (AUX)1
    Безопасное расстояние включения Sao
    Активная сенсорная поверхность с фронтальной стороны14 mm
    Активная чувствительная поверхность сбоку9 mm
    Безопасное расстояние выключения Sar28 mm
    Активные сенсорные поверхности3
    Направления включения5
    КодированиеОднозначно закодированный
  • Параметры техники безопасности
    Класс надежностиSIL3 (IEC 61508), SILCL3 (EN 62061)
    КатегорияКатегория 4 (EN ISO 13849)
    Уровень производительностиPL e (EN ISO 13849)
    PFHd (средняя вероятность опасного отказа в час)5,21 x 10-9 (EN ISO 13849)
    TM (заданная продолжительность работы)20 лет (EN ISO 13849)
    Тип конструкцииТип конструкции 4 (EN ISO 14119)
    Степень кодирования пускателяВысокая степень кодирования (EN ISO 14119)
    Безопасное состояние в случае возникновения ошибкиКак минимум один полупроводниковый выход безопасности (OSSD) находится в состоянии AUS (ВЫКЛ.).
  • Функции
    Каскадное подключение
  • Интерфейсы
    Тип подключенияКабель с разъемом M12, 8-конт.
    Flexi-Loop-ready
    Длина кабеля0,2 m
    Материал кабеляПВХ
    Индикация диагностики
    Индикация состояния
  • Электрические данные
    Класс защитыIII (IEC 61140)
    Классификация по cULusКласс 2
    Напряжение питания UV24 V DC (19,2 V DC ... 28,8 V DC)
    Потребление тока50 mA
    Тип выходаПолупроводниковый выход (OSSD)
    Выходной ток≤ 100 mA
    Оценка40 ms 1)
    Время разблокировки100 ms 2)
    Время риска80 ms 3)
    Задержка включения2,5 s 4)
    • 1) В каскадном подключении каждый последующий аварийный выключатель увеличивает время срабатывания системы. Другие значения времени отклика приведены в руководстве по эксплуатации.
    • 2) Время реакции при приближении в зону активации.
    • 3) Время распознавания внешней ошибки (например, короткое замыкание или перекрестное замыкание выходов OSSD). Примите во внимание подробную информацию, приведенную в руководстве по эксплуатации!
    • 4) Указанное время действительно для датчика после подачи напряжения питания на предохранительный выключатель. При каскадном включении на каждый датчик должна добавляться 0,1 с. Для однозначно кодированных и постоянно кодированных датчиков необходимо дополнительно добавлять 0,5 с на каждый «обученный» пускатель.
  • Механические данные
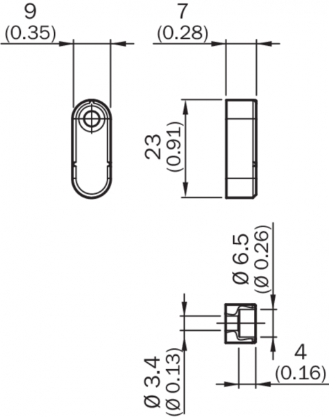
    Размеры (Ш x В x Г)40 mm x 18 mm x 26 mm
    Вес63 g
    Материал корпусаVISTAL®
  • Данные окружающей среды
    Тип защиты

    IP67 (EN 60529)

    IPX9K (ISO 20653)

    Диапазон рабочих температур–10 °C ... +70 °C
    Температура хранения–25 °C ... +70 °C
    Виброустойчивость10 Hz ... 55 Hz, 1 mm (IEC 60068-2-6)
    Ударопрочность30 g, 11 ms (IEC 60068-2-27)
    ЭМС

    EN IEC 61326-3-1

    EN IEC 60947-5-2

    EN IEC 60947-5-3

  • Классификации
    ECl@ss 5.027272403
    ECl@ss 5.1.427272403
    ECl@ss 6.027272403
    ECl@ss 6.227272403
    ECl@ss 7.027272403
    ECl@ss 8.027272403
    ECl@ss 8.127272403
    ECl@ss 9.027272403
    ETIM 5.0EC001829
    ETIM 6.0EC001829
    UNSPSC 16.090139122205
Показать всё Скрыть всё

Технические чертежи

Габаритный чертеж Датчик с кабелем и штепсельным разъемом Габаритный чертеж Пускатель «Мини» Область срабатывания Пускатель «Плоский»/«Мини», активная поверхность датчика сбоку Область срабатывания Пускатель «Плоский»/«Мини», активная поверхность датчика спереди Схема соединений Последовательное подключение с помощью тройника (без диагностики) Пример схемы подключения Три последовательно подключенных транспондерных выключателя безопасности STR1 на контроллер безопасности Flexi Classic Вид: Галерея Список Показать всё Скрыть всё
Показать всё Скрыть всё