0
ETI    SIEMENS    ABB    WIKA    IFM    ELKO EP    HYUNDAI    VEGA    KSR KUEBLER    Johnson Controls    Siemens IA/DT (CA01)    Bosch Rexroth    Alfa Laval    SICK    Others  

TCT-1AAG11006MZ

Код: 6043212
Связатся с нами: 067 285 7770

В корзину

Показать всё Скрыть всё

  • Характеристики
    Диапазон измерения–50 °C +150 °C
    Измерительный элементPt100
    Аналоговый выходной сигнал и допустимая нагрузка RA4–20 мА, 2-жильный (RA ≤ (L+ – 9 В) / 0,023 A [Ом])
  • Производительность
    Точность измерительного элементаКласс A согласно IEC 60751
    Точность измерительного преобразователя≤ ± 1,0 % интервала
    Линейность измерительного преобразователя≤ ± 0,1 % диапазона
    Оценка

    Время отклика t50: ≤ 2,8 с 1)

    t90 ≤ 9,1 s 1)

    • 1) В зависимости от конфигурации датчика, согласно IEC 60751.
  • Механика/электроника
    Технические подключенияРезьба G ¼ B
    Длина щупа / диаметр измерительного щупа100 mm / 6 mm
    Материалы, соприкасающиеся со средойНержавеющая сталь 1.4571
    Сопротивление давлениюМакс. 120 бар
    Материал корпусаНержавеющая сталь 1.4571
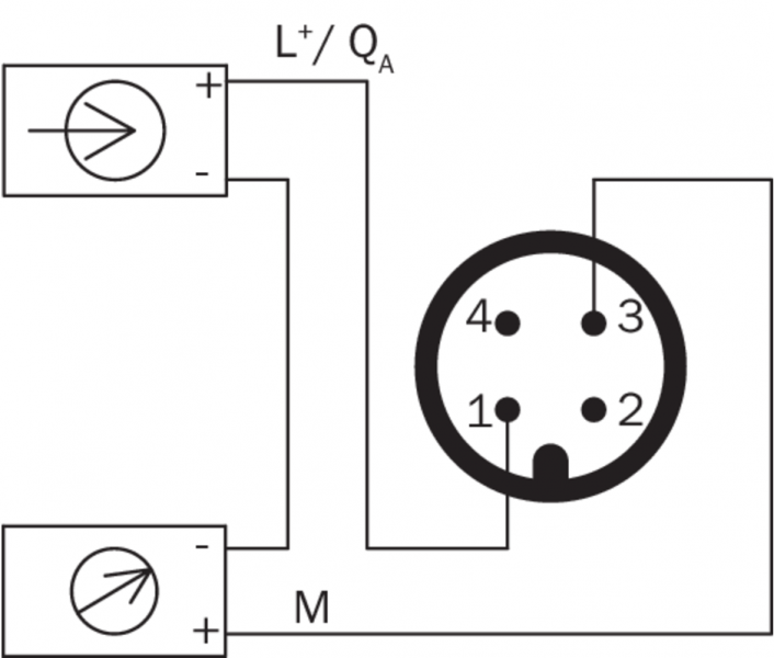
    Электрическое подключениеКруглый штекерный соединитель M12 x 1, 4-контактный, IP67 1)
    Измерительный ток0,3 mA ... 1 mA
    Напряжение питания10 V DC ... 36 V DC
    Максимальное потребление токаОк. 30 мА
    ЭлектробезопасностьКласс защиты: III, ном. напряжение изоляции: 500 В, защита от неправильной полярности: L+ напротив M
    Класс защиты III
    Сертификат RoHS
    ВесОк. 145 г (в зависимости от исполнения)
    Время инициализации< 10 ms
    • 1) Степень защиты IP согласно IEC 60529. Указанные степени защиты действительны только в установленном состоянии с кабельными разъемами соответствующей степени защиты.
  • Данные окружающей среды
    Температура окружающей среды–40 °C ... +85 °C
    Температура хранения и транспортировки–40 °C ... +85 °C
    Ударопрочность согласно IEC 60751500 g
    Виброустойчивость согласно IEC 607513 g
  • Классификации
    ECl@ss 5.027200208
    ECl@ss 5.1.427200208
    ECl@ss 6.027200208
    ECl@ss 6.227200208
    ECl@ss 7.027200208
    ECl@ss 8.027200208
    ECl@ss 8.127200208
    ECl@ss 9.027200208
    ETIM 5.0EC001446
    ETIM 6.0EC001446
    UNSPSC 16.090141112211
Показать всё Скрыть всё

Технические чертежи

габаритный чертеж: корпус, без технологического соединения габаритный чертеж: цилиндрическая резьба Тип подключения Круглый штекерный соединитель M12 x 1, выходной сигнал 4–20 мА Вид: Галерея Список Показать всё Скрыть всё
Показать всё Скрыть всё