0
ETI    SIEMENS    ABB    WIKA    IFM    ELKO EP    HYUNDAI    VEGA    KSR KUEBLER    Johnson Controls    Siemens IA/DT (CA01)    Bosch Rexroth    Alfa Laval    SICK    Others  

TIM100-3010200

Код: 1077524
Связатся с нами: 067 285 7770

В корзину

Показать всё Скрыть всё

  • Характеристики
    Область примененияIndoor
    Источник светаИнфракрасный (850 nm)
    Класс лазера1 (IEC 60825-1:2014, EN 60825-1:2014)
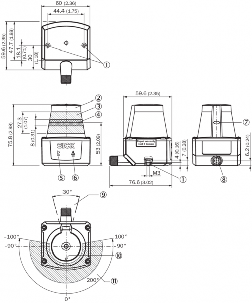
    Угол раскрытия200°
    Частота сканирования14,5 Hz
    Угловое разрешение
    Рабочая область0,05 m ... 3 m
    Дальность сканирования при яркости 10 %1,5 m 1)
    • 1) Дальность действия 1,2 м ... 1,5 м для объектов с диффузным отражением 10 % в зависимости от угла.
  • Производительность
    ОценкаTyp. 70 ms
    Распознаваемая форма объектаПрактически любая
    Систематическая ошибка± 100 mm 1)
    Статистическая ошибка20 mm 1)
    Встроенное приложениеАнализ полей
    Количество полей1 Набор полей
    Одновременная обработка случаев1 (1 поле)
    • 1) Типичное значение, реальное значение зависит от условий окружающей среды.
  • Интерфейсы
    IO-Link
    ФункцияAUX, Настройка
    Переключающие входы1
    Переключающие выходы1
    Время задержки69 ms ... 30.015 ms (настраивается)
    Время выдержки69 ms ... 30.015 ms (настраивается)
    Оптическая индикация2 LEDs (ON, Коммутационное состояние)
  • Механика/электроника
    Электрическое подключение1 x 5-контактный разъём устройства M12 (поворотный)
    Рабочее напряжение9 V DC ... 28 V DC 1)
    Потребляемая мощностьTyp. 2,2 W
    Цвет корпусаСветло-голубой (RAL 5012)
    Тип защитыIP65 (IEC 60529:1989+AMD1:1999+AMD2:2013)
    Класс защитыIII (IEC 61140:2016-1)
    Вес90 g, без соединительных кабелей
    Размеры (Д x Ш x В)60 mm x 60 mm x 75,8 m
    • 1) При использовании IO-Link: Uв > 18 В.
  • Данные окружающей среды
    Диффузное отражение4 % ... > 1.000 % (Отражатели)
    Электромагнитная совместимость (ЭМС)IEC 61000-6-3:2006+AMD1:2010 / IEC 61000-6-2:2005
    ВиброустойчивостьIEC 60068-2-6:2007
    УдаропрочностьIEC 60068-2-27:2008
    Диапазон рабочих температур–10 °C ... +50 °C
    Температура хранения–30 °C ... +70 °C
    Нечувствительность ко внешним источникам света80.000 lx
  • Общие указания
    Указание по применениюДатчик не является оборудованием для обеспечения безопасности в определении действующих норм безопасности в области машиностроения.
  • Классификации
    ECl@ss 5.027270990
    ECl@ss 5.1.427270990
    ECl@ss 6.027270913
    ECl@ss 6.227270913
    ECl@ss 7.027270913
    ECl@ss 8.027270913
    ECl@ss 8.127270913
    ECl@ss 9.027270913
    ETIM 5.0EC002550
    ETIM 6.0EC002550
    UNSPSC 16.090146171620
Показать всё Скрыть всё

Технические чертежи

Габаритный чертеж Диаграмма рабочих зон Вид: Галерея Список Показать всё Скрыть всё
Показать всё Скрыть всё