0
ETI    SIEMENS    ABB    WIKA    IFM    ELKO EP    HYUNDAI    VEGA    KSR KUEBLER    Johnson Controls    Siemens IA/DT (CA01)    Bosch Rexroth    Alfa Laval    SICK    Others  

TIM310-0130000S02

Код: 1069932
Связатся с нами: 067 285 7770

В корзину

Показать всё Скрыть всё

  • Характеристики
    Область примененияIndoor
    Источник светаИнфракрасный (850 nm)
    Класс лазера1 (IEC 60825-1:2014, EN 60825-1:2014)
    Угол раскрытия270°
    Частота сканирования15 Hz
    Угловое разрешение
    Рабочая область0,05 m ... 4 m
    Дальность сканирования при яркости 10 %2 m
  • Производительность
    ОценкаTyp. 134 ms
    Распознаваемая форма объектаПрактически любая
    Систематическая ошибка± 40 mm 1)
    Статистическая ошибка30 mm 1)
    Встроенное приложениеАнализ полей
    Количество полей16 Тройные поля (48 полей, из них 1 тройное (3 поля) с возможностью программирования прямо на сканере)
    Одновременная обработка случаев1 (3 поля)
    • 1) Типичное значение, реальное значение зависит от условий окружающей среды.
  • Интерфейсы
    USB
    ПримечаниеMicro-USB
    ФункцияAUX, Настройка
    Переключающие входы4
    Переключающие выходы3 (NPN, дополнительно 1 для сигнала «Device Ready» (устройство готово))
    Время задержки134 ms ... 30.000 ms (настраивается)
    Время выдержки67 ms ... 10.000 ms (настраивается)
    Оптическая индикация2 LEDs (ON, Коммутационное состояние)
  • Механика/электроника
    Электрическое подключениеСвободные концы (2,0 м)
    Рабочее напряжение9 V DC ... 28 V DC
    Потребляемая мощностьTyp. 4 W
    Цвет корпусаСветло-голубой (RAL 5012)
    Тип защитыIP65 (IEC 60529:1989+AMD1:1999+AMD2:2013)
    Класс защитыIII (IEC 61140:2016-1)
    Вес150 g, без соединительных кабелей
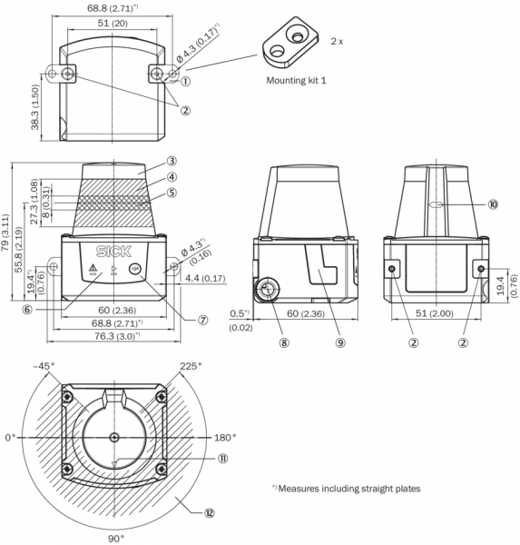
    Размеры (Д x Ш x В)60 mm x 60 mm x 79 mm
  • Данные окружающей среды
    Диффузное отражение4 % ... > 1.000 % (Отражатели)
    Электромагнитная совместимость (ЭМС)IEC 61000-6-3:2006+AMD1:2010 / IEC 61000-6-2:2005
    ВиброустойчивостьIEC 60068-2-6:2007
    УдаропрочностьIEC 60068-2-27:2008
    Диапазон рабочих температур–10 °C ... +50 °C
    Температура хранения–30 °C ... +70 °C
    Нечувствительность ко внешним источникам света15.000 lx
  • Общие указания
    Указание по применениюДатчик не является оборудованием для обеспечения безопасности в определении действующих норм безопасности в области машиностроения.
  • Классификации
    ECl@ss 5.027270990
    ECl@ss 5.1.427270990
    ECl@ss 6.027270913
    ECl@ss 6.227270913
    ECl@ss 7.027270913
    ECl@ss 8.027270913
    ECl@ss 8.127270913
    ECl@ss 9.027270913
    ETIM 5.0EC002550
    ETIM 6.0EC002550
    UNSPSC 16.090146171620
Показать всё Скрыть всё

Технические чертежи

Габаритный чертеж Диаграмма рабочих зон Вид: Галерея Список Показать всё Скрыть всё
Показать всё Скрыть всё