Показать всё Скрыть всё
- Характеристики
| Принцип работы датчика | Транспондер |
| Количество безопасных выходов | 2 |
| Кодирование | Универсально закодированный |
| Удерживающее усилие Fmax | 1.690 N (EN ISO 14119) |
| Удерживающее усилие FZh | 1.300 N (EN ISO 14119) |
| Направления включения | 4 |
| Скорость запуска | ≥ 2 mm/s |
- Параметры техники безопасности
| Класс надежности | SIL3 (IEC 61508) |
| Категория | Категория 4 (EN ISO 13849) |
| Уровень производительности | PL e (EN ISO 13849) |
| PFHd (средняя вероятность опасного отказа в час) | 9,1 x 10-10 (EN ISO 13849) |
| TM (заданная продолжительность работы) | 20 лет (EN ISO 13849) |
| Тип конструкции | Тип конструкции 4 (EN ISO 14119) |
| Степень кодирования пускателя | Невысокая степень кодирования (EN ISO 14119) |
| Безопасное состояние в случае возникновения ошибки | Как минимум один полупроводниковый выход безопасности (OSSD) находится в состоянии AUS (ВЫКЛ.). |
- Интерфейсы
| Тип подключения | Кабель с разъемом M12, 8-конт. | | Flexi-Loop-ready | ✔ | | Длина кабеля | 0,2 m | | Материал кабеля | ПВХ | | Длина кабеля подключения | ≤ 200 m |
|
- Электрические данные
| Класс защиты | II (IEC 61140) |
| Степень загрязнения | 3 |
| Классификация по cULus | Класс 2 |
| Категория потребления | DC-13 (IEC 60947-5-1) |
| Расчетный рабочий ток (расчетное рабочее напряжение) | 200 mA (24 V DC) |
| Расчетное напряжение на изоляции Ui | 75 V |
| Максимально допустимое импульсное напряжение Uimp | 1.000 V |
| Напряжение питания UV | 24 V DC (20,4 V DC ... 26,4 V DC) |
| Тип выхода | Полупроводниковый выход (OSSD) |
| Выходной ток | ≤ 200 mA |
| Пиковый ток | 400 mA, 100 ms 1) |
| Потребляемая мощность | 2,5 W |
| Оценка | 100 мс для первого выключателя, 50 мс для каждого следующего выключателя 2) |
| Время разблокировки | 600 ms |
| Время риска | 100 ms |
| Задержка включения | 7 s |
| Принцип запирания | Принцип нормально разомкнутой цепи |
- Механические данные
| Вес | 0,4 kg |
| Материал корпуса | ABS |
| Материал запирающего пальца | Нержавеющая сталь 304 |
| Срок службы механических компонентов | 5 x 105 циклов срабатывания |
- Данные окружающей среды
| Тип защиты | IP66 (IEC 60529) IP67 (IEC 60529) IP69K (IEC 60529) |
| Диапазон рабочих температур | 0 °C ... +55 °C |
| Температура хранения | –25 °C ... +75 °C |
| Виброустойчивость | 10 Hz ... 55 Hz (IEC 60068-2-6) |
| Ударопрочность | 30 g, 11 ms (EN 60068-2-27) |
| ЭМС | IEC 60947-5-3 |
- Классификации
| ECl@ss 5.0 | 27272603 |
| ECl@ss 5.1.4 | 27272603 |
| ECl@ss 6.0 | 27272603 |
| ECl@ss 6.2 | 27272603 |
| ECl@ss 7.0 | 27272603 |
| ECl@ss 8.0 | 27272603 |
| ECl@ss 8.1 | 27272603 |
| ECl@ss 9.0 | 27272603 |
| ETIM 5.0 | EC002593 |
| ETIM 6.0 | EC002593 |
| UNSPSC 16.0901 | 39122205 |
Показать всё Скрыть всё Технические чертежи
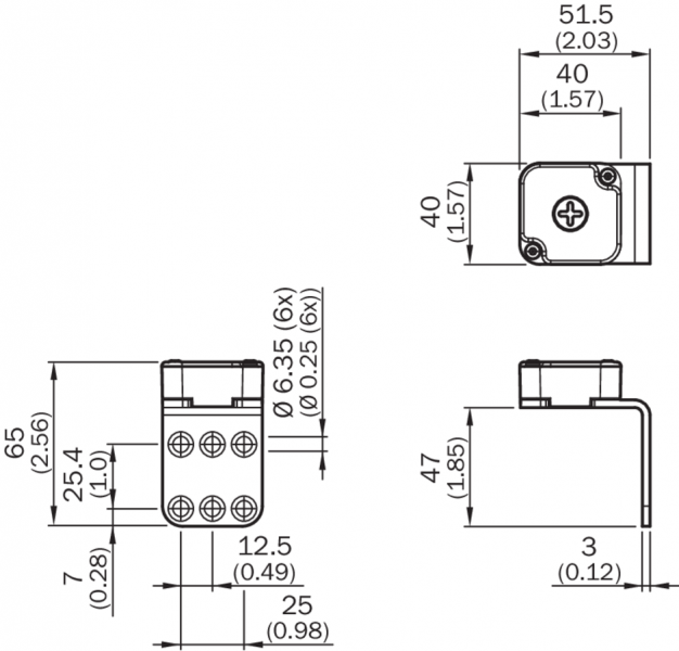
Габаритный чертеж Датчик с кабелем и штепсельным разъемом
Габаритный чертеж Пускатель и крепежный уголок
Схема соединений
Последовательное подключение с помощью тройника (без диагностики)
Пример схемы подключения Защитное запирающее устройство TR10 Lock с защитным реле UE48-2OS
Пример схемы подключения Три последовательно подключенных защитных запирающих устройства TR10 Lock на контроллере безопасности Flexi Classic
Вид: Галерея Список Показать всё Скрыть всё Показать всё Скрыть всё