0
ETI    SIEMENS    ABB    WIKA    IFM    ELKO EP    HYUNDAI    VEGA    KSR KUEBLER    Johnson Controls    Siemens IA/DT (CA01)    Bosch Rexroth    Alfa Laval    SICK    Others  

TTK50-HXM0-K02

Код: 1067934
Связатся с нами: 067 285 7770

В корзину

Показать всё Скрыть всё

  • Производительность
    Измерительный шаг0,244 µm при интерполяции синусоидальных и косинусоидальных сигналов, например 12 бит
    Длина измерения≤ 940 mm
    Длина периода1 mm
    Скорость перемещения≤ 10 m/s, 1,3 m/s, до возможности надежного выстраивания абсолютного положения
    Точность воспроизведения< 5 µm
    Системная точность± 10 µm (+20 °C)
    Разность результатов измерения одного параметра при прямом и обратном ходе измерительного органа< 10 µm
  • Интерфейсы
    Электрический интерфейсHIPERFACE®
    Тип кодаДвоичный
    Доступная область памяти1.972 Byte (E2PROM 2048)
  • Электрические данные
    Напряжение питания7 V DC ... 12 V DC
    Рекомендуемое напряжение питания8 V DC
    Рабочий ток≤ 55 mA (без нагрузки) 1)
    Тип подключенияКабель, 8 жил, 5 m
    • 1) Во время процесса выравнивания ок. 100 мА.
  • Механические данные
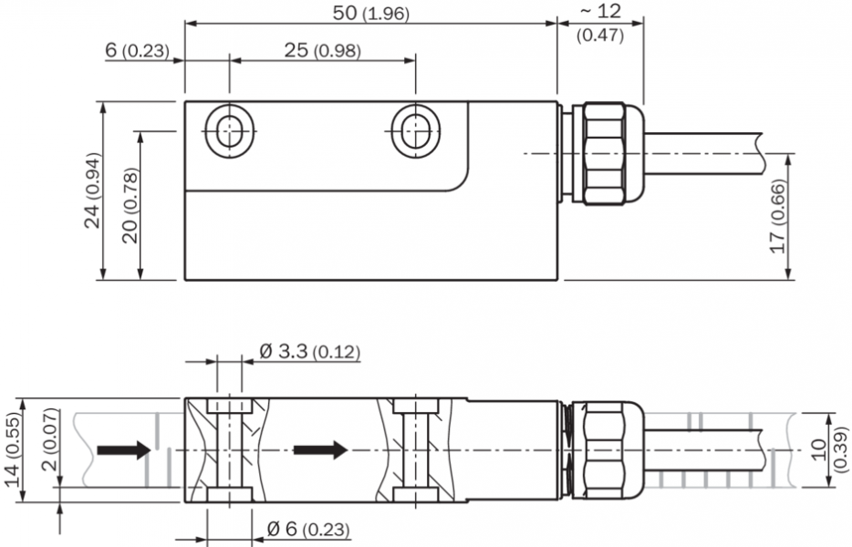
    РазмерыСм. размерный чертеж
    Вес0,06 kg, без кабеля
    Материал, считывающая головкаЦинк, литье под давлением
    Материал, ленточный носительНержавеющая сталь
  • Данные окружающей среды
    ЭМСПо EN 61000-6-2 и EN 61000-6-3 1)
    Тип защитыIP65, при установленном ответном штекере (согласно IEC 60529)
    Диапазон рабочей температуры–30 °C ... +80 °C
    Диапазон температуры при хранении–40 °C ... +85 °C, без упаковки
    Допустимая относительная влажность воздуха100 %, Допускается образование конденсата
    Ударопрочность30 g, 6 ms (EN 60068-2-27)
    Вибростойкость20 g, 10 Hz ... 2.000 Hz (EN 60068-2-6)
    Допустимая максимальная напряженность окружающего поля< 3 kA/m ... 4 kA/m (3.8 mT ... 5 mT), чтобы были соблюдены значения точности 2)
    Допустимая максимальная напряженность поля< 150 kA/m (< 190 mT), чтобы не вызвать необратимое разрушение магнитной ленты
    • 1) Электромагнитная совместимость в соответствии с приведёнными стандартами гарантируется, если система обратной связи двигателя соединена экранированным кабелем с центральной точкой заземления регулятора двигателя и на большой площади располагается над корпусом датчика на потенциале двигателя. При применении других концепций экранирования пользователь должен провести собственное тестирование.
    • 2) Максимально допустимое влияние внешнего поля достигнуто, если значение положения отклоняется более чем на 5 мкм от первоначального значения (без влияния внешнего поля). Это значение достигается, если на месте установки датчика существует напряженность поля 3...4 кА/м (3,8...5 мТ) дополнительно к напряженности поля магнитной ленты.
  • Классификации
    ECl@ss 5.027270590
    ECl@ss 5.1.427270590
    ECl@ss 6.027270590
    ECl@ss 6.227270590
    ECl@ss 7.027270590
    ECl@ss 8.027270590
    ECl@ss 8.127270590
    ECl@ss 9.027270590
    ETIM 5.0EC001486
    ETIM 6.0EC001486
    UNSPSC 16.090141112113
Показать всё Скрыть всё

Технические чертежи

Допуск положения Габаритный чертеж Считывающая головка Диаграммы Характеристика сигнала при повороте вала по часовой стрелке, если смотреть в направлении «A» (см. габаритный чертеж) 1 период = 360° : 64/128/256 Допуск положения Схема контактов Кабель, 8-жильный Bestellhinweis Magnetbandlänge Вид: Галерея Список Показать всё Скрыть всё
Показать всё Скрыть всё