0
ETI    SIEMENS    ABB    WIKA    IFM    ELKO EP    HYUNDAI    VEGA    KSR KUEBLER    Johnson Controls    Siemens IA/DT (CA01)    Bosch Rexroth    Alfa Laval    SICK    Others  

UE10-2FG2D0

Код: 1043915
Связатся с нами: 067 285 7770

В корзину

Показать всё Скрыть всё

  • Параметры техники безопасности
    Класс надежности

    SIL3 (IEC 61508) 1)

    SILCL3 (EN 62061) 1)

    КатегорияКатегория 4 (EN ISO 13849) 1)
    Уровень производительностиPL e (EN ISO 13849) 1)
    Значение B10d

    1 x 105 циклов срабатывания (AC-15, 230 V, I = 2 A)

    2,5 x 105 циклов срабатывания (AC-15, 230 V, I = 1 A)

    5,4 x 105 циклов срабатывания (DC-13, 24 V, I = 0.5 A)

    1 x 107 циклов срабатывания (DC-13, 24 V, I ≤ 2 A)

    PFHd (средняя вероятность опасного отказа в час)7,0 x 10-10 (EN ISO 13849)
    TM (заданная продолжительность работы)20 лет (EN ISO 13849)
    • 1) При контроле токопроводящей линии ответной сигнализации Y1–Y2 (контроль внешних устройств) соответствующим базовым устройством.
  • Интерфейсы
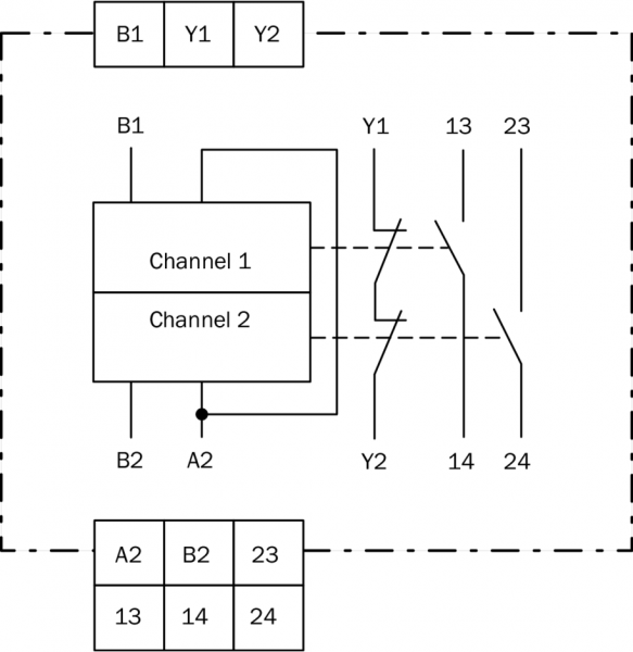
    Тип подключенияФиксированные винтовые зажимы
    Количество токопроводящих линий разблокировки (нормально открытый)2, важный для безопасности
    Количество токопроводящих линий обратной связи (нормально закрытый)1
  • Электрические данные - Эксплуатационные параметры
    Напряжение питанияB1/A2, B2/A2
    Выходная токопроводящая линия > 25 В перем. тока/60 В пост. токаPELV
    Выходная токопроводящая линия ≤ 25 В перем. тока/60 В пост. токаPELV или SELV
    Остаточная пульсация (≤ 2,4 Vss) 1)
    Потребляемая мощность (≤ 2 W (DC))
    Категория перенапряженияII
    Расчетное напряжение на изоляции Ui300 V AC
    Максимально допустимое импульсное напряжение Uimp4 kV
    Испытательное напряжение1,2 kV (50 Hz) (EN 60439-1)
    • 1) В режиме постоянного тока, в пределах UE.
  • Электрические данные - Входные контуры: B1, B2
    Входное напряжение24 V DC (16,8 V DC ... 27,6 V DC)
    Входной ток≤ 50 mA
    Время сброса≤ 30 ms
    Ширина контрольного импульса≤ 1 ms
  • Электрические данные - Выходные токопроводящие линии: 13/14, 23/24, Y1/Y2
    Время задержки возврата реле (≤ 10 ms)
    Количество токопроводящих линий разблокировки (нормально открытый)2, важный для безопасности
    Количество токопроводящих линий обратной связи (нормально закрытый)1, Контроль внешних устройств (EDM)
    Тип контактаС принудительным управлением
    Материал контактовСеребряный сплав, тонкое золочение
    Напряжение переключения
    Токопроводящая линия разблокировки10 V AC/DC ... 250 V AC/DC
    Токопроводящая линия обратной связи0,1 V AC/DC ... 60 V AC/DC
    Допустимая токовая нагрузка на устройство переключения выходного сигнала
    Токопроводящая линия разблокировки10 mA ... 6 A
    Токопроводящая линия обратной связи1 mA ... 300 mA
    Мощность переключения

    ≤ 1.500 VA (AC)

    ≤ 200 W (DC)

    Категория потребленияAC-15/DC-13 (EN 60947-5-1)
    Расчетный рабочий ток (расчетное рабочее напряжение)

    3 A (230 V AC)

    4 A (24 V DC)

    Срок службы механических компонентов (контакты реле)1 x 107 циклов срабатывания
    Срок службы электрических компонентов (контакты реле)1 x 105 циклов срабатывания
  • Механические данные
    Размеры (Ш x В x Г)17,8 mm x 89,8 mm x 70,8 mm
    Вес91 g
  • Классификации
    ECl@ss 5.027371990
    ECl@ss 5.1.427371990
    ECl@ss 6.027371819
    ECl@ss 6.227371819
    ECl@ss 7.027371819
    ECl@ss 8.027371819
    ECl@ss 8.127371819
    ECl@ss 9.027371819
    ETIM 5.0EC001449
    ETIM 6.0EC001449
    UNSPSC 16.090141113704
Показать всё Скрыть всё

Технические чертежи

Габаритный чертеж Схема соединений Вид: Галерея Список Показать всё Скрыть всё
Показать всё Скрыть всё