0
ETI    SIEMENS    ABB    WIKA    IFM    ELKO EP    HYUNDAI    VEGA    KSR KUEBLER    Johnson Controls    Siemens IA/DT (CA01)    Bosch Rexroth    Alfa Laval    SICK    Others  

UE10-4XT3D2

Код: 6024920
Связатся с нами: 067 285 7770

В корзину

Показать всё Скрыть всё

  • Параметры техники безопасности
    Класс надежности

    SIL3 (IEC 61508) 1)

    SILCL3 (EN 62061) 1)

    КатегорияКатегория 4 (EN ISO 13849) 1)
    Уровень производительностиPL e (EN ISO 13849) 1)
    Значение B10d

    2,5 x 106 циклов срабатывания (AC-15, 230 V, I = 1.5 A)

    6 x 106 циклов срабатывания (AC-15, 230 V, I = 0.75 A)

    2 x 106 циклов срабатывания (DC-13, 24 V, I = 2.5 A)

    10 x 106 циклов срабатывания (DC-13, 24 V, I = 0.6 A)

    PFHd (средняя вероятность опасного отказа в час)2,47 x 10-8 (EN ISO 13849)
    TM (заданная продолжительность работы)20 лет (EN ISO 13849)
    • 1) При контроле токопроводящей линии ответной сигнализации Y1–Y2 (контроль внешних устройств) соответствующим базовым устройством.
  • Интерфейсы
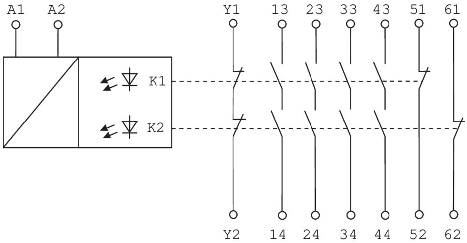
    Тип подключенияВставные винтовые зажимы
    Количество токопроводящих линий разблокировки (нормально открытый)4, важный для безопасности
  • Электрические данные - Эксплуатационные параметры
    Напряжение питанияA1, A2
    Выходная токопроводящая линия > 25 В перем. тока/60 В пост. токаPELV
    Выходная токопроводящая линия ≤ 25 В перем. тока/60 В пост. токаPELV или SELV
    Напряжение питания UVA1, A2
    24 V AC/DC (20,4 V AC/DC ... 26,4 V AC/DC)
    Остаточная пульсация (≤ 2,4 Vss) 1)
    Потребляемая мощность

    2,7 VA (AC)

    1,5 W

    Категория перенапряженияIII (см. руководство по эксплуатации)
    Расчетное напряжение на изоляции Ui300 V AC
    Максимально допустимое импульсное напряжение Uimp4 kV
    Испытательное напряжение2 kV (50 Hz) (EN 60439-1)
    • 1) В режиме постоянного тока, в пределах UE.
  • Электрические данные - Выходные токопроводящие линии: 13/14, 23/24, 33/34, 43/44, 51/52, 61/62, Y1/Y2
    Время задержки возврата реле (≤ 40 ms) 1)
    Количество токопроводящих линий разблокировки (нормально открытый)4, важный для безопасности
    Количество сигнальных токопроводящих линий (нормально закрытый)2, не относится к безопасности
    Количество токопроводящих линий обратной связи (нормально закрытый)1, Контроль внешних устройств (EDM)
    Тип контактаС принудительным управлением
    Материал контактовСеребряный сплав, тонкое золочение
    Напряжение переключения
    Токопроводящая линия разблокировки

    10 V AC ... 230 V AC

    10 V DC ... 300 V DC

    Сигнальная токопроводящая линия10 V DC, 10 V DC ... 230 V AC, 300 V DC
    Допустимая токовая нагрузка на устройство переключения выходного сигнала
    Токопроводящая линия разблокировки10 mA ... 6 A
    Сигнальная токопроводящая линия10 mA ... 2 A
    Токопроводящая линия обратной связи10 mA ... 100 mA
    Суммарный ток≤ 12 A
    Категория потребленияAC-15/DC-13 (EN 60947-5-1)
    Расчетный рабочий ток (расчетное рабочее напряжение)

    3 A (230 V AC) 3600 циклов срабатывания/ч

    4 A (24 V DC) 360 циклов срабатывания/ч

    2,5 A (24 V DC) 3600 циклов срабатывания/ч

    Частота переключения≤ 3600/ч
    Срок службы механических компонентов (контакты реле)1 x 107 циклов срабатывания
    Срок службы электрических компонентов (контакты реле)2 x 106 циклов срабатывания
    • 1) K1/K2.
  • Механические данные
    Размеры (Ш x В x Г)22,5 mm x 114 mm x 96,5 mm
    Вес0,2 kg
  • Классификации
    ECl@ss 5.027371990
    ECl@ss 5.1.427371990
    ECl@ss 6.027371819
    ECl@ss 6.227371819
    ECl@ss 7.027371819
    ECl@ss 8.027371819
    ECl@ss 8.127371819
    ECl@ss 9.027371819
    ETIM 5.0EC001449
    ETIM 6.0EC001449
    UNSPSC 16.090141113704
Показать всё Скрыть всё

Технические чертежи

Габаритный чертеж Схема соединений Вид: Галерея Список Показать всё Скрыть всё
Показать всё Скрыть всё