| Время задержки возврата реле | 50 ms (≤ 50 ms) 1) |
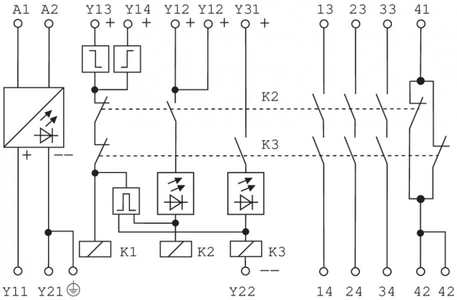
| Количество токопроводящих линий разблокировки (нормально открытый) | 3, важный для безопасности |
| Количество сигнальных токопроводящих линий (нормально закрытый) | 1, не относится к безопасности |
| Тип контакта | С принудительным управлением |
| Материал контактов | Серебряный сплав, тонкое золочение |
| Напряжение переключения | | Токопроводящая линия разблокировки | 10 V AC ... 230 V AC 10 V DC ... 300 V DC | | Сигнальная токопроводящая линия | 10 V AC, 10 V DC ... 230 V AC, 300 V DC |
|
| Допустимая токовая нагрузка на устройство переключения выходного сигнала | | Токопроводящая линия разблокировки | 10 mA ... 6 A | | Сигнальная токопроводящая линия | 10 mA ... 6 A | | Суммарный ток | ≤ 18 A |
|
| Категория потребления | AC-15/DC-13 (EN 60947-5-1) |
| Расчетный рабочий ток (расчетное рабочее напряжение) | 6 A (230 V AC) 3600 циклов срабатывания/ч 4 A (24 V DC) 360 циклов срабатывания/ч 3 A (24 V DC) 3600 циклов срабатывания/ч |
| Частота переключения | ≤ 3600/ч |
| Срок службы механических компонентов (контакты реле) | 1 x 107 циклов срабатывания |
| Срок службы электрических компонентов (контакты реле) | 2 x 106 циклов срабатывания |