0
ETI    SIEMENS    ABB    WIKA    IFM    ELKO EP    HYUNDAI    VEGA    KSR KUEBLER    Johnson Controls    Siemens IA/DT (CA01)    Bosch Rexroth    Alfa Laval    SICK    Others  

UFN3-70P417

Код: 6058743
Связатся с нами: 067 285 7770

В корзину

Показать всё Скрыть всё

  • Характеристики
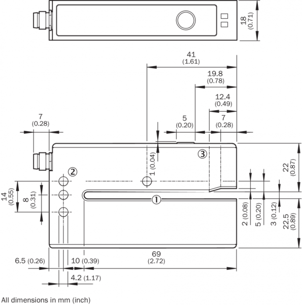
    Размеры (Ш x В x Г)18 mm x 47,5 mm x 92,5 mm
    Принцип действияПринцип ультразвукового обнаружения
    Форма корпуса (выход света)Вилочная форма
    Ширина щели3 mm
    Глубина щели69 mm
    Минимальный размер детектируемого объекта (MDO)Зазор между этикетками / Размер этикетки: 2 mm 1)
    Обнаружение этикеток
    Настройка

    Кнопка настройки (Настройка, чувствительность, «СВЕТЛО/ТЕМНО»)

    Кабель (динамическое обучение)

    Метод настройки

    1-точечная настройка

    2-точечная настройка

    Динамическое обучение

    Функция выходного сигнала«СВЕТЛО/ТЕМНО» устанавливается клавишей
    • 1) Зависит от толщины этикетки.
  • Механика/электроника
    Напряжение питания10 V DC ... 30 V DC 1)
    Остаточная пульсация< 10 % 2)
    Потребление тока40 mA 3)
    Частота переключения1,5 kHz 4)
    Оценка250 µs 5)
    Переключающий выходPNP
    Дискретный выход (напряжение)PNP: HIGH = UВ– ≤ 2 В/LOW прибл. 0 В
    Тип переключенияСВЕТЛО/ТЕМНО
    Выходной ток Iмакс.100 mA 6)
    Вход, настройка (ET)

    Teach: U > 7 V ... < UV

    Run: U < 2 V

    Время инициализации100 ms
    Тип подключенияРазъем M8, 4-конт.
    Класс защитыIII 7)
    Схемы защиты

    Выход Q с защитой от короткого замыкания

    Подавление импульсных помех

    Тип защитыIP65
    Вес95 g
    Материал корпусаАлюминий
    • 1) Предельные значения, с защитой от переполюсовки. Эксплуатация в защищенных от короткого замыкания сетях с силой тока не более 8 A.
    • 2) Не допускается превышение или занижение допуска Uv.
    • 3) Без нагрузки.
    • 4) При соотношении «светло/темно» 1:1, типично, в зависимости от материала и скорости.
    • 5) Продолжительность сигнала при омической нагрузке.
    • 6) Минимальный выходной ток 0,3 мA.
    • 7) Расчетное напряжение постоянного тока 50 В.
  • Данные окружающей среды
    Диапазон температур при работе+5 °C ... +55 °C 1)
    Диапазон температур при хранении–20 °C ... +70 °C
    Устойчивость к сотрясениямСогласно EN 60068-2-27
    ЭМСEN 60947-5-2 2)
    № файла ULNRKH.E191603 & NRKH7.E191603
    • 1) Запрещается деформировать кабель ниже 0 °C.
    • 2) Датчик UFN соответствуют требованиям защиты от излучаемых помех (ЭМС) для промышленной зоны (класс помехозащищенности A). При использовании в жилой зоне прибор может вызвать помехи.
  • Классификации
    ECl@ss 5.027270909
    ECl@ss 5.1.427270909
    ECl@ss 6.027270909
    ECl@ss 6.227270909
    ECl@ss 7.027270909
    ECl@ss 8.027270909
    ECl@ss 8.127270909
    ECl@ss 9.027270909
    ETIM 5.0EC002720
    ETIM 6.0EC002720
    UNSPSC 16.090139121528
Показать всё Скрыть всё

Технические чертежи

Габаритный чертеж UFnext - кнопка Teach-in Варианты настройки Схема соединений cd-092 Вид: Галерея Список Показать всё Скрыть всё
Показать всё Скрыть всё