0
ETI    SIEMENS    ABB    WIKA    IFM    ELKO EP    HYUNDAI    VEGA    KSR KUEBLER    Johnson Controls    Siemens IA/DT (CA01)    Bosch Rexroth    Alfa Laval    SICK    Others  

UM18-217126111

Код: 6048386
Связатся с нами: 067 285 7770

В корзину

Показать всё Скрыть всё

  • Производительность
    Дистанция измерения, предельная дистанция измерения20 mm ... 150 mm, 250 mm
    Объект измеренияЕстественные объекты
    Разрешение≥ 0,069 mm
    Точность воспроизведения± 0,15 % 1)
    Точность± 1 % 1) 2)
    Температурная компенсация
    Оценка32 ms 3)
    Время вывода8 ms
    Ультразвуковая частота (типичная)380 kHz
    Зона действия (типичная)См. диаграммы
    Доп. функцияОбучаемый аналоговый выход, инвертируемый аналоговый выход, температурная компенсация, Многофункциональный вход: внешний Teach синхронизация / мультиплексирование, синхронизация до 10 датчиков, мультиплексер: отсутствие взаимной интерференции датчиков количеством до 10, сброс на заводские настройки 4)
    • 1) В отношении последнего результата измерения.
    • 2) Температурная компенсация может быть отключена, без компенсации: 0,17 % / K.
    • 3) Схема последующего сглаживания аналогового сигнала может в зависимости от ситуации увеличить время отклика до 200 %.
    • 4) Функции могут различаться в зависимости от варианта датчика.
  • Интерфейсы
    Аналоговый выход1 x 4 mA ... 20 mA (≤ 500 Ω) 1)
    Разрешение аналогового выхода12 bit
    Многофункциональный вход (MF)1 x MF
    • 1) При 4 мА ... 20 мА и UВ ≤ 20 В макс. нагрузка ≤ 100 Ω.
  • Механика/электроника
    Напряжение питания UVПост. ток 10 V ... 30 V 1) 2)
    Потребляемая мощность≤ 1,2 W 3)
    Время инициализации< 300 ms
    Тип корпусаЦилиндрический
    Материал корпуса

    Никелированная латунь

    УЗ-преобразователь: пенополиуретан, эпоксидная смола и стеклянные элементы

    Тип подключенияРазъем, M12, 5-контактный
    Индикация2 x LED
    Вес25 g
    Выходной коннектор передатчикаПрямой
    Тип защитыIP67
    Класс защитыIII
    • 1) Предельные значения, с защитой от неправильной полярности. Эксплуатация в сетях с защитой от короткого замыкания: макс. 8 А, класс 2.
    • 2) 15 В ... 30 В при использовании аналогового выхода напряжения.
    • 3) Без нагрузки.
  • Данные окружающей среды
    Рабочий диапазон температур–25 °C ... +70 °C
    Диапазон температур при хранении–40 °C ... +85 °C
  • Классификации
    ECl@ss 5.027270804
    ECl@ss 5.1.427270804
    ECl@ss 6.027270804
    ECl@ss 6.227270804
    ECl@ss 7.027270804
    ECl@ss 8.027270804
    ECl@ss 8.127270804
    ECl@ss 9.027270804
    ETIM 5.0EC001846
    ETIM 6.0EC001846
    UNSPSC 16.090141111960
Показать всё Скрыть всё

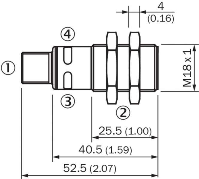
Технические чертежи

Габаритный чертеж UM18-2xxxxxx1 Схема соединений UM18-21xxx6xxx UM18-21xxx7xxx штекер M12, 5-конт. Зона распознавания UM1x-x17 Тип подключения Вид: Галерея Список Показать всё Скрыть всё
Показать всё Скрыть всё