0
ETI    SIEMENS    ABB    WIKA    IFM    ELKO EP    HYUNDAI    VEGA    KSR KUEBLER    Johnson Controls    Siemens IA/DT (CA01)    Bosch Rexroth    Alfa Laval    SICK    Others  

UM18-218165101

Код: 6048422
Связатся с нами: 067 285 7770

В корзину

Показать всё Скрыть всё

  • Производительность
    Дистанция измерения, предельная дистанция измерения120 mm ... 1.000 mm, 1.300 mm
    Объект измеренияЕстественные объекты
    Разрешение0,2 mm
    Точность воспроизведения± 0,15 % 1)
    Точность0,17 % 1)
    Оценка80 ms
    Частота переключения10 Hz
    Время вывода20 ms
    Ультразвуковая частота (типичная)200 kHz
    Зона действия (типичная)См. диаграммы
    Доп. функцияРежимы работы на выбор: расстояние до объекта (DtO) / окно (Wnd) / объект между датчиком и фоном (ObSB), обучаемый дискретный выход, инвертируемый дискретный выход, сброс на заводские настройки
    • 1) В отношении последнего результата измерения.
  • Интерфейсы
    Переключающий выход1 x NPN (200 mA) 1)
    Гистерезис20 mm
    • 1) NPN: HIGH ≤ 2 В / LOW = UВ.
  • Механика/электроника
    Напряжение питания UVПост. ток 10 V ... 30 V 1)
    Потребляемая мощность≤ 1,2 W 2)
    Время инициализации< 300 ms
    Тип корпусаЦилиндрический
    Материал корпуса

    PBT

    УЗ-преобразователь: пенополиуретан, эпоксидная смола и стеклянные элементы

    Тип подключенияРазъем, M12, 4-конт.
    Индикация2 x LED
    Вес15 g
    Выходной коннектор передатчикаПрямой
    Тип защитыIP67
    Класс защитыIII
    • 1) Предельные значения, с защитой от неправильной полярности. Эксплуатация в сетях с защитой от короткого замыкания: макс. 8 А, класс 2.
    • 2) Без нагрузки.
  • Данные окружающей среды
    Рабочий диапазон температур–25 °C ... +70 °C
    Диапазон температур при хранении–40 °C ... +85 °C
  • Классификации
    ECl@ss 5.027270804
    ECl@ss 5.1.427270804
    ECl@ss 6.027270804
    ECl@ss 6.227270804
    ECl@ss 7.027270804
    ECl@ss 8.027270804
    ECl@ss 8.127270804
    ECl@ss 9.027270804
    ETIM 5.0EC001846
    ETIM 6.0EC001846
    UNSPSC 16.090141111960
Показать всё Скрыть всё

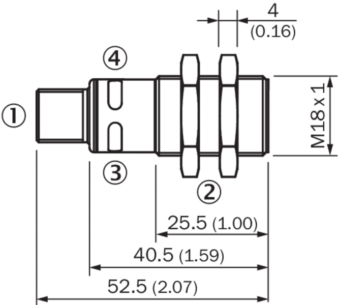
Технические чертежи

Габаритный чертеж UM18-2xxxxxx1 Схема соединений Зона распознавания UM18-218 Тип подключения Тип подключения Вид: Галерея Список Показать всё Скрыть всё
Показать всё Скрыть всё