0
ETI    SIEMENS    ABB    WIKA    IFM    ELKO EP    HYUNDAI    VEGA    KSR KUEBLER    Johnson Controls    Siemens IA/DT (CA01)    Bosch Rexroth    Alfa Laval    SICK    Others  

UP56-216156

Код: 6049617
Связатся с нами: 067 285 7770

В корзину

Показать всё Скрыть всё

  • Характеристики
    СредаЖидкости
    Способ измеренияПредельное значение, непрерывно
    Область сканирования в емкости65 mm ... 700 mm
    Область сканирования в погружной трубе65 mm ... 1.500 mm
    Рабочее давление0 bar ... 2 bar, Избыточное давление на UP56 Pure Mini
    Рабочая температура–25 °C ... +85 °C
  • Производительность
    Точность измерительного элемента≤ 1 % 1)
    Воспроизводимость± 0,15 % 1)
    Разрешение≤ 0,18 mm
    Оценка≤ 84 ms 2)
    ДисплейНет
    • 1) От конечного значения.
    • 2) Время восстановления 32–180 мс согласно EMV EN 60947-5-7.
  • Электрика
    Напряжение питания9 V DC ... 30 V DC 1)
    Остаточная пульсация± 10 %
    Потребление тока≤ 80 mA 2)
    Класс защитыIII
    Тип подключенияКруглый штекерный соединитель M12 x 1, 5-контактный
    Выходной сигнал4 mA ... 20 mA 3) 4)4 мА ... 20 мА, 2-проводной
    Гистерезис5 mm5 mm 5)
    Выходной ток200 mA
    Задержка готовности≤ 300 ms
    Тип защитыIP67
    Ультразвуковая частота200 kHz
    УЗ-преобразовательПокрытие из PTFE, FFKM
    • 1) С защитой от перемены полярности.
    • 2) При 24 ВDC без выходной нагрузки.
    • 3) С защитой от короткого замыкания, инвертируемый.
    • 4) Автоматический выбор выхода по току/напряжению, в зависимости от нагрузки 4–20 мА: RL ≤ 100 / при 9 В ≤ UB ≤ 20 В, RL ≤ 500 / при UB ≥ 20 В, 0–10 В: RL ≥ 100 k / при UB ≥ 15 В, с защитой от короткого замыкания.
    • 5) Свободно регулируемый с шагом 1 мм с помощью адаптера Connect+ (CPA).
  • Механика
    Технические подключенияСоединение GF D40
    Материал корпусаPTFE, PP
    Форма корпусаMini
    Вес145 g UP56 Pure Mini
  • Данные окружающей среды
    Диапазон температур при работе–25 °C ... +70 °C 1)
    Диапазон температур при хранении–40 °C ... +85 °C
    • 1) С температурной компенсацией при температуре от –25 °C до +50 °C, отключаемая.
  • Классификации
    ECl@ss 5.027200506
    ECl@ss 5.1.427200506
    ECl@ss 6.027200506
    ECl@ss 6.227200506
    ECl@ss 7.027200506
    ECl@ss 8.027200506
    ECl@ss 8.127200506
    ECl@ss 9.027200506
    ETIM 5.0EC002654
    ETIM 6.0EC002654
    UNSPSC 16.090141111950
Показать всё Скрыть всё

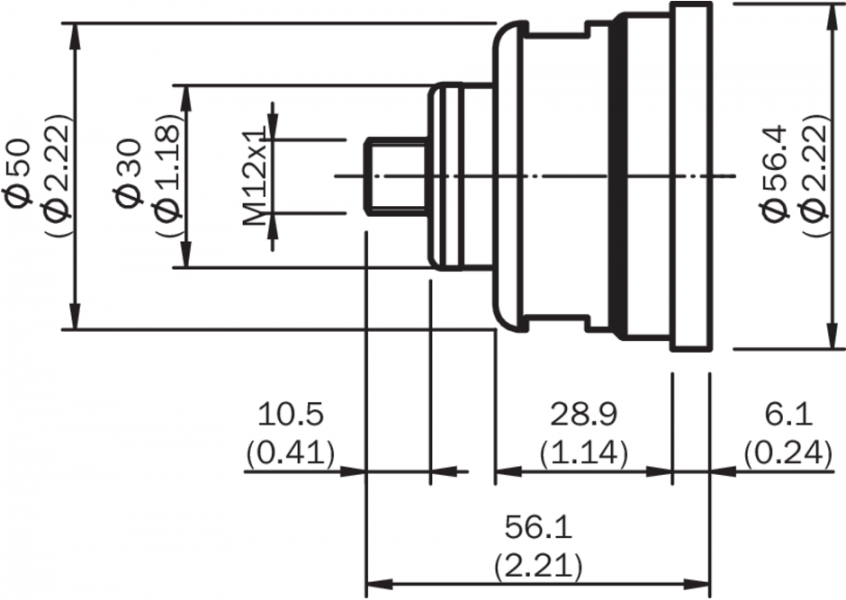
Технические чертежи

Габаритный чертеж UP56 Pure Mini Схема соединений 4 mA ... 20 mA Тип подключения Разъем M12, 5-конт. Вид: Галерея Список Показать всё Скрыть всё
Показать всё Скрыть всё