0
ETI    SIEMENS    ABB    WIKA    IFM    ELKO EP    HYUNDAI    VEGA    KSR KUEBLER    Johnson Controls    Siemens IA/DT (CA01)    Bosch Rexroth    Alfa Laval    SICK    Others  

V2D652P-2MEWHA6

Код: 1082305
Связатся с нами: 067 285 7770

В корзину

Показать всё Скрыть всё

  • Характеристики
    Постановка задачиКонтроль, Инспекция, Измерение, Считывание
    Технология2D, Покадровая съемка, Анализ изображения
    ДатчикДатчик с КМОП-матрицей, оттенки серого
    ФокусДинамическое управление фокусом
    Внутренняя подсветкаБелый, синий
    Источник светаСветодиод освещения: белый (λ = 6000 K ± 500 K), синий (λ = 455 ± 20 нм)Лампа обратной связи: видимый зеленый свет (λ = 525 нм ± 15 нм)Лазерный целеуказатель: видимый красный свет (λ = 630 нм ... 680 нм)
    Класс лазера1, соответствует 21 CFR 1040.10, за исключением различий согласно «Laser Notice № 50» от 24 июня 2007 г. (IEC 60825-1:2014, EN 60825-1:2014)
    Класс светодиодаОпция «белый светодиод + светодиод обратной связи»: группа риска 1 (малый риск) по стандарту IEC 62471-1:2006-07/EN 62471-1:2008-09Энергетическая яркость: LB: < 10 x 103 Вт/(м2ср) в течение 100 с, при расстоянии ≥ 200 мм LR: < 7 x 105 Вт/(м2ср) в течение 10 с, при расстоянии ≥ 200 мм, Опция «Синий светодиод + светодиод обратной связи», группа риска 2 (умеренный риск) по стандарту IEC 62471-1:2006-07/EN 62471-1:2008-09 на основании опасности синего света.Энергетическая яркость: LB: < 10 x 103 Вт/(м2ср) в течение 50 с (RG 2),, при расстоянии ≥ 200 мм LR: < 7 x 105 Вт/(м2ср) в течение 10 с (RG 1), при расстоянии ≥ 200 ммОпасность RG 1 (малый риск), соответственно LB < 10 x 103 Вт/(м2ср) в течение 100 с для расстояний > 1 м
    Область спектраОк. 400 nm ... 900 nm
  • Производительность
    Разрешение датчика2.048 px x 1.088 px (2,1 Mpixel)
    Оптический формат1″
    Частота развертки/регенерации изображения70 Hz
  • Интерфейсы
    Последовательный✔ , RS-232, RS-422
    Скорость передачи данных300 Baud ... 115,2 kBaud
    Ethernet✔ , TCP/IP
    ФункцияFTP, HTTP
    Скорость передачи данных10/100/1000 Мбит/с
    CAN
    ФункцияДатчики фирмы «SICK» на базе локальной сети контроллеров CAN (ведущий / ведомый)
    Пользовательские интерфейсыВеб-сервер
    Конфигурационное ПОSICK AppStudio
    Сохранение и вызов данныхСохранение изображений и других данных на карте памяти MicroSD и посредством внешнего протокола FTP
    Выходной ток≤ 100 mA
    Максимальная частота энкодера1 kHz
    Элементы управления2 клавиши
    Оптическая индикация21 LEDs (10 индикаторов состояния, 10 светодиодных шкальных индикаторов, 1 зеленый светодиод обратной связи)
    Акустическая индикацияБипер
  • Механика/электроника
    Соединения

    Один 17-контактный штекер М12 (последовательный, входы/выходы, источник питания)

    1 шт. М8, 4-контактная розетка ((USB, не используется)

    2 шт. М12, 8-контактная розетка (типа «гигабит Эзернет», используется только одно подключение)

    Напряжение питания24 V DC, ± 20 %
    Тип защитыIP65
    Класс защитыIII (EN 60950-1 (2014-08))
    Материал корпусаАлюминиевое литье
    Материал переднего окнаСтекло
    Вес963 g
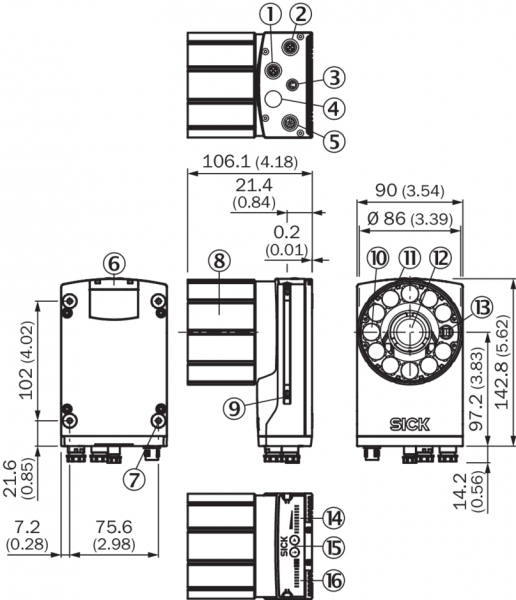
    Размеры (Д x Ш x В)142,8 mm x 90 mm x 106,1 mm
    ОбъективыИнтегрированный
  • Данные окружающей среды
    Устойчивость к сотрясениямEN 60068-2-27:2009-05
    Устойчивость к вибрацииEN 60068-2-6:2008-02
    Диапазон температур при работе0 °C ... +50 °C 1)
    Диапазон температур при хранении–20 °C ... +70 °C 1)
    • 1) Относительная влажность воздуха : 0 ... 90 % (без образования конденсата).
  • Классификации
    ECl@ss 5.027310205
    ECl@ss 5.1.427310205
    ECl@ss 6.027310205
    ECl@ss 6.227310205
    ECl@ss 7.027310205
    ECl@ss 8.027310205
    ECl@ss 8.127310205
    ECl@ss 9.027310205
    ETIM 5.0EC001820
    ETIM 6.0EC001820
    UNSPSC 16.090143211731
Показать всё Скрыть всё

Технические чертежи

Габаритный чертеж Зона обзора Ассистент выбора SICK AppSpace Вид: Галерея Список Показать всё Скрыть всё
Показать всё Скрыть всё