0
ETI    SIEMENS    ABB    WIKA    IFM    ELKO EP    HYUNDAI    VEGA    KSR KUEBLER    Johnson Controls    Siemens IA/DT (CA01)    Bosch Rexroth    Alfa Laval    SICK    Others  

V2D652R-MEWHF6 for Systems

Код: 1071727
Связатся с нами: 067 285 7770

В корзину

Показать всё Скрыть всё

  • Характеристики
    ВариантКомплектное устройство
    ФокусДинамическое управление фокусом
    ДатчикДатчик с КМОП-матрицей, оттенки серого
    Разрешение датчика2.048 px x 1.088 px
    Внутренняя подсветкаБелый
    Источник светаСветодиоды подсветки: белый свет (λ = 6000 K ± 500 K)Светодиод обратной связи: видимый зеленый свет (λ = 525 нм ± 15 нм)Лазерный целеуказатель: видимый красный свет (λ = 630–680 нм)
    Класс светодиодаГруппа риска 1 (IEC 62471:2006-07, EN 62471:2008-09)
    Класс лазера1, соответствует 21 CFR 1040.10, за исключением различий согласно «Laser Notice № 50» от 24 июня 2007 г. (IEC 60825-1:2014, EN 60825-1:2014)
    Частота сканирования70 Hz, при разрешении 2 Мп
    Разрешение кода≥ 0,12 mm 1)
    Расстояние считывания670 mm ... 2.000 mm 2)
    ОбъективC-Mount
    Оптический формат1″
    Фокусное расстояние54 mm
    Диафрагмаf/8
    • 1) В зависимости от расстояния.
    • 2) В зависимости от объектива, подробности см. на диаграмме зоны обзора.
  • Производительность
    Читаемые структуры кодов1D, 2D, Stacked
    Виды штрихкодаGS1-128 / EAN 128, UPC / GTIN / EAN, 2/5 Interleaved, Pharmacode, GS1 DataBar, Code 39, Code 128, Codabar, Code 32, Code 93, USPS (Postnet, Planet, USPS4SCB), Australian Post, Dutch KIX Post, Royal Mail, Swedish Post
    Виды 2D-кодовData-Matrix ECC200, GS1 Data-Matrix, MaxiCode, QR-код
    Виды многоуровневых кодовPDF417
    Квалификация кодаСогласно ISO/IEC 16022, ISO/IEC 15415, ISO/IEC 18004
    Внутренняя память изображений512 MB
  • Интерфейсы
    Ethernet✔ , TCP/IP
    ФункцияHost, AUX, FTP (передача изображений)
    Скорость передачи данных10/100/1000 Мбит/с
    EtherNet/IP™
    Скорость передачи данных10/100/1000 Мбит/с
    CAN
    ФункцияСеть датчиков SICK CSN на базе CAN (мастер/слейв, мультиплексер/сервер)
    Скорость передачи данных20 kbit/s ... 1 Mbit/s
    Переключающие входы0 («Датчик 1», «Датчик 2», 2 входа через опциональный накопитель параметров CMC600 в CDB650/CDM420)
    Конфигурируемые входыВход энкодера, Внешний триггер
    Переключающие выходы0 (CDB650: «Результат 1», «Результат 2», «Результат 3», «Результат 4», 2 внешних выхода через CMC600 или CDM420: «Результат 1», «Результат 2», 2 внешних выхода через CMC600 или кабель со свободным концом: «Результат 1», «Результат 2», «Результат 3», «Результат 4»)
    Конфигурируемые выходыПодтверждение считывания, Внешнее управление подсветкой, свободно конфигурируемые условия вывода, «Device Ready»
    Тактирование сигналов считыванияПереключающие входы, свободно, Последовательный интерфейс, Ethernet, CAN, Автотактирование, Режим «Презентация»
    Оптическая индикация21 LEDs (10 индикаторов состояния, 10 светодиодных шкальных индикаторов, 1 зеленый светодиод обратной связи)
    Акустическая индикацияБипер/зуммер (отключаемый, с возможностью функции получения результата)
    Элементы управления2 клавиши (выбор и запуск / отключение функций)
    Конфигурационное ПОSOPAS ET
    Карта памятиКарта памяти MicroSD (Flash-Card), макс. 16 ГБ, опция
    Сохранение и вызов данныхСохранение изображений и других данных на карту памяти MicroSD и внешнее FTP-хранилище
    Максимальная частота энкодера1 kHz
    Управление внешней подсветкойЧерез цифровой выход (триггер макс. 24 В) или внешний разъем для подсветки
  • Механика/электроника
    Электрическое подключение

    1 x M12, 5-контактный штекер (CAN)

    2 x M12, 5-контактный гнездовой разъем (CAN)

    1 x M8, 3-контактный гнездовой разъем (управление внешней подсветкой)

    2 x M12, 8-контактный гнездовой разъем (Ethernet, P1 пока без функции)

    Рабочее напряжение24 V DC, ± 20 %
    Потребляемая мощностьTyp. 20 W, ± 20 %
    Выходной ток≤ 100 mA
    КорпусАлюминиевое литье
    Цвет корпусаСветло-голубой (RAL 5012)
    Тип защитыIP65 (EN 60529 (1991-10), EN 60529/A2 (2002-02))
    Класс защитыIII
    ЭлектробезопасностьEN 60950-1 (2011-01)
    Вес963 g
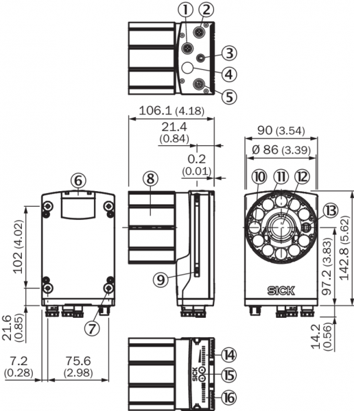
    Размеры (Д x Ш x В)142,8 mm x 90 mm x 106,1 mm
  • Данные окружающей среды
    Электромагнитная совместимость (ЭМС)EN 61000-6-2:2005-08 / EN 61000-6-3 (2007-01)
    ВиброустойчивостьEN 60068-2-6:2008-02
    УдаропрочностьEN 60068-2-6
    Диапазон рабочих температур0 °C ... +50 °C
    Температура хранения–20 °C ... +70 °C
    Допустимая относительная влажность воздуха90 %, без образования конденсата
    Нечувствительность ко внешним источникам света2.000 lx, на код
  • Классификации
    ECl@ss 5.027280103
    ECl@ss 5.1.427280103
    ECl@ss 6.027280103
    ECl@ss 6.227280103
    ECl@ss 7.027280103
    ECl@ss 8.027280103
    ECl@ss 8.127280103
    ECl@ss 9.027280103
    ETIM 5.0EC002550
    ETIM 6.0EC002550
    UNSPSC 16.090143211701
Показать всё Скрыть всё

Технические чертежи

Габаритный чертеж поле видимости Lector65x Dynamic Focus с панорамой 54 мм Зона обзора Вид: Галерея Список Показать всё Скрыть всё
Показать всё Скрыть всё