0
ETI    SIEMENS    ABB    WIKA    IFM    ELKO EP    HYUNDAI    VEGA    KSR KUEBLER    Johnson Controls    Siemens IA/DT (CA01)    Bosch Rexroth    Alfa Laval    SICK    Others  

V3S110-1AAAAAA

Код: 1075613
Связатся с нами: 067 285 7770

В корзину

Показать всё Скрыть всё

  • Характеристики
    Постановка задачиСпецифическое применение не предусмотрено
    ТехнологияМоментальный снимок, Анализ изображения
    Рабочее расстояние0,5 m ... 7,2 m 1)
    Примерная зона обзора7 m x 5,3 m 2)
    Источник светаНевидимый инфракрасный свет (Светодиод, 850 nm)
    Класс светодиодаГруппа риска 0 по стандарту EN 62471
    Проверка оттенков серого
    С предварительной калибровкой
    Угол охвата69° x 56°
    Угловое разрешение0,39° x 0,38°
    • 1) Радиальное расстояние, для объектов с 100% коэффициентом диффузного отражения.
    • 2) Отдельные параметры см. в таблице.
  • Производительность
    Количество пикселей176 px x 144 px
    Частота развертки/регенерации изображения

    0,03 с на 3D-изображение (30 футов в секунду)

    2 250 000 3D точек данных/с

    Точность воспроизведения

    Ок. 3 mm, при дальности сканирования 1 м

    Ок. 30 mm, при дальности сканирования 7 м 1)

    Задержка включения< 20 s
    Оценка< 66 ms
    Встроенное приложениеПоток данных с возможностью фильтрации, сокращения и манипуляции данных внутри устройства
    • 1) Отдельные параметры см. в таблице.
  • Интерфейсы
    Ethernet
    ФункцияС возможностью одновременной выдачи как полярных, так и декартовых данных
    Скорость передачи данных≤ 36 Mbit/s, коммуникационный интерфейс Gigabit-Ethernet (TCP/IP)
    Конфигурационное ПОSOPAS, API (Java, Matlab), Web-сервер, листинг телеграмм (универсальное применение, например, Python, C++, C#), визуализация даже через ROS
    Цифровые входы2
    Оптическая индикация2 Светодиоды состояния
  • Механика/электроника
    Соединения

    M12 8-конт. гигабитный Ethernet, X-кодир

    M12 17-конт. (питание/данные), системный разъем, цифровые IOs (24 В)

    Напряжение питания24 V DC 1)
    Потребляемая мощность≤ 16 W типично (без цифровых входов/выходов)
    Тип защитыIP67
    Класс защитыIII
    Цвет корпусаСиний, черный
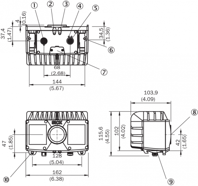
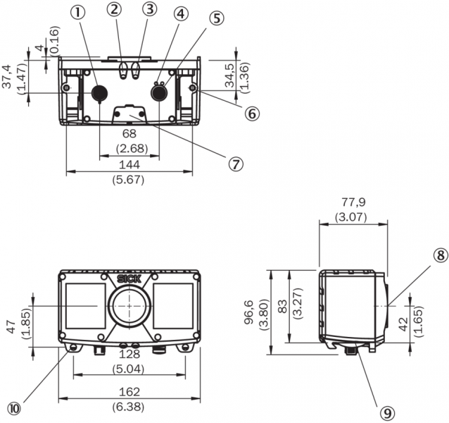
    Вес1,9 kg 2)
    Размеры (Д x Ш x В)162 mm x 116 mm x 104 mm 2)
    МонтажЛюбой или может определяться шагом конструкции
    • 1) (-30 % / +20 %), задержка >1 мс.
    • 2) С ребрами охлаждения.
  • Данные окружающей среды
    Электромагнитная совместимость (ЭМС)

    EN 61000-6-2:2005-08

    EN 61000-6-3:2007-01

    Устойчивость к сотрясениямEN 60068-2-27:2009
    Устойчивость к вибрацииEN 60068-2-6, EN 60068-2-64
    Диапазон температур при работе0 °C ... +50 °C, с ребрами охлаждения
    Диапазон температур при хранении–20 °C ... +70 °C
    Светочувствительность< 50 klx, Солнечный свет
  • Классификации
    ECl@ss 5.027310205
    ECl@ss 5.1.427310205
    ECl@ss 6.027310205
    ECl@ss 6.227310205
    ECl@ss 7.027310205
    ECl@ss 8.027310205
    ECl@ss 8.127310205
    ECl@ss 9.027310205
    ETIM 5.0EC001820
    ETIM 6.0EC001820
    UNSPSC 16.090143211731
Показать всё Скрыть всё

Технические чертежи

рабочее расстояние, радиальное/абсолютное зона распознавания и двухмерные области Цифровой ввод / вывод Gigabit Ethernet Габаритный чертеж Габаритный чертеж Вид: Галерея Список Показать всё Скрыть всё
Показать всё Скрыть всё