0
ETI    SIEMENS    ABB    WIKA    IFM    ELKO EP    HYUNDAI    VEGA    KSR KUEBLER    Johnson Controls    Siemens IA/DT (CA01)    Bosch Rexroth    Alfa Laval    SICK    Others  

V3S130-2AAAAAA

Код: 1088889
Связатся с нами: 067 285 7770

В корзину

Показать всё Скрыть всё

  • Характеристики
    Постановка задачи3D-обнаружение
    ТехнологияМоментальный снимок, Анализ изображения
    Рабочее расстояние0,5 m ... 60 m
    Примерная зона обзора7 m x 5,3 m 1)
    Источник светаНевидимый инфракрасный свет (Светодиод, 850 nm)
    Класс светодиодаГруппа риска 0 по стандарту EN 62471
    Проверка оттенков серого
    С предварительной калибровкой
    • 1) Отдельные параметры см. в таблице.
  • Производительность
    Точность воспроизведения

    ≥ 2 mm, при дальности сканирования 1 м 1)

    ≥ 7 mm, при дальности сканирования 7 м 2)

    Оценка< 100 ms 3)
    Встроенное приложение3D-обнаружение, например, предупреждение о столкновении, контроль отсутствия объектов в таре, контроль проникновения, контроль объектов
    • 1) Типовые значения для распространенных случаев применения указаны в таблицах ниже.
    • 2) Отдельные параметры см. в таблице.
    • 3) Типичный.
  • Интерфейсы
    Ethernet
    ФункцияПолный поток данных, управление устройствами, статус позиции и обнаружения каждой группы и каждого параллелепипеда
    Скорость передачи данных≤ 36 Mbit/s
    Конфигурационное ПОSOPAS ET, Java API (Matlab), веб-сервер, интерфейс Telegram (универсальное применение, например, Python, C++, C#, PCL), веб-сервер
    Цифровые входыБолее 16 входов через 2 физических интерфейса
    Цифровые выходы4
    Оптическая индикация2 Светодиоды состояния
  • Механика/электроника
    Соединения

    M12 8-конт. гигабитный Ethernet, X-кодир

    M12 17-конт. (питание/данные), системный разъем, цифровые IOs (24 В)

    Напряжение питания24 V DC 1)
    Потребляемая мощность≤ 22 W типично (без цифровых входов/выходов)
    Тип защитыIP67
    Класс защитыIII
    Цвет корпусаСиний, черный
    МонтажЛюбой или может определяться шагом конструкции
    • 1) (+/-20 %), < 2,5 мс время интеграции(+/-15 %), > 2,5 мс время интеграции.
  • Данные окружающей среды
    Электромагнитная совместимость (ЭМС)

    EN 61000-6-2:2005-08

    EN 61000-6-3:2007-01

    Устойчивость к сотрясениямEN 60068-2-27:2009
    Устойчивость к вибрацииEN 60068-2-6, EN 60068-2-64
    Диапазон температур при работе0 °C ... +50 °C, с ребрами охлаждения
    Диапазон температур при хранении–20 °C ... +70 °C
    Светочувствительность< 50 klx, Солнечный свет
  • Классификации
    ECl@ss 5.027310205
    ECl@ss 5.1.427310205
    ECl@ss 6.027310205
    ECl@ss 6.227310205
    ECl@ss 7.027310205
    ECl@ss 8.027310205
    ECl@ss 8.127310205
    ECl@ss 9.027310205
    ETIM 5.0EC001820
    ETIM 6.0EC001820
    UNSPSC 16.090143211731
Показать всё Скрыть всё

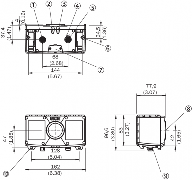
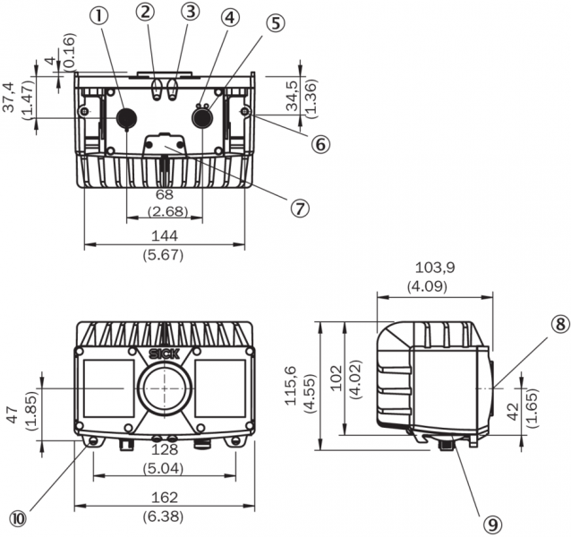
Технические чертежи

Габаритный чертеж Габаритный чертеж зона распознавания и двухмерные области Точность измерения/воспроизводимость результатов (в лабораторных условиях) распознаваемый размер объекта и точность измерения. Фактическая точность измерения и повторяемости обнаружения зависит от соответствующей среды и настроек. В таблице приведены стандартные значения для некоторых распространенных применений. Цифровой ввод / вывод Gigabit Ethernet Вид: Галерея Список Показать всё Скрыть всё
Показать всё Скрыть всё