0
ETI    SIEMENS    ABB    WIKA    IFM    ELKO EP    HYUNDAI    VEGA    KSR KUEBLER    Johnson Controls    Siemens IA/DT (CA01)    Bosch Rexroth    Alfa Laval    SICK    Others  

VFS60E-BEAJ01024

Код: 1062093
Связатся с нами: 067 285 7770

В корзину

Показать всё Скрыть всё

  • Производительность
    Количество штрихов на один оборот1.024
    Базовый сигнал, количество1
    Базовый сигнал, положение90° электрические, логические соединения с A и B
    Допуски± 0,3°
    Отклонение измерительных шагов± 0,2°
    Максимальное время инициализации≤ 40 ms
  • Интерфейсы
    Интерфейс связиTTL/RS422
  • Электрические данные
    Диапазон напряжения питания4,5 V ... 5,5 V
    Рабочий ток40 mA 1)
    Максимальная частота выходного сигнала≤ 300 kHz
    Максимальный ток нагрузки≤ 30 mA
    • 1) Без нагрузки.
  • Механические данные
    Исполнение валаГлухой полый вал
    Диаметр вала12 mm
    Материал, валМеталл
    Тип фланца / статорная муфтаСтандарт
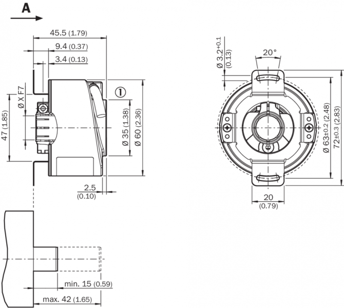
    РазмерыСм. размерный чертеж
    Вес0,2 kg
    Момент инерции ротора40 gcm²
    Рабочая частота вращения6.000 min⁻¹ 1)
    Угловое ускорение≤ 500.000 rad/s²
    Рабочий крутящий момент0,6 Ncm (+20 °C)
    Пусковой момент0,8 Ncm (+20 °C)
    Допустимое перемещение вала радиальное, статическое/динамическое± 0,3 mm / ± 0,1 mm
    Допустимое перемещение вала осевое, статическое/динамическое± 0,5 mm / ± 0,2 mm
    Срок службы шарикоподшипников3,0 x 10^9 оборотов
    Тип подключенияКабель, 8-жильный, радиальная, 0,5 m 2)
    • 1) При расчете диапазона рабочей температуры учитывайте собственный нагрев 3,3 K на 1 000 об/мин.
    • 2) Универсальный кабельный отвод располагается так, чтобы обеспечить прокладку без излома в радиальном или осевом направлениях.
  • Данные окружающей среды
    Диапазон рабочей температуры–30 °C ... +100 °C
    Диапазон температуры хранения–40 °C ... +100 °C, без упаковки
    Относительная влажность воздуха/образование конденсата90 %, Образование конденсата на оптических сканирующих элементах не допускается
    Ударопрочность70 g, 6 ms (согласно EN 60068-2-27)
    Диапазон частоты вибростойкости30 g, 10 Hz ... 2.000 Hz (согласно EN 60068-2-6)
    ЭМСПо EN 61000-6-2 и EN 61000-6-4
    Тип защиты

    IP65, со стороны вала (согласно IEC 60529)

    IP67, кабельный отвод со стороны корпуса (согласно IEC 60529)

  • Классификации
    ECl@ss 5.027270501
    ECl@ss 5.1.427270501
    ECl@ss 6.027270590
    ECl@ss 6.227270590
    ECl@ss 7.027270501
    ECl@ss 8.027270501
    ECl@ss 8.127270501
    ECl@ss 9.027270501
    ETIM 5.0EC001486
    ETIM 6.0EC001486
    UNSPSC 16.090141112113
Показать всё Скрыть всё

Технические чертежи

Габаритный чертеж Глухой полый вал, кабельный ввод Вид: Галерея Список Показать всё Скрыть всё
Показать всё Скрыть всё