0
ETI    SIEMENS    ABB    WIKA    IFM    ELKO EP    HYUNDAI    VEGA    KSR KUEBLER    Johnson Controls    Siemens IA/DT (CA01)    Bosch Rexroth    Alfa Laval    SICK    Others  

VMS440 Contour Verification

Код: VMS440
Связатся с нами: 067 285 7770

В корзину

Показать всё Скрыть всё

  • Характеристики
    Источник светаВидимый свет (λ = 650 нм)
    Класс лазера2
    Средняя наработка на отказ80.000 h
    MTTR< 10 min
    Области примененияРитейл и складирование
    Область примененияIndoor
    Вращение объекта± 45°
    Вид транспортного оборудованияЛенточные конвейеры
    Количество основных компонентов7
  • Производительность
    Скорость транспортировки≤ 2 m/s
    Максимальный размер объекта2.000 mm x 1.000 mm x 1.000 mm
    Минимальный размер объекта200 mm x 100 mm x 100 mm
    Минимальный промежуток между объектами1.200 mm, По спецификации заказчика
    Точность распознавания объекта

    ± 5 mm x ± 5 mm x ± 5 mm (Д x Ш x В, до 1 м/с)

    ± 10 mm x ± 5 mm x ± 5 mm (Д x Ш x В, до 2 м/с)

  • Интерфейсы
    Ethernet✔ (2)
    Скорость передачи данных10 Mbit/s ... 100 Mbit/s
    ПротоколFTP, TCP/IP, Server/Client
    Последовательный✔ (2)
    Скорость передачи данных300 bit/s ... 57.600 bit/s
    PROFIBUS DP
    Скорость передачи данных12 MBaud
    ПротоколPROFIBUS DP
    Переключающий вход, оптически изолированный, с защитой от перемены полярности✔ (13)
    Переключающий выход PNP, плюс 24 В, 30 мА
    Переключающий выход, с нулевым потенциалом✔ (2)
    Данные вывода

    XML

    ASCII

    Пользовательский протокол

    Интерфейс настройкиEthernet: SOPAS Engineering Tool
  • Механика/электроника
    Размеры, система (Д x Ш x В)По спецификации заказчика
    Тип защитыIP54 (EN60529)
    Напряжение питания100 V AC≤ 264 V
    Сетевая частота50 Hz ... 60 Hz
    ЭнкодерыРазрешение 0,2 мм
    Потребляемая мощность150 W, 480 W
    Материал корпусаНержавеющая сталь, алюминий, пластмасса
  • Данные окружающей среды
    Рабочий диапазон температур0 °C ... +40 °C
    Диапазон температур при хранении–20 °C ... +70 °C
    Допустимая относительная влажность воздуха90 %, без образования конденсата
    Нечувствительность ко внешним источникам света2.000 lx
    Диффузное отражение15 % ... max. 200 %, (на базе Kodak White Paper и лазера красного света), не блестящий объект (например, клейкая лента) Дальнейшая информация содержится в руководстве по эксплуатации LMS400 в главах 3.6.1 и 3.6.2
  • Общие указания
    Комплект поставки

    1 x MSC800

    1 x VMC800

    1 x DFV60

    4 x VMD

    Соединительный кабель, кронштейны, рамы (с учетом требований заказчика)

  • Классификации
    ECl@ss 5.027281001
    ECl@ss 5.1.427280190
    ECl@ss 6.027280190
    ECl@ss 6.227280190
    ECl@ss 7.027280190
    ECl@ss 8.027280190
    ECl@ss 8.127280190
    ECl@ss 9.027280190
    UNSPSC 16.090143211701
Показать всё Скрыть всё

Технические чертежи

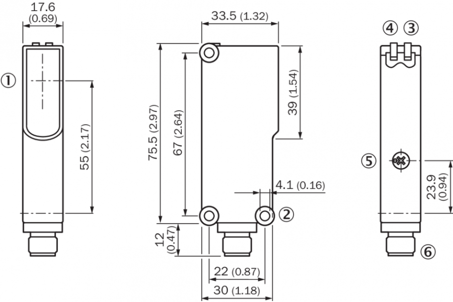
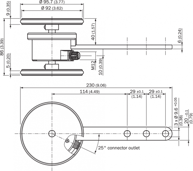
DFV60 Габаритный чертеж VMC800 Габаритный чертеж Монтажное крепление VMD500 Габаритный чертеж Вид: Галерея Список Показать всё Скрыть всё
Показать всё Скрыть всё