0
ETI    SIEMENS    ABB    WIKA    IFM    ELKO EP    HYUNDAI    VEGA    KSR KUEBLER    Johnson Controls    Siemens IA/DT (CA01)    Bosch Rexroth    Alfa Laval    SICK    Others  

WFS3-40N415

Код: 6043920
Связатся с нами: 067 285 7770

В корзину

Показать всё Скрыть всё

  • Характеристики
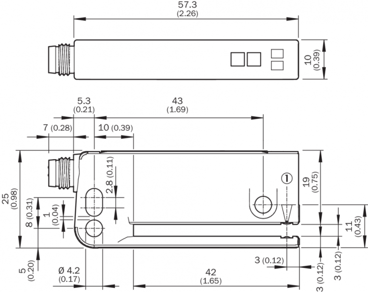
    Размеры (Ш x В x Г)10 mm x 25 mm x 64,3 mm
    Принцип действияПринцип оптического обнаружения
    Форма корпуса (выход света)Вилочная форма
    Ширина щели3 mm
    Глубина щели42 mm
    Минимальный размер детектируемого объекта (MDO)Зазор между этикетками / Размер этикетки: 2 mm 1)
    Обнаружение этикеток
    Источник светаСветодиод, Инфракрасный свет
    Настройка

    Кнопка «Плюс» / «Минус» (Настройка, чувствительность, «СВЕТЛО/ТЕМНО»)

    Кабель (динамическое обучение)

    Метод настройки

    2-точечная настройка

    Динамическое обучение

    Функция выходного сигнала«СВЕТЛО/ТЕМНО» устанавливается клавишей
    • 1) Зависит от толщины этикетки.
  • Механика/электроника
    Напряжение питания10 V DC ... 30 V DC 1)
    Остаточная пульсация< 10 % 2)
    Потребление тока20 mA 3)
    Частота переключения10 kHz 4)
    Оценка50 µs 5)
    Стабильность времени отклика± 20 µs
    Неустойчивость40 µs
    Переключающий выходNPN
    Дискретный выход (напряжение)NPN: HIGH = прибл. UВ/LOW ≤ 2 В
    Тип переключенияСВЕТЛО/ТЕМНО
    Выходной ток Iмакс.100 mA
    Вход, настройка (ET)Teach: U > 5 V ... < UVNPNTeach: U < (UV – 6 V)Run: U > (UV – 5 V)
    Время инициализации20 ms
    Тип подключенияРазъем M8, 4-конт.
    Нечувствительность ко внешним источникам света≤ 10.000 lx
    Класс защитыIII
    Схемы защиты

    Uв-подключения с защитой от переполюсовки

    Выход Q с защитой от короткого замыкания

    Подавление импульсных помех

    Тип защитыIP65
    ВесОк. 36 g
    Материал корпусаPA (армированный стекловолокном)
    • 1) Предельные значения, с защитой от переполюсовки. Эксплуатация в защищенных от короткого замыкания сетях с силой тока не более 8 A.
    • 2) Не допускается превышение или занижение допуска Uv.
    • 3) Без нагрузки.
    • 4) При соотношении светло/темно 1:1.
    • 5) Продолжительность сигнала при омической нагрузке.
  • Данные окружающей среды
    Диапазон температур при работе–20 °C ... +60 °C 1)
    Диапазон температур при хранении–30 °C ... +80 °C
    Устойчивость к сотрясениямСогласно EN 60068-2-27
    № файла ULNRKH.E191603
    • 1) Запрещается деформировать кабель ниже 0 °C.
  • Классификации
    ECl@ss 5.027270909
    ECl@ss 5.1.427270909
    ECl@ss 6.027270909
    ECl@ss 6.227270909
    ECl@ss 7.027270909
    ECl@ss 8.027270909
    ECl@ss 8.127270909
    ECl@ss 9.027270909
    ETIM 5.0EC002720
    ETIM 6.0EC002720
    UNSPSC 16.090139121528
Показать всё Скрыть всё

Технические чертежи

Габаритный чертеж Схема соединений cd-092 Варианты настройки Настройка: обучение с помощью кнопок «плюс/минус» (WFxx-B416) Вид: Галерея Список Показать всё Скрыть всё
Показать всё Скрыть всё