0
ETI    SIEMENS    ABB    WIKA    IFM    ELKO EP    HYUNDAI    VEGA    KSR KUEBLER    Johnson Controls    Siemens IA/DT (CA01)    Bosch Rexroth    Alfa Laval    SICK    Others  

WL11G-2B2531

Код: 1041390
Связатся с нами: 067 285 7770

В корзину

Показать всё Скрыть всё

  • Характеристики
    Принцип датчика/ обнаруженияДатчик с отражением от рефлектора, Автоколлимация
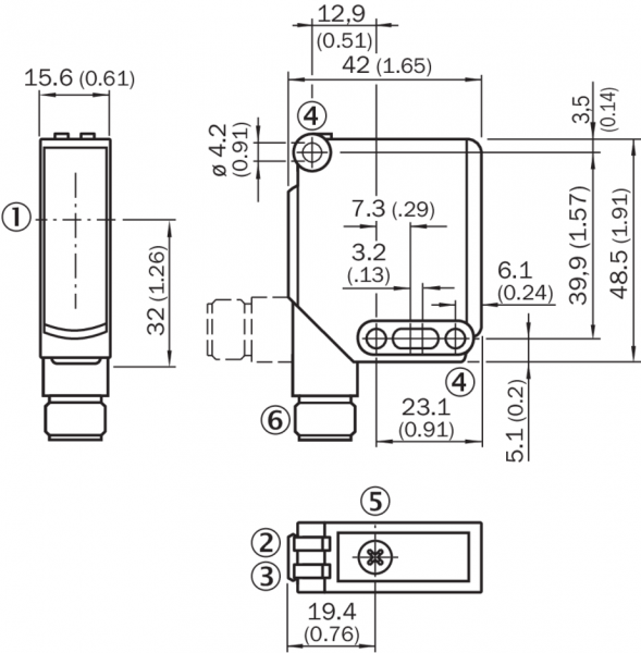
    Размеры (Ш x В x Г)15,6 mm x 48,5 mm x 42 mm
    Форма корпуса (выход света)Прямоугольный
    Дистанция работы, макс.0 m ... 4 m 1)
    Расстояние срабатывания0 m ... 4 m 1)
    Вид излученияВидимый красный свет
    Источник светаСветодиод 2)
    Размеры светового пятна (расстояние)Ø 25 mm (1,5 m)
    Угол излученияОк. 1,5°
    Длина волны640 nm
    НастройкаПотенциометр, 11 оборотов
    Специальные случаи примененияОбнаружение прозрачных объектов
    • 1) Отражатель PL80A.
    • 2) Средний срок службы: 100 000 ч при TU = +25 °C.
  • Механика/электроника
    Напряжение питания10 V DC ... 30 V DC 1)
    Остаточная пульсация≤ 5 Vss 2)
    Потребление тока≤ 30 mA 3)
    Переключающий выход

    PNP 4)

    NPN 5)

    Тип переключенияСВЕТЛО/ТЕМНО 4) 5)
    Тип переключения по выборуПо выбору, через кабель управления L/D
    Сигнальное напряжение PNP HIGH/LOWUv - 3 V / ca. 0 V
    Сигнальное напряжение NPN HIGH/LOWОк. Uv/ < 3 В
    Выходной ток Iмакс.100 mA
    Оценка≤ 330 µs 6)
    Частота переключения1.500 Hz 7)
    Демпфирование на пути луча> 8 %
    Тип подключенияРазъем M12, 5-конт.
    Схемы защиты

    A 8)

    C 9)

    D 10)

    Класс защитыII
    Вес120 g
    Поляризационный фильтр
    Материал корпусаПластик, ABS
    Материал, оптикаПластик, PMMA
    Тип защиты

    IP66

    IP67

    IP69K

    Специальное исполнениеОбнаружение прозрачных объектов
    Диапазон температур при работе–30 °C ... +60 °C
    Диапазон температур при хранении–40 °C ... +75 °C
    № файла ULNRKH.E181493 & NRKH7.E181493
    • 1) Предельные значения при работе в защищенной от короткого замыкания сети макс. 8 А.
    • 2) Не допускается превышение или занижение допуска Uv.
    • 3) Без нагрузки.
    • 4) 0 В или без подключения, срабатывание по свету.
    • 5) Uv, срабатывание по затенению.
    • 6) Продолжительность сигнала при омической нагрузке.
    • 7) При соотношении светло/темно 1:1.
    • 8) А = подключения UV с защитой от переполюсовки.
    • 9) C = подавление импульсных помех.
    • 10) D = выходы с защитой от короткого замыкания.
  • Классификации
    ECl@ss 5.027270902
    ECl@ss 5.1.427270902
    ECl@ss 6.027270902
    ECl@ss 6.227270902
    ECl@ss 7.027270902
    ECl@ss 8.027270902
    ECl@ss 8.127270902
    ECl@ss 9.027270902
    ETIM 5.0EC002717
    ETIM 6.0EC002717
    UNSPSC 16.090139121528
Показать всё Скрыть всё

Технические чертежи

Опции настройки Габаритный чертеж Схема соединений cd-145 Характеристика WL11G-2 Диаграмма расстояний срабатывания WL11G-2 Вид: Галерея Список Показать всё Скрыть всё
Показать всё Скрыть всё