0
ETI    SIEMENS    ABB    WIKA    IFM    ELKO EP    HYUNDAI    VEGA    KSR KUEBLER    Johnson Controls    Siemens IA/DT (CA01)    Bosch Rexroth    Alfa Laval    SICK    Others  

WL12GC-3P2472B01

Код: 1070335
Связатся с нами: 067 285 7770

В корзину

Показать всё Скрыть всё

  • Характеристики
    Принцип датчика/ обнаруженияДатчик с отражением от рефлектора, Автоколлимация
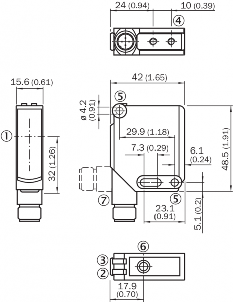
    Размеры (Ш x В x Г)15,6 mm x 48,5 mm x 42 mm
    Форма корпуса (выход света)Прямоугольный
    Дистанция работы, макс.0 m ... 4 m
    Расстояние срабатывания0 m ... 4 m 1)
    Вид излученияВидимый красный свет
    Источник светаСветодиод PinPoint 2)
    Размеры светового пятна (расстояние)Ø 25 mm (1,5 m)
    Длина волны660 nm
    Настройка

    IO-Link

    Кнопка настройки

    Конфигурация контакта 2Внешний вход, вход для обучения, вход передатчик выкл., выход детекции, логический выход, Выход сигнала тревоги для индикации эксплуатационной безопасности
    ДиагностикаЭксплуатационная надёжность, качество обучения
    AutoAdapt
    Специальные случаи примененияОбнаружение прозрачных объектов
    Особые свойства

    Настройка по умолчанию: прозрачные объекты, порог срабатывания 50 % (настройка 2–5 с)

    Постоянная корректировка порога срабатывания на основе параметров времени

    Функциональная совместимость с WL12GC-3P2472A91

    • 1) Отражатель PL80A.
    • 2) Средний срок службы: 100 000 ч при TU = +25 °C.
  • Механика/электроника
    Напряжение питания10 V DC ... 30 V DC 1)
    Остаточная пульсация≤ 5 Vss 2)
    Потребление тока≤ 30 mA 3)
    Переключающий выходPNP
    Тип переключенияСВЕТЛО/ТЕМНО
    Сигнальное напряжение PNP HIGH/LOWОк. UV — 2,5 В/0 В
    Выходной ток Iмакс.≤ 100 mA
    Оценка Q/на контакте 2200 µs ... 300 µs 4) 5)
    Частота переключения1.500 Hz 6)
    Частота переключения Q/на контакте 2≤ 1.500 Hz 7)
    Демпфирование на пути луча> 8 %
    Тип подключенияРазъем M12, 4-конт.
    Схемы защиты

    A 8)

    B 9)

    C 10)

    D 11)

    Класс защитыIII
    Вес120 g
    Поляризационный фильтр
    IO-Link
    Скорость передачиCOM2
    Материал корпусаМеталл, Цинк, литье под давлением
    Материал, оптикаПластик, PMMA
    Тип защиты

    IP66

    IP67

    Специальное исполнениеОбнаружение прозрачных объектов
    Диапазон температур при работе–40 °C ... +60 °C
    Диапазон температур при хранении–40 °C ... +75 °C
    № файла ULNRKH.E181493 & NRKH7.E181493
    Стабильность повторяемости Q/на контакте 2:100 µs 5)
    • 1) Предельные значения при работе в защищенной от короткого замыкания сети макс. 8 А.
    • 2) Не допускается превышение или занижение допуска Uv.
    • 3) Без нагрузки.
    • 4) Продолжительность сигнала при омической нагрузке.
    • 5) Действительно для Qна конт. 2, если настроено через программное обеспечение.
    • 6) При соотношении светло/темно 1:1.
    • 7) При соотношении «светло/темно» 1:1, действительно для Qна конт. 2, если настроено через программное обеспечение.
    • 8) А = подключения UV с защитой от переполюсовки.
    • 9) B = входы и выходы с защитой от инверсии полярности.
    • 10) C = подавление импульсных помех.
    • 11) D = выходы с защитой от короткого замыкания.
  • Классификации
    ECl@ss 5.027270902
    ECl@ss 5.1.427270902
    ECl@ss 6.027270902
    ECl@ss 6.227270902
    ECl@ss 7.027270902
    ECl@ss 8.027270902
    ECl@ss 8.127270902
    ECl@ss 9.027270902
    ETIM 5.0EC002717
    ETIM 6.0EC002717
    UNSPSC 16.090139121528
  • Smart Task
    Логическая функция

    Прямой

    И

    ИЛИ

    ОКНО

    Гистерезис

    Функция таймера

    Деактивирован

    Задержка включения

    Задержка выключения

    Замедление включения и выключения

    Импульс (One Shot)

    ИнверторДа
    Время отклика

    SIO Direct: 300 µs ... 450 µs 1)

    SIO Logic: 550 µs ... 650 µs 2)

    IOL: --- 3)

    Точность метки времени

    SIO Direct: --- 1)

    SIO Logic: --- 2)

    IOL: –90 ... +90 мкс 3)

    Точность воспроизведения

    SIO Direct: 150 µs 1)

    SIO Logic: 150 µs 2)

    IOL: --- 3)

    Минимальное время между двумя событиями процесса

    SIO Direct: 450 µs 1)

    SIO Logic: 450 µs 2)

    IOL: 500 ms 3)

    Количество буферов метки времени

    SIO Direct: ---

    SIO Logic: ---

    IOL: 8

    Макс. дальность сканирования метки времени

    SIO Direct: ---

    SIO Logic: ---

    IOL: 260 ms

    Время устранения дребезга, макс.

    SIO Direct: --- 1)

    SIO Logic: 52 ms 2)

    IOL: 52 ms 3)

    Дискретный сигнал QL1Переключающий выход
    Дискретный сигнал QL2Переключающий выход
    Измеряемое значениеМетка времени
    • 1) SIO Direct: работа датчика в стандартном режиме I/O без коммуникации IO-Link и без применения логических и временных параметров датчика (настройка «прямой»/«неактивный»).
    • 2) SIO Logic: работа датчика в стандартном режиме I/O без коммуникации IO-Link. Применение логических и временных параметров датчика, дополнительные функции автоматизации.
    • 3) IOL: работа датчика с полной коммуникацией IO-Link и применением логических, временных параметров и параметров функций автоматизации.
  • Интерфейс связи
    Интерфейс связиIO-Link V1.1
    Коммуникационный интерфейс, детальное описаниеCOM2 (38,4 kBaud)
    Время цикла2,3 ms
    Длина технологических данных16 Bit
    Структура технологических данных

    Бит 0 = дискретный сигнал QL1

    Бит 1 = дискретный сигнал QL2

    Бит 2 ... 15 = измеряемое значение

Показать всё Скрыть всё

Технические чертежи

Опции настройки WL11-2, Teach-in Функции Габаритный чертеж Схема соединений cd-367 Размер светового пятна Диаграмма расстояний срабатывания WL12G-3 Вид: Галерея Список Показать всё Скрыть всё
Показать всё Скрыть всё