0
ETI    SIEMENS    ABB    WIKA    IFM    ELKO EP    HYUNDAI    VEGA    KSR KUEBLER    Johnson Controls    Siemens IA/DT (CA01)    Bosch Rexroth    Alfa Laval    SICK    Others  

WL2SG-2N1135

Код: 1065934
Связатся с нами: 067 285 7770

В корзину

Показать всё Скрыть всё

  • Характеристики
    Принцип датчика/ обнаруженияДатчик с отражением от рефлектора, Автоколлимация
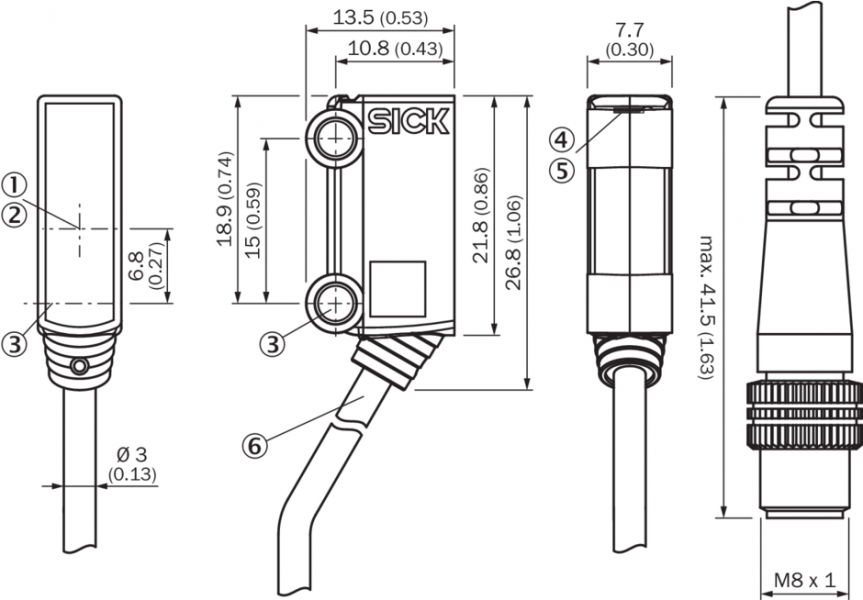
    Размеры (Ш x В x Г)7,7 mm x 21,8 mm x 13,5 mm
    Форма корпуса (выход света)Прямоугольный
    Дистанция работы, макс.0 m ... 1,2 m 1)
    Расстояние срабатывания0 m ... 0,55 m 1)
    Вид излученияВидимый красный свет
    Источник светаСветодиод PinPoint 2)
    Размеры светового пятна (расстояние)Ø 12 mm (250 mm)
    Длина волны640 nm
    НастройкаКабель
    AutoAdapt
    Специальные случаи примененияОбнаружение прозрачных объектов
    Особые свойстваОбнаружение прозрачных объектов
    • 1) Отражатель P250F.
    • 2) Средний срок службы: 100 000 ч при TU = +25 °C.
  • Механика/электроника
    Напряжение питания10 V DC ... 30 V DC 1)
    Остаточная пульсация≤ 5 Vss 2)
    Потребление тока≤ 20 mA 3)
    Переключающий выходNPN
    Тип переключенияСВЕТЛО
    Выходной ток Iмакс.< 50 mA
    Оценка< 0,5 ms 4)
    Частота переключения1.000 Hz 5)
    Тип подключенияКабель, 4-жильный, 2 m 6)
    Материал кабеляPVC
    Диаметр проводаØ 3 mm
    Схемы защиты

    A 7)

    B 8)

    D 9)

    Поляризационный фильтр
    Материал корпусаПластик, ABS/PC
    Материал, оптикаПластик, PMMA
    Тип защитыIP67
    Специальное исполнениеОбнаружение прозрачных объектов
    Диапазон температур при работе–20 °C ... +50 °C
    Диапазон температур при хранении–40 °C ... +75 °C
    № файла ULNRKH.E181493
    • 1) Предельные значения.
    • 2) Не допускается превышение или занижение допуска Uv.
    • 3) Без нагрузки.
    • 4) Продолжительность сигнала при омической нагрузке.
    • 5) При соотношении светло/темно 1:1.
    • 6) Запрещается деформировать кабель ниже 0 °C.
    • 7) А = подключения UV с защитой от переполюсовки.
    • 8) B = выходы с защитой от переполюсовки.
    • 9) D = выходы с защитой от короткого замыкания.
  • Классификации
    ECl@ss 5.027270902
    ECl@ss 5.1.427270902
    ECl@ss 6.027270902
    ECl@ss 6.227270902
    ECl@ss 7.027270902
    ECl@ss 8.027270902
    ECl@ss 8.127270902
    ECl@ss 9.027270902
    ETIM 5.0EC002717
    ETIM 6.0EC002717
    UNSPSC 16.090139121528
Показать всё Скрыть всё

Технические чертежи

Схема соединений cd-093 Характеристика WL2S-2 Размер светового пятна WL2S-2 Диаграмма расстояний срабатывания WL2S-2 Габаритный чертеж WL2S-2 Вид: Галерея Список Показать всё Скрыть всё
Показать всё Скрыть всё