0
ETI    SIEMENS    ABB    WIKA    IFM    ELKO EP    HYUNDAI    VEGA    KSR KUEBLER    Johnson Controls    Siemens IA/DT (CA01)    Bosch Rexroth    Alfa Laval    SICK    Others  

WL2SGC-2P3234A00

Код: 1063648
Связатся с нами: 067 285 7770

В корзину

Показать всё Скрыть всё

  • Характеристики
    Принцип датчика/ обнаруженияДатчик с отражением от рефлектора, Автоколлимация
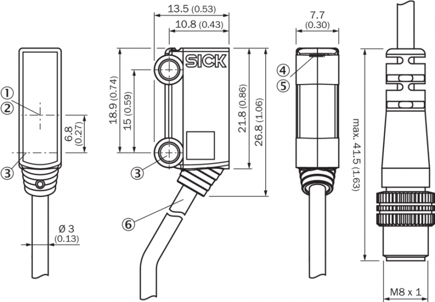
    Размеры (Ш x В x Г)7,7 mm x 21,8 mm x 13,5 mm
    Форма корпуса (выход света)Прямоугольный
    Дистанция работы, макс.0 m ... 1,2 m 1)
    Расстояние срабатывания0 m ... 0,55 m 1)
    Вид излученияВидимый красный свет
    Источник светаСветодиод PinPoint 2)
    Размеры светового пятна (расстояние)Ø 12 mm (250 mm)
    Длина волны640 nm
    НастройкаIO-Link
    Конфигурация контакта 2Внешний вход, вход для обучения, вход передатчик выкл., выход детекции, логический выход, Выход сигнала тревоги для индикации эксплуатационной безопасности
    ДиагностикаЭксплуатационная надёжность, качество обучения
    AutoAdapt
    Специальные случаи примененияОбнаружение прозрачных объектов
    Особые свойстваОбнаружение прозрачных объектов
    • 1) Отражатель P250F.
    • 2) Средний срок службы: 100 000 ч при TU = +25 °C.
  • Механика/электроника
    Напряжение питания10 V DC ... 30 V DC 1)
    Остаточная пульсация≤ 5 Vss 2)
    Потребление тока≤ 20 mA 3)
    Переключающий выходPNP
    Тип переключенияСВЕТЛО/ТЕМНО
    Выходной ток Iмакс.< 50 mA
    Оценка< 0,5 ms 4)
    Оценка Q/на контакте 2300 µs ... 450 µs 4) 5)
    Частота переключения1.000 Hz
    Частота переключения Q/на контакте 21.000 Hz 5) 6)
    Тип подключенияКабель с разъемом M8, 4-конт., 200 mm 7)
    Материал кабеляPVC
    Диаметр проводаØ 3 mm
    Схемы защиты

    A 8)

    B 9)

    D 10)

    Класс защитыIII
    Поляризационный фильтр
    IO-Link
    Скорость передачиCOM2
    Материал корпусаПластик, ABS/PC
    Материал, оптикаПластик, PMMA
    Тип защитыIP67
    Специальное исполнениеОбнаружение прозрачных объектов
    Диапазон температур при работе–20 °C ... +50 °C
    Диапазон температур при хранении–40 °C ... +75 °C
    № файла ULNRKH.E181493
    Стабильность повторяемости Q/на контакте 2:150 µs
    • 1) Предельные значения.
    • 2) Не допускается превышение или занижение допуска Uv.
    • 3) Без нагрузки.
    • 4) Продолжительность сигнала при омической нагрузке.
    • 5) Действительно для Qна конт. 2, если настроено через программное обеспечение.
    • 6) При соотношении светло/темно 1:1.
    • 7) Запрещается деформировать кабель ниже 0 °C.
    • 8) А = подключения UV с защитой от переполюсовки.
    • 9) B = выходы с защитой от переполюсовки.
    • 10) D = выходы с защитой от короткого замыкания.
  • Классификации
    ECl@ss 5.027270902
    ECl@ss 5.1.427270902
    ECl@ss 6.027270902
    ECl@ss 6.227270902
    ECl@ss 7.027270902
    ECl@ss 8.027270902
    ECl@ss 8.127270902
    ECl@ss 9.027270902
    ETIM 5.0EC002717
    ETIM 6.0EC002717
    UNSPSC 16.090139121528
  • Smart Task
    Обозначение интеллектуальной задачиБазовая логика
    Логическая функция

    Прямой

    И

    ИЛИ

    ОКНО

    Гистерезис

    Функция таймера

    Деактивирован

    Задержка включения

    Задержка выключения

    Замедление включения и выключения

    Импульс (One Shot)

    ИнверторДа
    Частота переключения

    SIO Direct: 1000 Hz

    SIO Logic: 1000 Hz

    IOL: 900 Hz

    Время отклика

    SIO Direct: 300 µs ... 450 µs 1)

    SIO Logic: 500 µs ... 600 µs 2)

    IOL: 500 µs ... 900 µs 3)

    Точность воспроизведения

    SIO Direct: 150 µs 1)

    SIO Logic: 150 µs 2)

    IOL: 400 µs 3)

    Дискретный сигнал QL1Переключающий выход
    Дискретный сигнал QL2Переключающий выход
    • 1) SIO Direct: работа датчика в стандартном режиме I/O без коммуникации IO-Link и без применения логических и временных параметров датчика (настройка «прямой»/«неактивный»).
    • 2) SIO Logic: работа датчика в стандартном режиме I/O без коммуникации IO-Link. Применение логических и временных параметров датчика, дополнительные функции автоматизации.
    • 3) IOL: работа датчика с полной коммуникацией IO-Link и применением логических, временных параметров и параметров функций автоматизации.
  • Интерфейс связи
    Интерфейс связиIO-Link V1.1
    Коммуникационный интерфейс, детальное описаниеCOM2 (38,4 kBaud)
    Время цикла2,3 ms
    Длина технологических данных16 Bit
    Структура технологических данных

    Бит 0 = дискретный сигнал QL1

    Бит 1 = дискретный сигнал QL2

    Бит 2 ... 15 = пустой

Показать всё Скрыть всё

Технические чертежи

Характеристика WL2S-2 Размер светового пятна WL2S-2 Диаграмма расстояний срабатывания WL2S-2 Габаритный чертеж WL2S-2 Схема соединений cd-367 Вид: Галерея Список Показать всё Скрыть всё
Показать всё Скрыть всё