0
ETI    SIEMENS    ABB    WIKA    IFM    ELKO EP    HYUNDAI    VEGA    KSR KUEBLER    Johnson Controls    Siemens IA/DT (CA01)    Bosch Rexroth    Alfa Laval    SICK    Others  

WLL170-2N390

Код: 6029525
Связатся с нами: 067 285 7770

В корзину

Показать всё Скрыть всё

  • Характеристики
    Принцип датчика/ обнаруженияОптоволоконный фотоэлектрический датчик
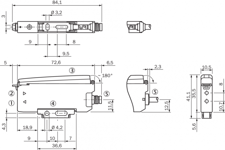
    Размеры (Ш x В x Г)10,5 mm x 35,5 mm x 83,7 mm
    Форма корпуса (выход света)Прямоугольный
    Дистанция работы, макс.0 mm ... 1.700 mm, Система на пересечение луча 1)
    Расстояние срабатывания

    0 mm ... 45 mm, Система отражения от объекта 2) 3)

    0 mm ... 350 mm, Система на пересечение луча 4)

    Фокус 5)
    Вид излученияВидимый зеленый свет
    Источник светаСветодиод 6)
    Угол излученияОк. 65° 5)
    Длина волны520 nm
    НастройкаПотенциометр, 10 оборотов
    Тип времениЗадержка выключения
    Время задержкиВыбирается ползунковым переключателем, 40 ms
    ИндикацияСветодиод
    • 1) Оптоволоконный кабель LL3-TB02 и насадочная линза LL3-TA01.
    • 2) Белый объект — объект с коэффициентом диффузного отражения 90 % (на основе стандарта белого, DIN 5033), расстояние срабатывания зависит от оптоволоконного кабеля.
    • 3) Оптоволоконный кабель LL3-DK06.
    • 4) LL3-TB01.
    • 5) См. данные оптоволоконного кабеля LL3.
    • 6) Средний срок службы: 100 000 ч при TU = +25 °C.
  • Механика/электроника
    Напряжение питания10 V DC ... 30 V DC 1)
    Остаточная пульсация10 % 2)
    Потребление тока≤ 30 mA 3)
    Переключающий выходNPN
    Количество переключающих выходов1
    Тип переключенияСВЕТЛО/ТЕМНО
    Тип переключения по выборуВыбирается, через переключатель СВЕТЛО/ТЕМНО (L/D)
    Выходной ток Iмакс.≤ 100 mA
    Оценка≤ 250 µs 4)
    Частота переключения2.000 Hz 5)
    Вход-
    Тип подключенияРазъем M8, 3-конт.
    Схемы защиты

    A 6)

    B 7)

    C 8)

    D 9)

    Класс защитыIII
    Вес70 g
    Материал корпусаПластик, ABS/PC
    Тип защитыIP66 10)
    Комплект поставкиКрепежный уголок BEF-WLL170
    Диапазон температур при работе–25 °C ... +55 °C
    Диапазон температур при хранении–40 °C ... +70 °C
    № файла ULNRKH.E300503 & NRKH7.E300503
    • 1) Предельные значения.
    • 2) Не допускается превышение или занижение допуска Uv.
    • 3) Без нагрузки.
    • 4) Продолжительность сигнала при омической нагрузке.
    • 5) При соотношении светло/темно 1:1.
    • 6) А = подключения UV с защитой от переполюсовки.
    • 7) B = входы и выходы с защитой от инверсии полярности.
    • 8) C = подавление импульсных помех.
    • 9) D = выходы с защитой от короткого замыкания.
    • 10) При правильно подключенных оптоволоконных кабелях LL3 и закрытом защитном кожухе.
  • Классификации
    ECl@ss 5.027270905
    ECl@ss 5.1.427270905
    ECl@ss 6.027270905
    ECl@ss 6.227270905
    ECl@ss 7.027270905
    ECl@ss 8.027270905
    ECl@ss 8.127270905
    ECl@ss 9.027270905
    ETIM 5.0EC002651
    ETIM 6.0EC002651
    UNSPSC 16.090139121528
Показать всё Скрыть всё

Технические чертежи

Опции настройки WLL170-2 Схема соединений cd-045 Габаритный чертеж WLL170-2 Вид: Галерея Список Показать всё Скрыть всё
Показать всё Скрыть всё