0
ETI    SIEMENS    ABB    WIKA    IFM    ELKO EP    HYUNDAI    VEGA    KSR KUEBLER    Johnson Controls    Siemens IA/DT (CA01)    Bosch Rexroth    Alfa Laval    SICK    Others  

WSE4-3P2130

Код: 1028163
Связатся с нами: 067 285 7770

В корзину

Показать всё Скрыть всё

  • Характеристики
    Принцип датчика/ обнаруженияОднопроходной датчик (на пересечение луча)
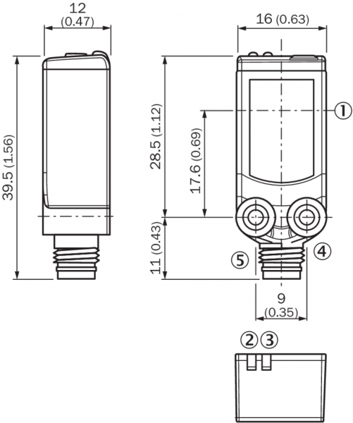
    Размеры (Ш x В x Г)16 mm x 39,5 mm x 12 mm
    Форма корпуса (выход света)Прямоугольный
    Дистанция работы, макс.0 m ... 4 m
    Расстояние срабатывания0 m ... 3,5 m
    Вид излученияВидимый красный свет
    Источник светаСветодиод PinPoint 1)
    Размеры светового пятна (расстояние)Ø 210 mm (2 m)
    Длина волны650 nm
    НастройкаОтсутствует
    • 1) Средний срок службы: 100 000 ч при TU = +25 °C.
  • Механика/электроника
    Напряжение питания10 V DC ... 30 V DC 1)
    Остаточная пульсация< 5 Vss 2)
    Потребление тока≤ 20 mA 3)
    Переключающий выходPNP
    Тип переключенияСВЕТЛО
    Выходной ток Iмакс.≤ 100 mA
    Оценка< 0,5 ms 4)
    Частота переключения1.000 Hz 5)
    Тип подключенияРазъем M8, 3-конт.
    Схемы защиты

    A 6)

    C 7)

    D 8)

    Класс защитыIII
    Вес60 g
    Материал корпусаПластик, ABS
    Материал, оптикаПластик, PMMA
    Тип защиты

    IP67

    IP66

    Тестовый вход, передатчик выкл.TE после 0 В
    Диапазон температур при работе–40 °C ... +60 °C
    Диапазон температур при хранении–40 °C ... +75 °C
    № файла ULNRKH.E181493 & NRKH7.E181493
    Артикул отдельных компонентов2039061 WS4-3D2130 2039067 WE4-3P2130
    • 1) Предельные значения.
    • 2) Не допускается превышение или занижение допуска Uv.
    • 3) Передатчик.
    • 4) Продолжительность сигнала при омической нагрузке.
    • 5) При соотношении светло/темно 1:1.
    • 6) А = подключения UV с защитой от переполюсовки.
    • 7) C = подавление импульсных помех.
    • 8) D = выходы с защитой от короткого замыкания.
  • Классификации
    ECl@ss 5.027270901
    ECl@ss 5.1.427270901
    ECl@ss 6.027270901
    ECl@ss 6.227270901
    ECl@ss 7.027270901
    ECl@ss 8.027270901
    ECl@ss 8.127270901
    ECl@ss 9.027270901
    ETIM 5.0EC002716
    ETIM 6.0EC002716
    UNSPSC 16.090139121528
Показать всё Скрыть всё

Технические чертежи

схема соединений Характеристика WSE4-3 Диаграмма расстояний срабатывания WSE4-3 Габаритный чертеж WSE4-3 Вид: Галерея Список Показать всё Скрыть всё
Показать всё Скрыть всё