(044) 466 87 70, (067) 386 78 58, (094) 954 25 46
info@avigan.com.ua
English
About us
Вход
Регистрация
Корзина
ב"ה
0
Menu
Главная
О КОМПАНИИ
Обзоры Применений
КАТАЛОГ
ETI
SIEMENS
ABB
WIKA
IFM
ELKO EP
HYUNDAI
VEGA
KSR KUEBLER
Johnson Controls
Siemens IA/DT (CA01)
Bosch Rexroth
Alfa Laval
SICK
Others
КОНТАКТЫ
НОВОСТИ
ОТЗЫВЫ
Семейство MultiLine
Главная
»
SICK
»
Фотоэлектрические датчики
»
Фотоэлектрические датчики
»
Семейство MultiLine
ETI
SIEMENS
ABB
WIKA
IFM
ELKO EP
HYUNDAI
VEGA
KSR KUEBLER
Johnson Controls
Siemens IA/DT (CA01)
Bosch Rexroth
Alfa Laval
SICK
Others
WTB4-3N3192S91
Код: 1092722
Связатся с нами: 067 285 7770
Поделиться
Facebook
Twitter
Google Plus
В корзину
Описание
Показать всё
Скрыть всё
Характеристики
Принцип датчика/ обнаружения
Датчик с отражением от объекта, Подавление заднего фона
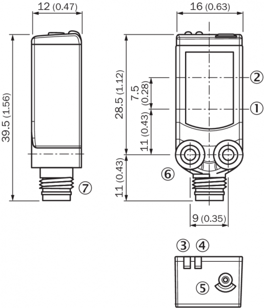
Размеры (Ш x В x Г)
16 mm x 39,5 mm x 12 mm
Форма корпуса (выход света)
Прямоугольный
Дистанция работы, макс.
5 mm ... 120 mm 1)
Расстояние срабатывания
40 mm ... 120 mm 1)
Вид излучения
Видимый красный свет
Источник света
Светодиод PinPoint 2)
Размеры светового пятна (расстояние)
5 mm x 22 mm (40 mm) 3)
Длина волны
650 nm
Настройка
Кнопка настройки
AutoAdapt
✔
Специальные случаи применения
Обнаружение перфорированных объектов, Обнаружение объектов с неровной и блестящей поверхностью, Обнаружение объектов, завернутых в пленку
Особые свойства
Многократное подавление заднего фона
1) Белый объект — объект с коэффициентом диффузного отражения 90 % (на основе стандарта белого, DIN 5033).
2) Средний срок службы: 100 000 ч при TU = +25 °C.
3) Два параллельных световых пятна линейной формы.
Механика/электроника
Напряжение питания
10 V DC ... 30 V DC 1)
Остаточная пульсация
< 5 Vss 2)
Потребление тока
≤ 30 mA 3)
Переключающий выход
NPN
Тип переключения
СВЕТЛО
Выходной ток Iмакс.
≤ 100 mA
Оценка
< 1,2 ms 4)
Частота переключения
400 Hz 5)
Тип подключения
Кабель с разъемом M8, 3-конт., 100 mm 6)
Материал кабеля
PVC
Схемы защиты
A 7)
C 8)
D 9)
Класс защиты
III
Вес
30 g
Материал корпуса
Пластик, ABS
Материал, оптика
Пластик, PMMA
Тип защиты
IP67
IP66
Специальное исполнение
Обнаружение прозрачных объектов, Линейное световое пятно
Диапазон температур при работе
–40 °C ... +60 °C
Диапазон температур при хранении
–40 °C ... +75 °C
№ файла UL
NRKH.E181493 & NRKH7.E181493
1) Предельные значения при работе в защищенной от короткого замыкания сети макс. 8 А.
2) Не допускается превышение или занижение допуска Uv.
3) Без нагрузки.
4) Продолжительность сигнала при омической нагрузке.
5) При соотношении светло/темно 1:1.
6) Запрещается деформировать кабель ниже 0 °C.
7) А = подключения UV с защитой от переполюсовки.
8) C = подавление импульсных помех.
9) D = выходы с защитой от короткого замыкания.
Классификации
ECl@ss 5.0
27270904
ECl@ss 5.1.4
27270904
ECl@ss 6.0
27270904
ECl@ss 6.2
27270904
ECl@ss 7.0
27270904
ECl@ss 8.0
27270904
ECl@ss 8.1
27270904
ECl@ss 9.0
27270904
ETIM 5.0
EC002719
ETIM 6.0
EC002719
UNSPSC 16.0901
39121528
Показать всё
Скрыть всё
Технические чертежи
Опции настройки
Схема соединений cd-045
Размер светового пятна
Габаритный чертеж
Вид:
Галерея
Список
Показать всё
Скрыть всё
Показать всё
Скрыть всё