0
ETI    SIEMENS    ABB    WIKA    IFM    ELKO EP    HYUNDAI    VEGA    KSR KUEBLER    Johnson Controls    Siemens IA/DT (CA01)    Bosch Rexroth    Alfa Laval    SICK    Others  

WTD20EC-V3419S01

Код: 1069260
Связатся с нами: 067 285 7770

В корзину

Показать всё Скрыть всё

  • Характеристики
    Принцип датчика/ обнаруженияДатчик с отражением от объекта
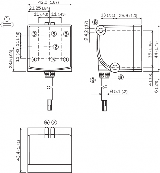
    Размеры (Ш x В x Г)42 mm x 42 mm x 45 mm
    Форма корпуса (выход света)Прямоугольный
    Дистанция работы, макс.30 mm ... 40 mm 1)
    Расстояние срабатывания30 mm ... 40 mm
    Вид излученияВидимый красный свет
    Источник светаСветодиод PinPoint 2)
    Размеры светового пятна (расстояние)Ø 1 mm (30 mm) 3)
    Длина волны635 nm
    НастройкаIO-Link
    Специальные случаи примененияОбнаружение объектов при отсутcвии зазоров между ними
    Подавление заднего фона≥ 80 mm
    Основной признак объектаБлестящие и призматические кромки
    Особые свойстваВ датчике установлено оптимизированное логическое устройство для оценки внутреннего сигнала специально для блестящих, круглых и призматических кромок первичных упаковок, например, от напитков.
    • 1) Макс. расстояние срабатывания относительно передней кромки объекта. При этом передняя кромка объекта должна находиться в пределах рабочей зоны.
    • 2) Средний срок службы: 100 000 ч при TU = +25 °C.
    • 3) 4 шт.
  • Механика/электроника
    Напряжение питания10 V DC ... 30 V DC 1)
    Остаточная пульсация≤ 5 Vss 2)
    Потребление тока≤ 70 mA 3)
    Переключающий выходPNP
    Выходной ток Iмакс.≤ 100 mA 4)
    Тип подключенияКабель с разъемом M12, 4-конт., 270 mm
    Материал кабеляPVC
    Схемы защиты

    A 5)

    B 6)

    C 7)

    Класс защитыIII
    Вес130 g
    IO-Link
    Скорость передачиCOM2
    Материал корпусаПластик, Novodur
    Тип защитыIP67
    Диапазон температур при работе–40 °C ... +55 °C
    Диапазон температур при хранении–40 °C ... +75 °C
    Производительность, макс.≤ 200 000 шт./ч
    Скорость объекта, макс.≤ 3 m/s
    Радиус контура объекта2 mm ... 20 mm
    Точность переключения≤ 2 радиуса
    Точность воспроизведенияtyp. < 1 mm
    Длительность импульса (Q2)≤ 20 ms
    Задержка при включении Q1 и Q20 ms ... 255 ms 8)
    Задержка при выключении Q10 ms ... 255 ms 8)
    Ширина объекта, мин.≤ 20 mm
    Высота объекта, мин.≥ 50 mm
    • 1) Предельные значения, с защитой от переполюсовки. Эксплуатация в защищенных от короткого замыкания сетях с силой тока не более 8 A.
    • 2) Не допускается превышение или занижение допуска Uv.
    • 3) При 24 В.
    • 4) 2 переключающих выхода с Imax = 100 мА на каждом.
    • 5) А = подключения UV с защитой от переполюсовки.
    • 6) B = входы и выходы с защитой от инверсии полярности.
    • 7) C = подавление импульсных помех.
    • 8) Регулируется через IO-Link. Предварительная установка на 50 мс.
  • Классификации
    ECl@ss 5.027270904
    ECl@ss 5.1.427270904
    ECl@ss 6.027270904
    ECl@ss 6.227270904
    ECl@ss 7.027270904
    ECl@ss 8.027270904
    ECl@ss 8.127270904
    ECl@ss 9.027270904
    ETIM 5.0EC002719
    ETIM 6.0EC002719
    UNSPSC 16.090139121528
Показать всё Скрыть всё

Технические чертежи

Схема соединений cd-244 дискретный сигнал Габаритный чертеж WTD20E-V/W11xx, кабель подробное описание расстояний срабатывания Вид: Галерея Список Показать всё Скрыть всё
Показать всё Скрыть всё