Датчик с отражением от объекта, Подавление переднего фона
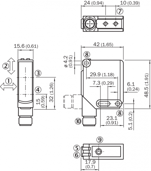
Размеры (Ш x В x Г)
15,6 mm x 48,5 mm x 42 mm
Форма корпуса (выход света)
Прямоугольный
Дистанция работы, макс.
150 mm ... 700 mm 1)
Расстояние срабатывания
0 mm ... 400 mm 2)
Вид излучения
Видимый красный свет
Источник света
Светодиод PinPoint 3)
Размеры светового пятна (расстояние)
Ø 8 mm (300 mm)
Длина волны
660 nm
Настройка
Кнопка настройки
Специальные случаи применения
Обнаружение прозрачных объектов, Обнаружение объектов с неровной и блестящей поверхностью
1) Область настройки фона, для фона с коэффициентом диффузного отражения 90 % (на основе нержавеющей стали, подвергнутой обработке стеклянной дробью, согласно стандарту белого, DIN 5033).
2) Область распознавания прозрачных объектов.
3) Средний срок службы: 100 000 ч при TU = +25 °C.
Механика/электроника
Напряжение питания
10 V DC ... 30 V DC 1)
Остаточная пульсация
≤ 5 Vss 2)
Потребление тока
≤ 55 mA 3)
Переключающий выход
NPN
Функция выходного сигнала
Комплементарный
Тип переключения
СВЕТЛО/ТЕМНО
Сигнальное напряжение NPN HIGH/LOW
Ок. Uv/ < 2,5 В
Выходной ток Iмакс.
100 mA
Оценка
2 ms 4)
Частота переключения
250 Hz 5)
Тип подключения
Разъем M12, 4-конт.
Схемы защиты
A 6)
C 7)
D 8)
Класс защиты
II
Вес
120 g
Материал корпуса
Металл
Тип защиты
IP66
IP67
Специальное исполнение
Обнаружение прозрачных объектов
Диапазон температур при работе
–40 °C ... +60 °C
Диапазон температур при хранении
–40 °C ... +75 °C
№ файла UL
NRKH.E181493 & NRKH7.E181493
1) Предельные значения при работе в защищенной от короткого замыкания сети макс. 8 А.
2) Не допускается превышение или занижение допуска Uv.
3) Без нагрузки.
4) Продолжительность сигнала при омической нагрузке.