0
ETI    SIEMENS    ABB    WIKA    IFM    ELKO EP    HYUNDAI    VEGA    KSR KUEBLER    Johnson Controls    Siemens IA/DT (CA01)    Bosch Rexroth    Alfa Laval    SICK    Others  

WTV4-3P3171

Код: 1063336
Связатся с нами: 067 285 7770

В корзину

Показать всё Скрыть всё

  • Характеристики
    Принцип датчика/ обнаруженияДатчик с отражением от объекта, Подавление заднего фона
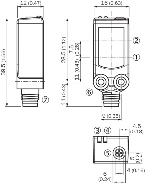
    Размеры (Ш x В x Г)16 mm x 39,5 mm x 12 mm
    Форма корпуса (выход света)Прямоугольный
    Дистанция работы, макс.3 mm ... 50 mm 1)
    Расстояние срабатывания5 mm ... 50 mm 1)
    Вид излученияВидимый красный свет
    Источник светаСветодиод PinPoint 2)
    Размеры светового пятна (расстояние)3 mm x 20 mm (40 mm)
    Длина волны650 nm
    НастройкаПотенциометр, 5 оборотов
    AutoAdapt
    Специальные случаи примененияОбнаружение перфорированных объектов, Обнаружение объектов с допусками на положение, Обнаружение объектов с неровной и блестящей поверхностью, Обнаружение объектов, завернутых в пленку
    • 1) Белый объект — объект с коэффициентом диффузного отражения 90 % (на основе стандарта белого, DIN 5033).
    • 2) Средний срок службы: 100 000 ч при TU = +25 °C.
  • Механика/электроника
    Напряжение питания10 V DC ... 30 V DC 1)
    Остаточная пульсация< 5 Vss 2)
    Потребление тока≤ 20 mA 3)
    Переключающий выходPNP
    Тип переключенияСВЕТЛО
    Выходной ток Iмакс.≤ 100 mA
    Оценка< 0,5 ms 4)
    Частота переключения1.000 Hz 5)
    Тип подключенияКабель с разъемом M8, 3-конт., 100 mm
    Материал кабеляPVC
    Схемы защиты

    A 6)

    C 7)

    D 8)

    Класс защитыIII
    Вес30 g
    Материал корпусаПластик, ABS
    Материал, оптикаПластик, PMMA
    Тип защиты

    IP67

    IP66

    Специальное исполнениеV-оптика, Линейное световое пятно
    Диапазон температур при работе–40 °C ... +60 °C
    Диапазон температур при хранении–40 °C ... +75 °C
    № файла ULNRKH.E181493 & NRKH7.E181493
    • 1) Предельные значения.
    • 2) Не допускается превышение или занижение допуска Uv.
    • 3) Без нагрузки.
    • 4) Продолжительность сигнала при омической нагрузке.
    • 5) При соотношении светло/темно 1:1.
    • 6) А = подключения UV с защитой от переполюсовки.
    • 7) C = подавление импульсных помех.
    • 8) D = выходы с защитой от короткого замыкания.
  • Классификации
    ECl@ss 5.027270904
    ECl@ss 5.1.427270904
    ECl@ss 6.027270904
    ECl@ss 6.227270904
    ECl@ss 7.027270904
    ECl@ss 8.027270904
    ECl@ss 8.127270904
    ECl@ss 9.027270904
    ETIM 5.0EC002719
    ETIM 6.0EC002719
    UNSPSC 16.090139121528
Показать всё Скрыть всё

Технические чертежи

Схема соединений cd-045 Габаритный чертеж Характеристика WTV4-3, V-оптика, линейное световое пятно Размер светового пятна WTV4-3, V-оптика, линейное световое пятно Вид: Галерея Список Показать всё Скрыть всё
Показать всё Скрыть всё