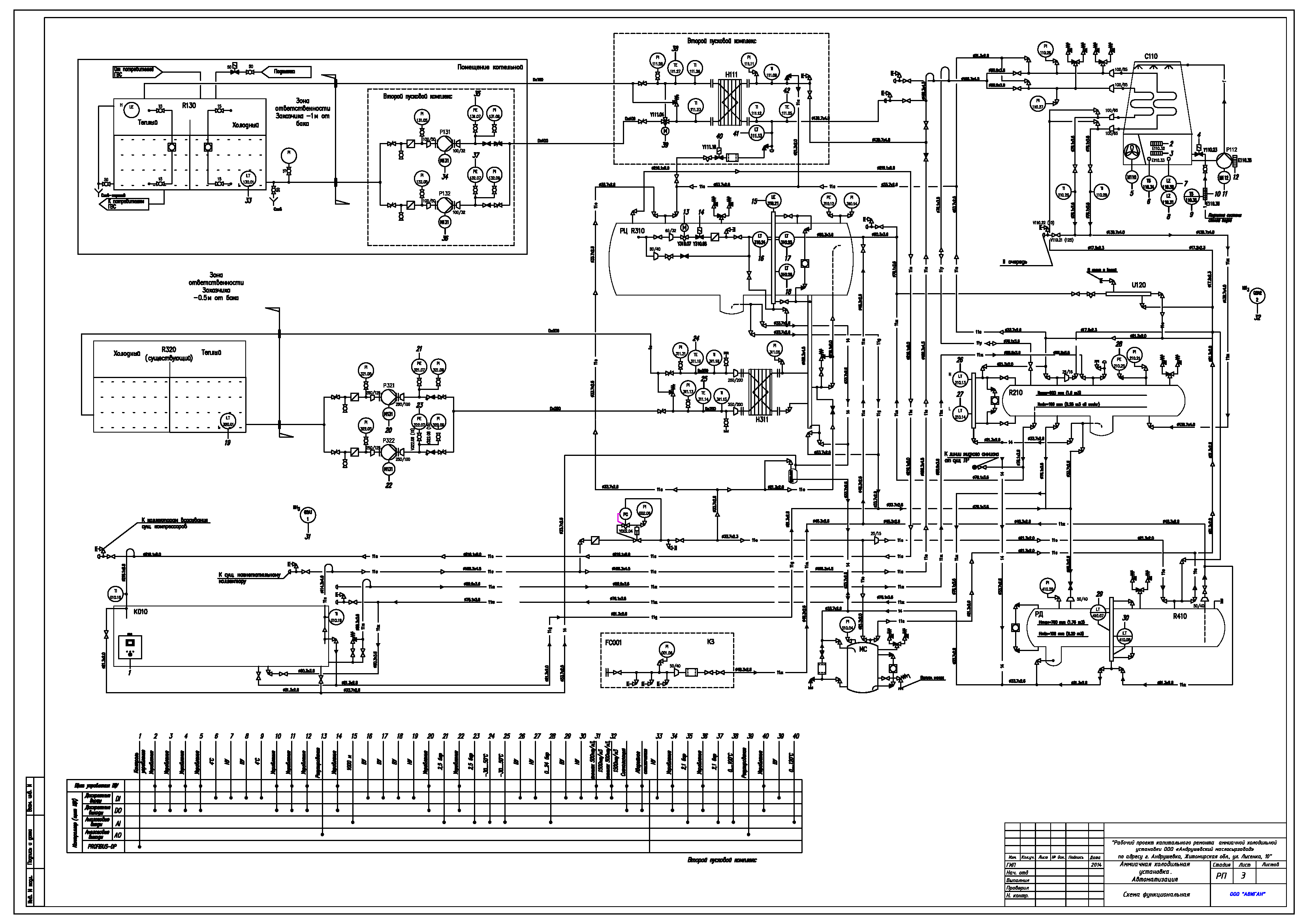
Автоматизированная система управления аммиачной холодильной установкой
Разработано решение по силовому электрооборудованию и автоматизированной системы управления (АСУ ТП) аммиачной холодильной установкой (АХУ) маслосырзавода.
При проектировании использовались следующие нормативные документы:
-Правила устройства электрических установок ПУЭ 2009;
-Правила устройства электроустановок. Электрооборудование специальных установок НПАОП 40.1-1.32-01;
-Электротехнические устройства СНиП 3.05-06-85;
-Системы автоматизации СНиП 3.05-07-85;
-Правила устройства и безопасной эксплуатации аммиачных холодильных установок. Издание 7.
По надежности электроснабжения потребители АХУ относятся ко II категории.
Установленная мощность Pу=425,4 кВт, расчетная Pр=394,4 кВт, расчетный ток Ip=724 А.
К силовому оборудованию относятся защитная и пусковая аппаратура электродвигателей компрессорной установки , вентилятора конденсатора, насосов и электронагревателей компрессорной и компрессорной установок, клапанов,устанавливаемая в щитах ЩС, ЩУ и КО10-Ш, располагаемых в РУ-0,4кВ существующей трансформаторной подстанции. Питание электроприемников осуществляется от щитов ЩС, ЩУ и КО10-Ш по кабельным линиям.
Выбор сечений проводников выполняется по длительно допустимым токовым нагрузкам с учётом допустимой потери напряжения внормальном и пусковом режимах работы электрооборудования.
Предусматривается защита электрооборудования от токов короткого замыкания.
Для защиты обслуживаемого персонала от поражения электрическим током предусматривается защитное заземление (зануление) всех металлических нетоковедущих частей электрооборудования и конструкций. Принятая система заземления - TN-C-S. В качестве нулевых защитных проводников используются отдельные жилы кабелей.
Схемой автоматизации работа АХУ предусматривается в двух режимах:
- местный - для пуско-наладочных работ - при помощи постов управления, расположенных в непосредственной близости от электроприемников;
- централизованный дистанционный - с автоматизированного рабочего места (АРМ) технолога.
Режим централизованного дистанционный управления обеспечивается АСУ ТП, выполненной на базе технических средств фирмы SIEMENS.
В состав комплекса технических средств АСУ ТП входят программируемый логический контроллер SIMATIC S7-300, установленный в щите ЩК в РУ-0,4кВ, и автоматизированное рабочее место (АРМ) технолога, расположенное в операторской.
Контроллер обеспечивает прием и обработку информации, поступающей от устройств управления электроприводами, пусковой, релейно-контактной аппаратуры и датчиков, контролирующих работу механизмов АХУ, а также управление механизмами в реальном масштабе времени.
9. Автоматизированное рабочее место технолога, разработанное на базе персонального компьютера, укомплектовано 24-дюймовым цветным монитором для отображения динамических мнемосхем.
Проектом предусмотрен контроль концентрации аммиака в воздухе цеха и аппаратного отделения, аварийное отключение электрооборудования и существующейвентиляции существующей цеха с помощью датчиков аварийной концентрации аммиака и кнопками, установленными у входов в цех, с одновременной подачей сигнала на включение существующей аварийной вытяжной вентиляции.
У входов в цех предусмотрена также светозвуковая сигнализация, предупреждающая о загазованности.
Сети электроснабжения 0,4кВ выполнены кабелями марки ВВГнг и ВБбШнг, сети контроля и управления - кабелями марки КВВГЭнг и КВБбШнг.
Охрана труда и техники безопасности
Условия безопасной эксплуатации объекта обеспечиваются:
- использованием электрооборудования в исполнении, соответствующем условиям окружающей среды и категории помещений;
- наличием надежной схемы электроснабжения, соответствующей категории электроснабжения потребителей;
- устройством звуковой сигнализации;
- соответствием электрооборудования и кабелей условиям работы в нормальных и послеаварийных режимах;
- обеспечением всех электроустановок защитными средствами и предупредительными плакатами;
- защитным заземлением электроустановок и технологического оборудования;
Пожарная безопасность.
К мероприятиям, обеспечивающим взрывную и пожарную безопасность, относятся:
- применение в пожароопасных зонах электрооборудования с допустимой степенью защиты оболочек в соответствии с классификацией ПУЭ;
- выносом электрооборудования в нормальном исполнении за пределы пожароопасных зон;
- применение кабельной продукции в оболочках, не распространяющих горение;
- устройством защиты от токов коротких замыканий и перегрузок.

